ADVANCED STORAGE CONCEPTS

ASC-88

Card Type

Hard drive controller card

Hard Drives supported

Up to 7 SCSI devices

Floppy drives supported

None

Data Bus

8-bit ISA

Card Size

Quarter-length, full-height card

CONNECTIONS

Function

Location

Function

Location

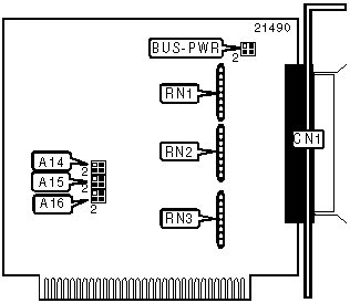
50-pin SCSI connector - external

CN1

Terminating resistors

RN1-RN3

USER CONFIGURABLE SETTINGS

Function

Location

Setting

»

Power to external pull-ups disabled

BUS-PWR

Pins 1 & 2 closed

 

+5V power to external pull-ups enabled

BUS-PWR

Pins 3 & 4 closed

SEGMENT ADDRESS SELECTION

Setting

A16

A15

A14

C000h

Pins 1 & 2 closed

Pins 1 & 2 closed

Pins 1 & 2 closed

C400h

Pins 1 & 2 closed

Pins 1 & 2 closed

Pins 2 & 3 closed

C800h

Pins 1 & 2 closed

Pins 2 & 3 closed

Pins 1 & 2 closed

CC00h

Pins 1 & 2 closed

Pins 2 & 3 closed

Pins 2 & 3 closed

D000h

Pins 2 & 3 closed

Pins 1 & 2 closed

Pins 1 & 2 closed

D400h

Pins 2 & 3 closed

Pins 1 & 2 closed

Pins 2 & 3 closed

D800h

Pins 2 & 3 closed

Pins 2 & 3 closed

Pins 1 & 2 closed

DC00h

Pins 2 & 3 closed

Pins 2 & 3 closed

Pins 2 & 3 closed

Note:

A total of 8 segment address settings are available. The settings are a binary representation of the hexidecimal segment addresses. A16 is the Most Significant Bit and switch A14 is the Least Significant Bit. The jumpers have the following decimal values: A16=1000h, A15=800h, and A14=400h. Turn off the jumpers by closing pins 1 & 2 and turn on the jumpers by closing pins 2 & 3. Add the values of the jumpers with pins 2 & 3 closed to obtain the correct memory address. (Pins 1 & 2 = Off, Pins 2 & 3 = On.)