NCL AMERICA

NCL 540, NCL 541

Data bus: 8-bit, ISA

Size: Half-length, full-height card

Hard drives supported: Up to seven SCSI devices

Floppy drives supported: NCL 540: Two 360KB, 720KB, 1.2MB, or 1.44MB

NCL 541: None

Maximum heads/cyl.: 16 heads and 2048 cylinders

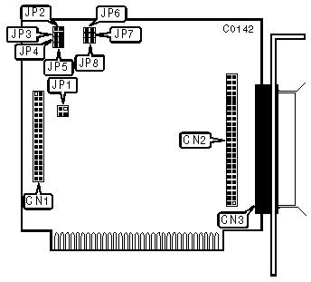
CONNECTIONS

Function

Location

34-pin data cable connector-floppy drive (NCL 540 only)

CN1

50-pin SCSI connector-internal

CN2

25-pin SCSI connector-external

CN3

USER CONFIGURABLE SETTINGS

Function

Location

Setting

»

Floppy drive port address is 3F2-3F7h (540 only)

JP1

pins 1 & 2 closed

 

Floppy drive port address is 372-377h (540 only)

JP1

pins 1 & 2 open

»

Factory configured - do not alter

JP1

pins 3 & 4 closed

»

Zero wait state disabled

JP5

open

 

Zero wait state enabled

JP5

closed

INTERRUPT REQUEST

IRQ

Jumper JP2

Jumper JP3

Jumper JP4

»

IRQ 2

open

open

closed

 

IRQ5

open

closed

open

 

IRQ7

closed

open

open

BIOS ADDRESS

Address

Jumper JP6

Jumper JP7

Jumper JP8

»

C800h

open

open

closed

 

CC00h

closed

open

closed

 

D800h

open

open

open

 

DC00h

closed

open

open

 

E000h

open

closed

open

 

E400h

closed

closed

open

 

D000h

open

closed

closed

 

D400h

closed

closed

closed