UNIDENTIFIED

SUN-5230

Data bus: 8-bit, ISA

Size: Half-length, full-height card

Hard drives supported: Up to seven SCSI devices

Floppy drives supported: None

CONNECTIONS

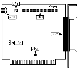
50-pin SCSI connector-internal

CN1

25-pin SCSI connector-external

CN2

4-pin connector-drive active LED

CN3

USER CONFIGURABLE SETTINGS

Function

Location

Setting

»

Interrupt Request is IRQ3

JP2

pins 1 & 2 closed

 

Interrupt Request is IRQ5

JP2

pins 2 & 3 closed

»

Zero Wait State enabled

JP3

open

 

Zero Wait State disabled

JP3

closed

BIOS ADDRESS

Address

JP4

JP4A

»

CA00h

open

open

 

C800h

closed

open

 

CE00h

open

open

 

DE00h

closed

closed

MISCELLANEOUS TECHNICAL NOTES

This controller has no on-board software.