BOCA RESEARCH INC.
IO/AT
|
Card Type |
Multi I/O card |
|
Chipset/Controller |
Unknown |
|
I/O Options |
Clock, parallel port, serial ports (2) |
|
Maximum DRAM |
N/A |
|
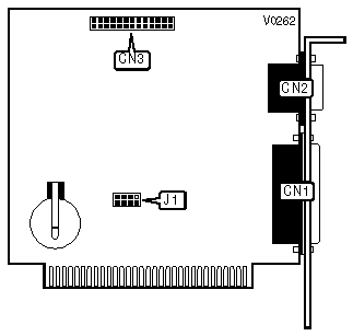
CONNECTIONS | |||
|
Purpose
|
Location
|
Purpose
|
Location
|
|
Parallel port |
CN1 |
Serial port 2 |
CN3 |
|
Serial port 1 |
CN2 | ||
|
I/O AT CONFIGURATION | ||
|
Cards Installed |
J1 | |
| » |
1 |
Pins 1 & 2 closed |
|
2 |
Pins 3 & 4 closed | |
|
3 |
Pins 5 & 6 closed | |
|
4 |
Pins 7 & 8 closed | |