CREATIVE LABS, INC.
SOUNDBLASTER 16
|
Card Type |
Sound Card |
|
Chipset/Controller |
Creative Technology |
|
I/O Options |
CD-ROM interface game/MIDI port, line in, microphone jack, speaker, volume control |
|
Maximum DRAM |
N/A |
|
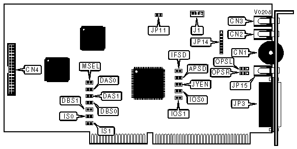
CONNECTIONS | |||
|
Purpose |
Location |
Purpose |
Location |
|
Volume control |
CN1 |
Game/MIDI port |
JP3 |
|
Microphone jack |
CN2 |
PC speaker connector |
JP11 |
|
Line in |
CN3 |
Audio extension |
JP14 |
|
CD-ROM interface connector |
CN4 |
Speaker jack |
JP15 |
|
CD audio cable connector |
J1 |
|
|
|
I/O ADDRESS CONFIGURATION | |||
|
Address |
I0S0 |
I0S1 | |
| » |
220h |
Closed |
Closed |
|
240h |
Open |
Closed | |
|
260h |
Closed |
Open | |
|
280h |
Open |
Open | |
|
BASE I/O ADDRESS SELECTION | ||
|
Address |
MSEL | |
| » |
330h |
Closed |
|
300h |
Open | |
|
INTERRUPT CONFIGURATION | |||
|
IRQ |
IS0 |
IS1 | |
| » |
5 |
Open |
Closed |
|
2 |
Closed |
Closed | |
|
7 |
Closed |
Open | |
|
10 |
Open |
Open | |
|
8-BIT DMA CHANNEL SELECTION | |||
|
Channel |
DAS0 |
DAS1 | |
| » |
1 |
Open |
Closed |
|
0 |
Closed |
Closed | |
|
3 |
Closed |
Open | |
|
16-BIT DMA CHANNEL SELECTION | |||
|
Channel |
DBS0 |
DBS1 | |
| » |
5 |
Closed |
Closed |
|
6 |
Open |
Closed | |
|
7 |
Closed |
Open | |
|
GAME PORT CONFIGURATION | ||
|
Setting |
JYEN | |
| » |
Enabled |
Closed |
|
Disabled |
Open | |
|
AUDIO OUTPUT AMPLIFIER SELECTION | |||
|
Setting |
OPSL |
OPSR | |
| » |
Internal amplifier |
Pins 2 & 3 closed |
Pins 2 & 3 closed |
|
External amplifier |
Pins 1 & 2 closed |
Pins 1 & 2 closed | |
|
ADVANCED SIGNAL PROCESSOR UPGRADE CHIP CONFIGURATION | |||
|
Setting |
IFSD |
APSD | |
| » |
Not installed |
Closed |
Closed |
|
Installed |
Open |
Open | |