DTK COMPUTER, INC.

PTI-209

Card Type

Multi I/O card

Chipset/Controller

SIS

I/O Options

Game, parallel port, serial ports (2)

Maximum DRAM

N/A

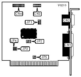
CONNECTIONS

Purpose

Location

Purpose

Location

Parallel port

CN1

Serial port 2

CN3

Serial port 1

CN2

Game port

CN4

SERIAL PORT CONFIGURATION

Port 1 (CN2)

Port 2 (CN3)

JP1

»

COM1

COM2

Pins 2 & 3, 4 & 5 closed

 

COM2

COM1

Pins 1 & 2, 5 & 6 closed

SERIAL PORT INTERRUPT SELECTION

Port 1 (CN2)

Port 2 (CN3)

JP2

»

IRQ4

IRQ3

Pins 1 & 2, 5 & 6 closed

 

IRQ3

IRQ4

Pins 2 & 3, 4 & 5 closed

PARALLEL PORT INTERRUPT SELECTION (FOR AT COMPUTER)

IRQ

JP3

JP5

»

7

Pins 3 & 4 closed

Open

 

5

Pins 1 & 2 closed

Closed

PARALLEL PORT INTERRUPT SELECTION (FOR XT COMPUTER)

IRQ

JP3

JP5

»

7

Pins 3 & 4 closed

Open

 

5

Pins 3 & 4 closed

Closed

GAME PORT CONFIGURATION

Setting

JP4

»

Enabled

Closed

 

Disabled

Open