PINE TECHNOLOGY

PT-601/602

Card Type

Multi I/O

Chipset/Controller

Unidentified

I/O Options

Game port, parallel port, serial ports (2)

Maximum DRAM

N/A

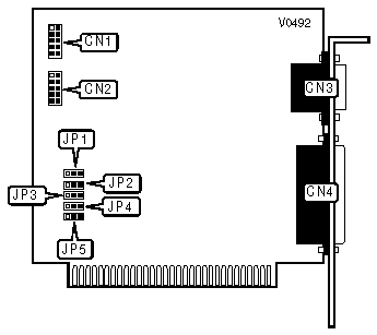
CONNECTIONS

Purpose

Location

Purpose

Location

Serial port 1

CN1

Game port

CN3

Serial port 2

CN2

Parallel port

CN4

GAME PORT CONFIGURATION

Setting

JP1

»

Enabled

Pins 2 & 3 closed

 

Disabled

Pins 1 & 2 closed

SERIAL PORT CONFIGURATION

Port 1 (CN1)

Port 2 (CN2)

JP2

JP3

»

COM1

COM2

Pins 2 & 3 closed

Pins 2 & 3 closed

 

COM1

COM4

Pins 2 & 3 closed

Pins 1 & 2 closed

 

COM3

COM2

Pins 1 & 2 closed

Pins 2 & 3 closed

 

COM3

COM4

Pins 1 & 2 closed

Pins 1 & 2 closed

 

Disabled

COM2

Open

Pins 2 & 3 closed

 

Disabled

COM4

Open

Pins 1 & 2 closed

 

COM1

Disabled

Pins 2 & 3 closed

Open

 

COM3

Disabled

Pins 1 & 2 closed

Open

 

Disabled

Disabled

Open

Open

PARALLEL PORT INTERRUPT SELECT

IRQ

JP4

»

IRQ7

Pins 2 & 3 closed

 

IRQ5

Pins 1 & 2 closed

 

Disabled

Open

PARALLEL PORT CONFIGURATION

LPT

JP5

»

1

Pins 2 & 3 closed

 

2

Pins 1 & 2 closed

 

Disabled

Open