UNIDENTIFIED
AT MULTI I/O AI-3
|
Card Type |
Multi I/O card |
|
Chipset/Controller |
N/A |
|
I/O Options |
Game port, parallel port, serial ports (2) |
|
Maximum DRAM |
N/A |
|
CONNECTIONS | |||
|
Purpose |
Location |
Purpose |
Location |
|
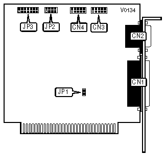
Parallel port |
CN1 |
Serial port 1 |
CN3 |
|
Serial port 2 |
CN2 |
Game port |
CN4 |
|
SERIAL PORT CONFIGURATION | ||
|
Port 1 (CN3) |
JP3 | |
| » |
COM1 |
Pins 1 & 2, 13 & 14 |
|
COM3 |
Pins 3 & 4, 13 & 14 | |
|
Disabled |
Open | |
|
SERIAL PORT CONFIGURATION | ||
|
Port 2 (CN2) |
JP3 | |
| » |
COM2 |
Pins 5 & 6, 11 & 12 |
|
COM4 |
Pins 7 & 8, 11 & 12 | |
|
Disabled |
Open | |
|
PARALLEL PORT CONFIGURATION | ||
|
LPT |
JP2 | |
| » |
1 |
Pins 1 & 2, 5 & 6 closed |
|
2 |
Pins 3 & 4, 7 & 8 closed | |
|
GAME PORT CONFIGURATION | ||
|
Setting |
JP1 | |
| » |
Enabled |
Closed |
|
Disabled |
Open | |
|
FACTORY CONFIGURED - DO NOT ALTER | |
|
Jumper |
Position |
|
JP3 |
Pins 9 & 10 closed |