UNIDENTIFIED

SERIAL/PARALLEL & GAME PORT CARD

Card Type

Multi I/O card

Chipset/Controller

N/A

I/O Options

Game port, parallel port, serial ports (2)

Maximum DRAM

N/A

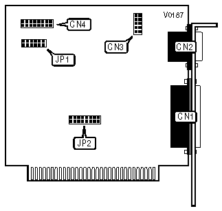
CONNECTIONS

Purpose

Location

Purpose

Location

Parallel port

CN1

Serial port 2

CN3

Serial port 1

CN2

Game port

CN4

SERIAL PORT CONFIGURATION

Port 1 (CN2)

Port 2 (CN3)

JP1/3

JP1/4

JP1/5

JP1/6

»

COM1

COM2

Open

Open

Closed

Closed

 

COM3

COM3

Closed

Closed

Closed

Open

 

COM4

COM4

Closed

Closed

Open

Closed

 

Disabled

Disabled

Open

Open

Open

Open

SERIAL PORT 1 INTERRUPT SELECTION

Port 1 (CN2)

JP2/1

JP2/2

JP2/3

»

4

Closed

Open

Open

 

5

Open

Closed

Open

 

9

Open

Open

Closed

SERIAL PORT 2 INTERRUPT SELECTION

Port 2 (CN3)

JP2/4

JP2/5

JP2/6

»

3

Closed

Open

Open

 

9

Open

Closed

Open

 

5

Open

Open

Closed

PARALLEL PORT CONFIGURATION

LPT

JP1/1

JP1/2

»

1

Closed

Open

 

2

Open

Closed

 

Disabled

Closed

Closed

PARALLEL PORT INTERRUPT SELECTION

IRQ

JP2/7

JP2/8

»

7

Closed

Open

 

5

Open

Closed

 

Disabled

Closed

Closed