UNIDENTIFIED

ATIO-V8

Card Type

Multi I/O card

Chipset Controller

N/A

I/O Options

Game/MIDI port, parallel port, serial port (2)

Maximum DRAM

N/A

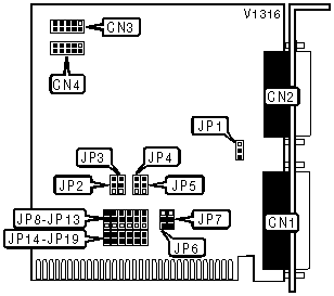
CONNECTIONS

Purpose

Location

Purpose

Location

25-pin parallel port

CN1

10-pin serial port 1

CN3

15-pin game/MIDI port

CN2

10-pin serial port 2

CN4

GAME PORT CONFIGURATION

Setting

JP1

Disabled

Pins 1 & 2 closed

Enabled

Pins 2 & 3 closed

SERIAL PORT 1 COM SELECTION

COM

JP4

COM1

Pins 2 & 3 closed

COM3

Pins 1 & 2 closed

SERIAL PORT 1 CONFIGURATION

Setting

JP5

Disabled

Pins 1 & 2 closed

Enabled

Pins 2 & 3 closed

SERIAL PORT 2 COM SELECTION

COM

JP2

COM2

Pins 2 & 3 closed

COM4

Pins 1 & 2 closed

SERIAL PORT 2 CONFIGURATION

Setting

JP3

Disabled

Pins 1 & 2 closed

Enabled

Pins 2 & 3 closed

PARALLEL PORT LPT SELECTION

LPT

JP6

LPT1

Pins 2 & 3 closed

LPT2

Pins 1 & 2 closed

PARALLEL PORT CONFIGURATION

Setting

JP7

Disabled

Pins 2 & 3 closed

Enabled

Pins 1 & 2 closed

SERIAL PORT 1 INTERRUPT SELECTION (PINS 1 & 2)

IRQ

JP8

JP9

JP10

JP11

JP12

JP13

3

Closed

Open

Open

Open

Open

Open

4

Open

Closed

Open

Open

Open

Open

5

Open

Open

Closed

Open

Open

Open

6

Open

Open

Open

Closed

Open

Open

7

Open

Open

Open

Open

Closed

Open

9

Open

Open

Open

Open

Open

Closed

SERIAL PORT 2 INTERRUPT SELECTION (PINS 2 & 3)

IRQ

JP8

JP9

JP10

JP11

JP12

JP13

3

Closed

Open

Open

Open

Open

Open

4

Open

Closed

Open

Open

Open

Open

5

Open

Open

Closed

Open

Open

Open

6

Open

Open

Open

Closed

Open

Open

7

Open

Open

Open

Open

Closed

Open

9

Open

Open

Open

Open

Open

Closed

PARALLEL PORT INTERRUPT SELECTION

IRQ

JP14

JP15

JP16

JP17

JP18

JP19

3

Closed

Open

Open

Open

Open

Open

4

Open

Closed

Open

Open

Open

Open

5

Open

Open

Closed

Open

Open

Open

6

Open

Open

Open

Closed

Open

Open

7

Open

Open

Open

Open

Closed

Open

9

Open

Open

Open

Open

Open

Closed