UNIDENTIFIED

SPG-530/540 CARD

Card Type

Multi-I/O card

Chip Set

Unidentified

Maximum Onboard Memory

Unidentified

I/O Options

Game port, Parallel port, Serial ports (2)

Hard Drives supported

None

Floppy drives supported

None

Data Bus

8-bit ISA

Card Size

Half-length

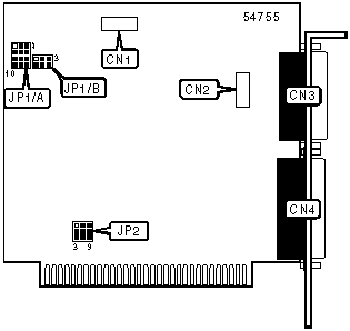
CONNECTIONS

Function

Label

Function

Label

Serial Port 1

CN1

Game Port

CN3

Serial Port 2

CN2

Parallel Port

CN4

USER CONFIGURABLE SETTINGS

Function

Label

Position

Game Port disabled

JP1/B

Pins 1 & 2 closed

Game Port enabled

JP1/B

Pins 2 & 3 closed

PARALLEL PORT ADDRESS SELECTION

Setting

JP1/B

LPT2 (378H)

Pins 5 & 6 closed

LPT3 (278H)

Pins 4 & 5 closed

SERIAL PORT 1 ADDRESS SELECTION

Setting

JP1/A

COM1 (3F8h)

Pins 1 & 2 closed

COM2 (2F8h)

Pins 4 & 5 closed

COM3 (3E8h)

Pins 7 & 8 closed

COM4 (2E8h)

Pins 10 & 11 closed

SERIAL PORT 2 ADDRESS SELECTION

Setting

JP1/A

COM1 (3F8h)

Pins 2 & 3 closed

COM2 (2F8h)

Pins 5 & 6 closed

COM3 (3E8h)

Pins 8 & 9 closed

COM4 (2E8h)

Pins 11 & 12 closed

Note: Serial port 2 (COM B) is not available on the SPG-530

SERIAL PORT 1 INTERRUPT SELECTION

IRQ

JP2

IRQ4

Pins 2 & 3 closed

IRQ3

Pins 1 & 2 closed

SERIAL PORT 2 INTERRUPT SELECTION

IRQ

JP2

IRQ3

Pins 4 & 5 closed

IRQ4

Pins 5 & 6 closed

PARALLEL PORT INTERRUPT SELECTION

IRQ

JP2

IRQ7

Pins 7 & 8 closed

IRQ5

Pins 8 & 9 closed