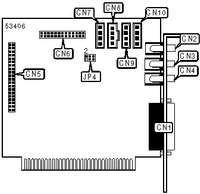
Sound/Multimedia. 8-bit ISA