AST RESEARCH, INC.

PREMMIA 486

(202514-000,202557-000,101,202613-X0X)

Processor

80486SX/80487SX/ODP486SX/80486DX/80486DX2/Pentium Overdrive/Pentium

Processor Speed

25/33/50(internal)/60/66(internal)MHz

Chip Set

Unidentified

Max. Onboard DRAM

128MB

Cache

128/256/512KB

BIOS

Unidentified

Dimensions

355mm x 305mm

I/O Options

Floppy drive interface, IDE interfaces (2), parallel port, PS/2 mouse port, serial ports (2), VGA port, CPU/cache slot, LAN connectors (3)

NPU Options

None

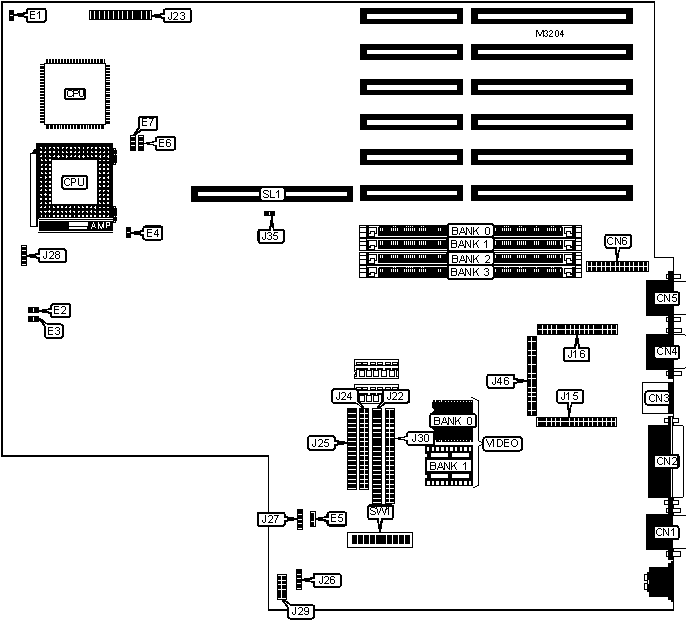
CONNECTIONS

Purpose

Location

Purpose

Location

Serial port

CN1

Floppy drive interface 2

J25

Parallel port

CN2

External battery

J26

PS/2 mouse port

CN3

Speaker

J27

Serial port

CN4

Chassis fan power

J28

VGA port

CN5

Front panel connector

J29

LAN module connector

J15

Test connector

J30

LAN module connector

J16

IDE interface LED

J35

IDE interface

J22

LAN module connector

J46

Test connector

J23

CPU/cache slot

SL1

Floppy drive interface 1

J24

   

USER CONFIGURABLE SETTINGS

Function

Jumper/Switch

Position

»

Factory configured - do not alter

CN6

N/A

»

Factory configured - do not alter

E2

Open

»

Parity enabled

E3

Closed

 

Parity disabled

E3

Open

»

Factory configured - do not alter

E5

pins 2 & 3 closed

»

On board video enabled

SW1/1

On

 

On board video disabled

SW1/1

Off

»

Factory configured - do not alter

SW1/2

Off

»

CMOS memory normal operation

SW1/3

Off

 

CMOS memory clear

SW1/3

On

»

Flash BIOS normal operation

SW1/4

Off

 

Flash BIOS force update at boot

SW1/4

On

»

Password enabled

SW1/5

Off

 

Password disabled

SW1/5

On

»

Factory configured - do not alter

SW1/6

Off

»

Factory configured - do not alter

SW1/7

Off

»

Factory configured - do not alter

SW1/8

Off

»

I/O address select 398h

SW1/9

On

 

I/O address select 26Eh

SW1/9

Off

»

Monitor type select color

SW1/10

On

 

Monitor type select monochrome

SW1/10

Off

Note: E5 may not be present on all revisions.

DRAM CONFIGURATION

Size

Bank 0

Bank 1

Bank 2

Bank 3

2MB

(1) 256K x 36

(1) 256K x 36

NONE

NONE

4MB

(1) 256K x 36

(1) 256K x 36

(1) 256K x 36

(1) 256K x 36

4MB

(1) 512K x 36

(1) 512K x 36

NONE

NONE

6MB

(1) 256K x 36

(1) 256K x 36

(1) 512K x 36

(1) 512K x 36

8MB

(1) 512K x 36

(1) 512K x 36

(1) 512K x 36

(1) 512K x 36

8MB

(1) 1M x 36

(1) 1M x 36

NONE

NONE

10MB

(1) 256K x 36

(1) 256K x 36

(1) 1M x 36

(1) 1M x 36

12MB

(1) 512K x 36

(1) 512K x 36

(1) 1M x 36

(1) 1M x 36

16MB

(1) 1M x 36

(1) 1M x 36

(1) 1M x 36

(1) 1M x 36

16MB

(1) 2M x 36

(1) 2M x 36

NONE

NONE

18MB

(1) 256K x 36

(1) 256K x 36

(1) 2M x 36

(1) 2M x 36

20MB

(1) 512K x 36

(1) 512K x 36

(1) 2M x 36

(1) 2M x 36

24MB

(1) 1M x 36

(1) 1M x 36

(1) 2M x 36

(1) 2M x 36

32MB

(1) 2M x 36

(1) 2M x 36

(1) 2M x 36

(1) 2M x 36

32MB

(1) 4M x 36

(1) 4M x 36

NONE

NONE

34MB

(1) 256K x 36

(1) 256K x 36

(1) 4M x 36

(1) 4M x 36

36MB

(1) 512K x 36

(1) 512K x 36

(1) 4M x 36

(1) 4M x 36

40MB

(1) 1M x 36

(1) 1M x 36

(1) 4M x 36

(1) 4M x 36

48MB

(1) 2M x 36

(1) 2M x 36

(1) 4M x 36

(1) 4M x 36

64MB

(1) 4M x 36

(1) 4M x 36

(1) 4M x 36

(1) 4M x 36

64MB

(1) 8M x 36

(1) 8M x 36

NONE

NONE

66MB

(1) 256K x 36

(1) 256K x 36

(1) 8M x 36

(1) 8M x 36

68MB

(1) 512K x 36

(1) 512K x 36

(1) 8M x 36

(1) 8M x 36

72MB

(1) 1M x 36

(1) 1M x 36

(1) 8M x 36

(1) 8M x 36

80MB

(1) 2M x 36

(1) 2M x 36

(1) 8M x 36

(1) 8M x 36

96MB

(1) 4M x 36

(1) 4M x 36

(1) 8M x 36

(1) 8M x 36

128MB

(1) 8M x 36

(1) 8M x 36

(1) 8M x 36

(1) 8M x 36

CACHE CONFIGURATION

Size

SL1

128KB

Installed

256KB

Installed

512KB

Installed

Note: Only one size can be installed at any one time. If CPU card is installed, cache cannot be installed.

CPU TYPE CONFIGURATION

Type

E1

E4

E6

E7

80486SX (PQFP)

pins 2 & 3 closed

pins 1 & 2 closed

pins 1 & 2 closed

pins 1 & 2 closed

80486SX (PGA)

pins 1 & 2 closed

Open

pins 2 & 3 closed

pins 2 & 3 closed

80487SX

pins 2 & 3 closed

pins 1 & 2 closed

pins 1 & 2 closed

pins 1 & 2 closed

odp486sx

pins 2 & 3 closed

pins 1 & 2 closed

pins 1 & 2 closed

pins 1 & 2 closed

80486DX

pins 1 & 2 closed

pins 2 & 3 closed

pins 1 & 2 closed

pins 1 & 2 closed

80486DX2

pins 1 & 2 closed

pins 2 & 3 closed

pins 1 & 2 closed

pins 1 & 2 closed

Pentium Overdrive

pins 1 & 2 closed

pins 1 & 2 closed

pins 1 & 2 closed

pins 1 & 2 closed

Pentium

pins 1 & 2 closed

pins 1 & 2 closed

pins 1 & 2 closed

pins 1 & 2 closed

Note: If PQFP is used, E1 is open.

VIDEO MEMORY CONFIGURATION

Size

Bank 0

Bank 1

1MB

1MB

NONE

2MB

1MB

(2) 256K x 16

Note: Bank 0 is factory installed and is not configurable.

MISCELLANEOUS TECHNICAL NOTE

Note: The location of pin 1 is unidentified.