ASUS COMPUTER INTERNATIONAL

KN97-X

Processor

Pentium II

Processor Speed

233/266MHz

Chip Set

Intel

Video Chip Set

None

Maximum Onboard Memory

384MB (EDO supported)

Maximum Video Memory

None

Cache

256/512KB (located on Pentium II CPU)

BIOS

Unidentified

Dimensions

305mm x 244mm

I/O Options

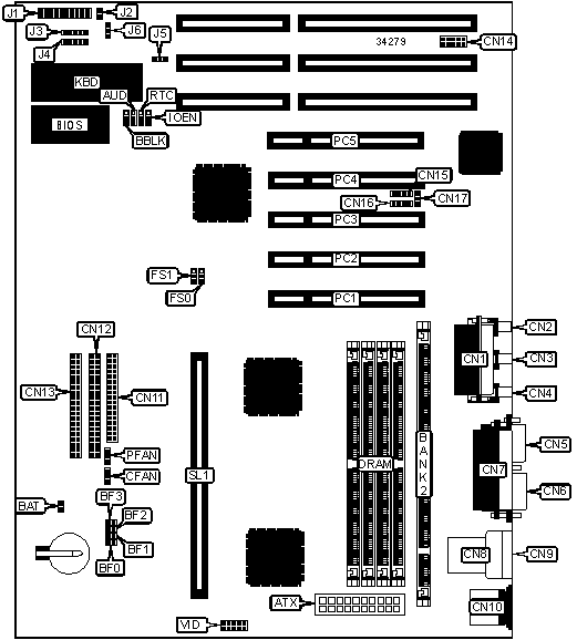
32-bit PCI slots (5), CD-ROM audio in (3), floppy drive interface, green PC connector, IDE interfaces (2), parallel port, PS/2 mouse port, serial ports (2), IR connector, USB connectors (2), ATX power connector. game/MIDI port, microphone in, line in, line out, CPU Slot 1

NPU Options

None

CONNECTIONS

Purpose

Location

Purpose

Location

ATX power connector

ATX

IDE interface 1

CN13

CPU fan

CFAN

Modem connector

CN14

Game/MIDI port

CN1

Mitsumi CD-ROM audio in

CN15

Microphone in

CN2

Sony CD-ROM audio in

CN16

Line in

CN3

Panasonic CD-ROM audio in

CN17

Line out

CN4

Front panel connector

J1

Serial port 2

CN5

IDE interface LED

J2

Serial port 1

CN6

IR connector

J3

Parallel port

CN7

Volume control connector

J4

USB connector 1

CN8

Chassis alarm

J5

USB connector 2

CN9

Chassis fan power

J6

PS/2 mouse port

CN10

Power fan

PFAN

Floppy drive interface

CN11

32-bit PCI slots

PC1 – PC5

IDE interface 2

CN12

CPU Slot 1

SL1

USER CONFIGURABLE SETTINGS

Function

Label

Position

»

Factory configured - do not alter

AUD

Unidentified

»

Battery test normal operation

BAT

Closed

 

Battery test test mode

BAT

Open

»

Flash BIOS write protect disabled

BBLK

Pins 1 & 2 closed

 

Flash BIOS write protect enabled

BBLK

Pins 2 & 3 closed

»

On board I/O enabled

IOEN

Pins 1 & 2 closed

 

On board I/O disabled

IOEN

Pins 2 & 3 closed

»

CMOS memory normal operation

RTC

Pins 2 & 3 closed

 

CMOS memory clear

RTC

Pins 1 & 2 closed

»

Factory configured - do not alter

VID

Unidentified

DIMM/DRAM CONFIGURATION

Size

Bank 0

Bank 1

Bank 2

8MB

(2) 1M x 36

None

None

8MB

None

None

(1) 1M x 64

16MB

(2) 2M x 36

None

None

16MB

(2) 1M x 36

(2) 1M x 36

None

16MB

None

None

(1) 2M x 64

16MB

(2) 1M x 36

None

(1) 1M x 64

24MB

(2) 2M x 36

(2) 1M x 36

None

24MB

(2) 1M x 36

None

(1) 2M x 64

24MB

(2) 2M x 36

None

(1) 1M x 64

32MB

(2) 4M x 36

None

None

32MB

(2) 2M x 36

(2) 2M x 36

None

32MB

None

None

(1) 4M x 64

DIMM/DRAM CONFIGURATION (CON’T)

Size

Bank 0

Bank 1

Bank 2

32MB

(2) 2M x 36

None

(1) 2M x 64

40MB

(2) 4M x 36

(2) 1M x 36

None

40MB

(2) 1M x 36

None

(1) 4M x 64

40MB

(2) 4M x 36

None

(1) 1M x 64

48MB

(2) 4M x 36

(2) 2M x 36

None

48MB

(2) 2M x 36

None

(1) 4M x 64

48MB

(2) 4M x 36

None

(1) 2M x 64

64MB

(2) 8M x 36

None

None

64MB

(2) 4M x 36

(2) 4M x 36

None

64MB

None

None

(1) 8M x 64

64MB

(2) 4M x 36

None

(1) 4M x 64

72MB

(2) 8M x 36

(2) 1M x 36

None

72MB

(2) 1M x 36

None

(1) 8M x 64

72MB

(2) 8M x 36

None

(1) 1M x 64

80MB

(2) 8M x 36

(2) 2M x 36

None

80MB

(2) 2M x 36

None

(1) 8M x 64

80MB

(2) 8M x 36

None

(1) 2M x 64

96MB

(2) 8M x 36

(2) 4M x 36

None

96MB

(2) 4M x 36

None

(1) 8M x 64

96MB

(2) 8M x 36

None

(1) 4M x 64

128MB

(2) 16M x 36

None

None

128MB

(2) 8M x 36

(2) 8M x 36

None

128MB

(2) 8M x 36

None

(1) 8M x 64

136MB

(2) 16M x 36

None

(1) 1M x 64

144MB

(2) 16M x 36

None

(1) 2M x 64

144MB

(2) 16M x 36

(2) 2M x 36

None

160MB

(2) 16M x 36

None

(1) 4M x 64

160MB

(2) 16M x 36

(2) 4M x 36

None

192MB

(2) 16M x 36

None

(1) 8M x 64

192MB

(2) 16M x 36

(2) 8M x 36

None

256MB

(2) 16M x 36

(2) 16M x 36

None

384MB

(2) 16M x 36

(2) 16M x 36

(1) 16M x 64

Note: Board accepts EDO memory. The location of banks 0 & 1 is unidentified.

CACHE CONFIGURATION

Note: 256KB/512KB cache is located on the Pentium II CPU.

CPU SPEED SELECTION

CPU speed

Clock speed

Multiplier

FS0

FS1

BF0

233MHz

66MHz

3.5x

2 & 3

1 & 2

Open

266MHz

66MHz

4x

2 & 3

1 & 2

Closed

CPU SPEED SELECTION (CON’T)

CPU speed

Clock speed

Multiplier

BF1

BF2

BF3

233MHz

66MHz

3.5x

Open

Closed

Closed

266MHz

66MHz

4x

Closed

Open

Closed