ASUS COMPUTER INTERNATIONAL

SP98AGP-X (VER. 1.01)

Device Type

Mainboard

Processor

CX 6X86/IBM 6X86/CX 686MX/IBM 6X86MX/AM K5/

AM K6/Pentium/Pentium MMX

Processor Speed

90/100/120/133/150/166/200/233/266/300MHz

Chip Set

SIS

Video Chip Set

None

Maximum Onboard Memory

768MB (EDO & SDRAM supported)

Maximum Video Memory

None

Cache

512/1024KB

BIOS

Unidentified

Dimensions

305mm x 244mm

I/O Options

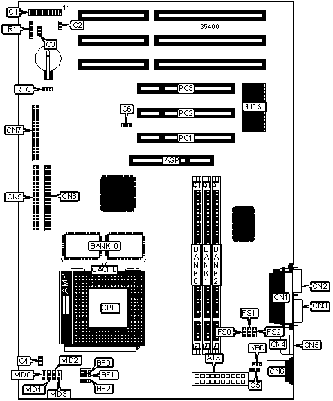
32-bit PCI slots (3), floppy drive interface, green PC connector, IDE interfaces (2), parallel port, PS/2 mouse port, serial ports (2), IR connector, USB connectors (2), ATX power connector, AGP slot

NPU Options

None

CONNECTIONS

Purpose

Location

Purpose

Location

AGP slot

AGP

Wake on LAN connector

C6

ATX power connector

ATX

Parallel port

CN1

Power LED & keylock

C1/pins 1 - 5

Serial port 2

CN2

Speaker

C1/pins 7 - 10

Serial port 1

CN3

Message LED

C1/pins 12 & 13

USB connector 1

CN4

Green PC connector

C1/pins 14 & 15

USB connector 2

CN5

Soft off power supply

C1/pins 16 & 17

PS/2 mouse port

CN6

Reset switch

C1/pins 19 & 20

Floppy drive interface

CN7

IDE interface LED

C2

IDE interface 2

CN8

Chassis fan power

C3

IDE interface 1

CN9

CPU fan power

C4

IR connector

IR1

Chassis fan power

C5

32-bit PCI slots

PC1 – PC3

USER CONFIGURABLE SETTINGS

Function

Label

Position

»

Keyboard power select 5v

KBD

Pins 1 & 2 closed

 

Keyboard power select 5v SB

KBD

Pins 2 & 3 closed

»

CMOS memory normal operation

RTC

Pins 1 & 2 closed

 

CMOS memory clear

RTC

Pins 2 & 3 closed

DIMM CONFIGURATION

Size

Bank 0

Bank 1

Bank 2

8MB

(1) 1M x 64

None

None

16MB

(1) 1M x 64

(1) 1M x 64

None

16MB

(1) 2M x 64

None

None

24MB

(1) 1M x 64

(1) 1M x 64

(1) 1M x 64

32MB

(1) 2M x 64

(1) 2M x 64

None

32MB

(1) 4M x 64

None

None

48MB

(1) 2M x 64

(1) 2M x 64

(1) 2M x 64

64MB

(1) 4M x 64

(1) 4M x 64

None

64MB

(1) 8M x 64

None

None

96MB

(1) 4M x 64

(1) 4M x 64

(1) 4M x 64

128MB

(1) 8M x 64

(1) 8M x 64

None

128MB

(1) 16M x 64

None

None

136MB

(1) 16M x 64

(1) 1M x 64

None

144MB

(1) 16M x 64

(1) 1M x 64

(1) 1M x 64

144MB

(1) 16M x 64

(1) 2M x 64

None

DIMM CONFIGURATION (CON’T)

Size

Bank 0

Bank 1

Bank 2

160MB

(1) 16M x 64

(1) 2M x 64

(1) 2M x 64

160MB

(1) 16M x 64

(1) 4M x 64

None

192MB

(1) 16M x 64

(1) 4M x 64

(1) 4M x 64

192MB

(1) 16M x 64

(1) 8M x 64

None

192MB

(1) 8M x 64

(1) 8M x 64

(1) 8M x 64

256MB

(1) 16M x 64

(1) 8M x 64

(1) 8M x 64

256MB

(1) 16M x 64

(1) 16M x 64

None

256MB

(1) 32M x 64

None

None

264MB

(1) 32M x 64

(1) 1M x 64

None

272MB

(1) 32M x 64

(1) 1M x 64

(1) 1M x 64

272MB

(1) 32M x 64

(1) 2M x 64

None

288MB

(1) 32M x 64

(1) 2M x 64

(1) 2M x 64

288MB

(1) 32M x 64

(1) 4M x 64

None

320MB

(1) 32M x 64

(1) 4M x 64

(1) 4M x 64

320MB

(1) 32M x 64

(1) 8M x 64

None

384MB

(1) 32M x 64

(1) 8M x 64

(1) 8M x 64

384MB

(1) 32M x 64

(1) 16M x 64

None

384MB

(1) 16M x 64

(1) 16M x 64

(1) 16M x 64

512MB

(1) 32M x 64

(1) 16M x 64

(1) 16M x 64

512MB

(1) 32M x 64

(1) 32M x 64

None

768MB

(1) 32M x 64

(1) 32M x 64

(1) 32M x 64

Note: Board accepts EDO & SDRAM memory.

CACHE CONFIGURATION

Size

Bank 0

512KB

(2) 64K x 32

1MB

(2) 128K x 32

CPU SPEED SELECTION (CX 6X86)

CPU speed

Clock speed

Multiplier

BF0

BF1

BF2

FS0

FS1

FS2

166MHz

66MHz

2x

2 & 3

1 & 2

1 & 2

1 & 2

2 & 3

2 & 3

Note: Pins designated should be in the closed position.

CPU SPEED SELECTION (IBM 6X86)

CPU speed

Clock speed

Multiplier

BF0

BF1

BF2

FS0

FS1

FS2

166MHz

66MHz

2x

2 & 3

1 & 2

1 & 2

1 & 2

2 & 3

2 & 3

Note: Pins designated should be in the closed position.

CPU SPEED SELECTION (CX 6X86MX)

CPU speed

Clock speed

Multiplier

BF0

BF1

BF2

FS0

FS1

FS2

166MHz

60MHz

2.5x

2 & 3

2 & 3

1 & 2

2 & 3

2 & 3

2 & 3

200MHz

66MHz

2.5x

2 & 3

2 & 3

1 & 2

1 & 2

2 & 3

2 & 3

233MHz

66MHz

3x

1 & 2

2 & 3

1 & 2

1 & 2

2 & 3

2 & 3

Note: Pins designated should be in the closed position.

CPU SPEED SELECTION (IBM 6X86MX)

CPU speed

Clock speed

Multiplier

BF0

BF1

BF2

FS0

FS1

FS2

166MHz

60MHz

2.5x

2 & 3

2 & 3

1 & 2

2 & 3

2 & 3

2 & 3

200MHz

66MHz

2.5x

2 & 3

2 & 3

1 & 2

1 & 2

2 & 3

2 & 3

233MHz

66MHz

3x

1 & 2

2 & 3

1 & 2

1 & 2

2 & 3

2 & 3

Note: Pins designated should be in the closed position.

CPU SPEED SELECTION (AM K5)

CPU speed

Clock speed

Multiplier

BF0

BF1

BF2

FS0

FS1

FS2

90MHz

60MHz

1.5x

1 & 2

1 & 2

1 & 2

2 & 3

2 & 3

2 & 3

100MHz

66MHz

1.5x

1 & 2

1 & 2

1 & 2

1 & 2

2 & 3

2 & 3

120MHz

60MHz

1.5x

1 & 2

1 & 2

1 & 2

2 & 3

2 & 3

2 & 3

133MHz

66MHz

1.5x

1 & 2

1 & 2

1 & 2

1 & 2

2 & 3

2 & 3

Note: Pins designated should be in the closed position.

CPU SPEED SELECTION (AM K6)

CPU speed

Clock speed

Multiplier

BF0

BF1

BF2

FS0

FS1

FS2

166MHz

66MHz

2.5x

2 & 3

2 & 3

1 & 2

1 & 2

2 & 3

2 & 3

200MHz

66MHz

3x

1 & 2

2 & 3

1 & 2

1 & 2

2 & 3

2 & 3

233MHz

66MHz

3.5x

1 & 2

1 & 2

1 & 2

1 & 2

2 & 3

2 & 3

266MHz

66MHz

4x

2 & 3

1 & 2

2 & 3

1 & 2

2 & 3

2 & 3

300MHz

66MHz

4.5x

2 & 3

2 & 3

2 & 3

1 & 2

2 & 3

2 & 3

Note: Pins designated should be in the closed position.

CPU SPEED SELECTION (INTEL)

CPU speed

Clock speed

Multiplier

BF0

BF1

BF2

FS0

FS1

FS2

90MHz

60MHz

1.5x

1 & 2

1 & 2

1 & 2

2 & 3

2 & 3

2 & 3

100MHz

66MHz

1.5x

1 & 2

1 & 2

1 & 2

1 & 2

2 & 3

2 & 3

120MHz

60MHz

2x

2 & 3

1 & 2

1 & 2

2 & 3

2 & 3

2 & 3

133MHz

66MHz

2x

2 & 3

1 & 2

1 & 2

1 & 2

2 & 3

2 & 3

150MHz

60MHz

2.5x

2 & 3

2 & 3

1 & 2

2 & 3

2 & 3

2 & 3

166MHz

66MHz

2.5x

2 & 3

2 & 3

1 & 2

1 & 2

2 & 3

2 & 3

Note: Pins designated should be in the closed position.

CPU SPEED SELECTION (INTEL MMX)

CPU speed

Clock speed

Multiplier

BF0

BF1

BF2

FS0

FS1

FS2

166MHz

66MHz

2.5x

2 & 3

2 & 3

1 & 2

1 & 2

2 & 3

2 & 3

200MHz

66MHz

3x

1 & 2

2 & 3

1 & 2

1 & 2

2 & 3

2 & 3

233MHz

66MHz

3.5x

1 & 2

1 & 2

1 & 2

1 & 2

2 & 3

2 & 3

Note: Pins designated should be in the closed position.

CPU VOLTAGE SELECTION (SINGLE)

Voltage

VID0

VID1

VID2

VID3

3.4v

Pins 2 & 3 closed

Pins 1 & 2 closed

Pins 1 & 2 closed

Pins 1 & 2 closed

3.5v

Pins 1 & 2 closed

Pins 1 & 2 closed

Pins 1 & 2 closed

Pins 1 & 2 closed

CPU VOLTAGE SELECTION (DUAL)

Voltage

VID0

VID1

VID2

VID3

2.2v

Pins 2 & 3 closed

Pins 2 & 3 closed

Pins 1 & 2 closed

Pins 2 & 3 closed

2.8v

Pins 2 & 3 closed

Pins 2 & 3 closed

Pins 2 & 3 closed

Pins 1 & 2 closed

2.9v

Pins 1 & 2 closed

Pins 2 & 3 closed

Pins 2 & 3 closed

Pins 1 & 2 closed

3.2v

Pins 2 & 3 closed

Pins 2 & 3 closed

Pins 1 & 2 closed

Pins 1 & 2 closed