ACER, INC.

AX6F

Device Type

Mainboard

Processor

Pentium II

Processor Speed

200/233/266MHz

Chip Set

Intel

Video Chip Set

None

Maximum Onboard Memory

512MB (EDO supported)

Maximum Video Memory

None

Cache

256/512KB (located on Pentium II CPU)

BIOS

Award

Dimensions

305mm x 244mm

I/O Options

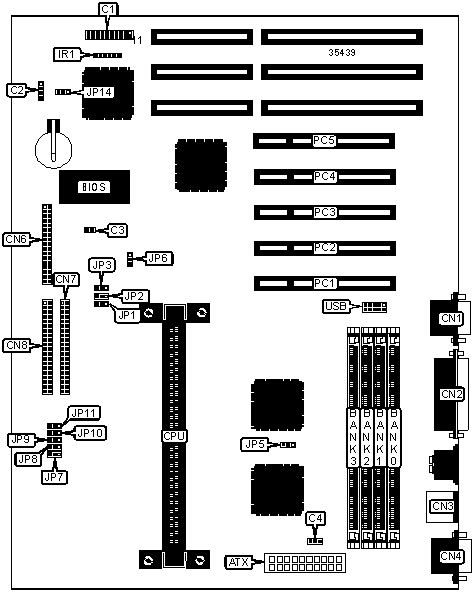
32-bit PCI slots (5), floppy drive interface, green PC connector, IDE interfaces (2), parallel port, PS/2 mouse port, serial ports (2), IR connector, USB connectors (2), ATX power connector

NPU Options

None

CONNECTIONS

Purpose

Location

Purpose

Location

ATX power connector

ATX

Parallel port

CN2

Power LED & keylock

C1/pins 1 - 5

PS/2 mouse port

CN3

Speaker

C1/pins 7 - 10

Serial port 1

CN4

Green PC LED

C1/pins 12 & 13

Floppy drive interface

CN6

Green PC connector

C1/pins 15 - 17

IDE interface 1

CN7

Reset switch

C1/pins 19 & 20

IDE interface 2

CN8

IDE interface LED

C2

IR connector

IR1

Soft off power supply

C3

32-bit PCI slots

PC1 - PC5

CPU fan power

C4

USB connector

USB

Serial port 2

CN1

   

USER CONFIGURABLE SETTINGS

Function

Label

Position

»

Factory configured - do not alter

JP7

Open

»

Factory configured - do not alter

JP8

Open

»

Factory configured - do not alter

JP9

Open

»

Factory configured - do not alter

JP10

Open

»

Factory configured - do not alter

JP11

Open

»

CMOS memory normal operation

JP14

Pins 1 & 2 closed

 

CMOS memory clear

JP14

Pins 2 & 3 closed

SIMM CONFIGURATION

Size

Bank 0

Bank 1

Bank 2

Bank 3

8MB

(2) 1M x 36

None

None

None

16MB

(2) 2M x 36

None

None

None

16MB

(2) 1M x 36

(2) 1M x 36

None

None

24MB

(2) 2M x 36

(2) 1M x 36

None

None

24MB

(2) 1M x 36

(2) 1M x 36

(2) 1M x 36

None

32MB

(2) 4M x 36

None

None

None

32MB

(2) 2M x 36

(2) 2M x 36

None

None

32MB

(2) 1M x 36

(2) 1M x 36

(2) 1M x 36

(2) 1M x 36

40MB

(2) 4M x 36

(2) 1M x 36

None

None

48MB

(2) 4M x 36

(2) 2M x 36

None

None

48MB

(2) 2M x 36

(2) 2M x 36

(2) 2M x 36

None

64MB

(2) 2M x 36

(2) 2M x 36

(2) 2M x 36

(2) 2M x 36

64MB

(2) 8M x 36

None

None

None

SIMM CONFIGURATION (CON'T)

Size

Bank 0

Bank 1

Bank 2

Bank 3

64MB

(2) 4M x 36

(2) 4M x 36

None

None

72MB

(2) 8M x 36

(2) 1M x 36

None

None

80MB

(2) 8M x 36

(2) 2M x 36

None

None

96MB

(2) 8M x 36

(2) 4M x 36

None

None

96MB

(2) 4M x 36

(2) 4M x 36

(2) 4M x 36

None

128MB

(2) 16M x 36

None

None

None

128MB

(2) 8M x 36

(2) 8M x 36

None

None

128MB

(2) 4M x 36

(2) 4M x 36

(2) 4M x 36

(2) 4M x 36

136MB

(2) 16M x 36

(2) 1M x 36

None

None

144MB

(2) 16M x 36

(2) 2M x 36

None

None

152MB

(2) 16M x 36

(2) 1M x 36

(2) 1M x 36

(2) 1M x 36

160MB

(2) 16M x 36

(2) 4M x 36

None

None

176MB

(2) 16M x 36

(2) 2M x 36

(2) 2M x 36

(2) 2M x 36

192MB

(2) 16M x 36

(2) 8M x 36

None

None

192MB

(2) 8M x 36

(2) 8M x 36

(2) 8M x 36

None

224MB

(2) 16M x 36

(2) 4M x 36

(2) 4M x 36

(2) 4M x 36

256MB

(2) 16M x 36

(2) 16M x 36

None

None

256MB

(2) 8M x 36

(2) 8M x 36

(2) 8M x 36

(2) 8M x 36

272MB

(2) 16M x 36

(2) 16M x 36

(2) 1M x 36

(2) 1M x 36

288MB

(2) 16M x 36

(2) 16M x 36

(2) 2M x 36

(2) 2M x 36

320MB

(2) 16M x 36

(2) 16M x 36

(2) 4M x 36

(2) 4M x 36

320MB

(2) 16M x 36

(2) 8M x 36

(2) 8M x 36

(2) 8M x 36

384MB

(2) 16M x 36

(2) 16M x 36

(2) 16M x 36

None

512MB

(2) 16M x 36

(2) 16M x 36

(2) 16M x 36

(2) 16M x 36

Note: Board accepts EDO memory.

CACHE CONFIGURATION

Note: 256KB/512KB cache is located on the Pentium II CPU.

CPU SPEED SELECTION

CPU speed

Clock speed

Multiplier

JP1

JP2

JP3

JP5

JP6

200MHz

66MHz

3x

1 & 2

2 & 3

1 & 2

1 & 2

1 & 2

233MHz

66MHz

3.5x

1 & 2

2 & 3

2 & 3

1 & 2

1 & 2

266MHz

66MHz

4x

2 & 3

1 & 2

1 & 2

1 & 2

1 & 2

Note: Pins designated should be in the closed position.