BIOSTAR MICROTECH INTERNATIONAL CORPORATION
M5ALA
|
Device Type |
Mainboard |
|
Processor |
CX 6X86/CX 6X86L/CX MII/AM K5/AM K6/AM K6-2/ IDT C6/Pentium/Pentium MMX |
|
Processor Speed |
120/133/150/166/180/200/233/250/266/300/333MHz |
|
Chip Set |
ALI Aladdin 5 |
|
Maximum Onboard Memory |
128MB (EDO & SDRAM supported) |
|
Cache |
512KB |
|
BIOS |
Award |
|
Dimensions |
300mm x 200mm |
|
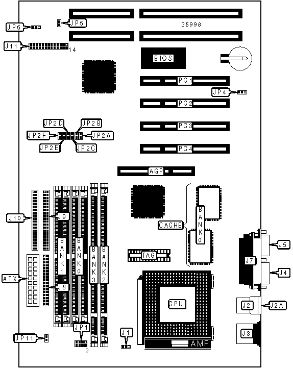
I/O Options |
32-bit PCI slots (4), floppy drive interface, green PC connector, IDE interfaces (2), parallel port, PS/2 mouse port, serial ports (2), IR connector, USB connectors (2), ATX power connector, AGP slot, wake on LAN connector |
|
CONNECTIONS | |||
|
Purpose |
Location |
Purpose |
Location |
|
AGP slot |
AGP |
IDE interface 2 |
J9 |
|
ATX power connector |
ATX |
IDE interface 1 |
J10 |
|
CPU fan power |
J1 |
Speaker |
J11/pins 1 – 4 |
|
USB connector 1 |
J2 |
Power LED & keylock |
J11/pins 5 - 10 |
|
USB connector 2 |
J2A |
Soft off power supply |
J11/pins 10 & 11 |
|
PS/2 mouse port |
J3 |
Reset switch |
J11/pins 12 & 13 |
|
Serial port 1 |
J4 |
5V ground |
J11/pins 14 & 15 |
|
Serial port 2 |
J5 |
Green PC connector |
J11/pins 17 & 18 |
|
Wake on LAN connector |
J6 |
IDE interface LED |
J11/pins 20 & 21 |
|
Parallel port |
J7 |
IR connector |
J11/pins 22 - 26 |
|
Floppy drive interface |
J8 |
32-bit PCI slots |
PC1 – PC4 |
|
Note: The location of J6 is unidentified. | |||
|
USER CONFIGURABLE SETTINGS | |||
|
Function |
Label |
Position | |
|
» |
CMOS memory normal operation |
JP4 |
Pins 1 & 2 closed |
|
CMOS memory clear |
JP4 |
Pins 2 & 3 closed | |
|
On board battery disabled |
JP4 |
Open | |
|
» |
Factory configured - do not alter |
JP5 |
Unidentified |
|
» |
Factory configured - do not alter |
JP6 |
Unidentified |
|
SIMM CONFIGURATION | ||
|
Size |
Bank 0 |
Bank 1 |
|
8MB |
(2) 1M x 36 |
None |
|
16MB |
(2) 2M x 36 |
None |
|
16MB |
(2) 1M x 36 |
(2) 1M x 36 |
|
24MB |
(2) 2M x 36 |
(2) 1M x 36 |
|
32MB |
(2) 4M x 36 |
None |
|
32MB |
(2) 2M x 36 |
(2) 2M x 36 |
|
40MB |
(2) 4M x 36 |
(2) 1M x 36 |
|
48MB |
(2) 4M x 36 |
(2) 2M x 36 |
|
64MB |
(2) 8M x 36 |
None |
|
64MB |
(2) 4M x 36 |
(2) 4M x 36 |
|
72MB |
(2) 8M x 36 |
(2) 1M x 36 |
|
80MB |
(2) 8M x 36 |
(2) 2M x 36 |
|
96MB |
(2) 8M x 36 |
(2) 4M x 36 |
|
128MB |
(2) 8M x 36 |
(2) 8M x 36 |
|
DIMM CONFIGURATION | ||
|
Size |
Bank 2 |
Bank 3 |
|
8MB |
(1) 1M x 64 |
None |
|
16MB |
(1) 2M x 64 |
None |
|
16MB |
(1) 1M x 64 |
(1) 1M x 64 |
|
24MB |
(1) 2M x 64 |
(1) 1M x 64 |
|
32MB |
(1) 4M x 64 |
None |
|
32MB |
(1) 2M x 64 |
(1) 2M x 64 |
|
40MB |
(1) 4M x 64 |
(1) 1M x 64 |
|
48MB |
(1) 4M x 64 |
(1) 2M x 64 |
|
64MB |
(1) 8M x 64 |
None |
|
64MB |
(1) 4M x 64 |
(1) 4M x 64 |
|
72MB |
(1) 8M x 64 |
(1) 1M x 64 |
|
80MB |
(1) 8M x 64 |
(1) 2M x 64 |
|
96MB |
(1) 8M x 64 |
(1) 4M x 64 |
|
128MB |
(1) 8M x 64 |
(1) 8M x 64 |
|
Note: Board accepts SDRAM memory. | ||
|
CACHE CONFIGURATION | ||
|
Size |
Bank 0 |
TAG |
|
512KB |
(2) 64K x 32 |
Unidentified |
|
CPU SPEED SELECTION (CX 6X86) | ||||||||
|
CPU speed |
Clock speed |
Multiplier |
JP2A |
JP2B |
JP2C |
JP2D |
JP2E |
JP2F |
|
150MHz |
60MHz |
2x |
Closed |
Closed |
Closed |
Closed |
Open |
Open |
|
166MHz |
66MHz |
2x |
Open |
Closed |
Closed |
Closed |
Open |
Open |
|
200MHz |
75MHz |
2x |
Closed |
Closed |
Open |
Closed |
Open |
Open |
|
CPU SPEED SELECTION (CX 6X86L) | ||||||||
|
CPU speed |
Clock speed |
Multiplier |
JP2A |
JP2B |
JP2C |
JP2D |
JP2E |
JP2F |
|
150MHz |
60MHz |
2x |
Closed |
Closed |
Closed |
Closed |
Open |
Open |
|
166MHz |
66MHz |
2x |
Open |
Closed |
Closed |
Closed |
Open |
Open |
|
200MHz |
75MHz |
2x |
Closed |
Closed |
Open |
Closed |
Open |
Open |
|
CPU SPEED SELECTION (CX MII) | ||||||||
|
CPU speed |
Clock speed |
Multiplier |
JP2A |
JP2B |
JP2C |
JP2D |
JP2E |
JP2F |
|
150MHz |
60MHz |
2x |
Closed |
Closed |
Closed |
Closed |
Open |
Open |
|
166MHz |
66MHz |
2x |
Open |
Closed |
Closed |
Closed |
Open |
Open |
|
166MHz |
60MHz |
2.5x |
Closed |
Closed |
Closed |
Closed |
Closed |
Open |
|
200MHz |
75MHz |
2x |
Closed |
Closed |
Open |
Closed |
Open |
Open |
|
200MHz |
66MHz |
2.5x |
Open |
Closed |
Closed |
Closed |
Closed |
Open |
|
233MHz |
83MHz |
2x |
Open |
Closed |
Open |
Closed |
Open |
Open |
|
200MHz |
60MHz |
3x |
Closed |
Closed |
Closed |
Open |
Closed |
Open |
|
233MHz |
75MHz |
2.5x |
Closed |
Closed |
Open |
Closed |
Closed |
Open |
|
233MHz |
66MHz |
3x |
Open |
Closed |
Closed |
Open |
Closed |
Open |
|
266MHz |
83MHz |
2.5x |
Open |
Closed |
Open |
Closed |
Closed |
Open |
|
300MHz |
75MHz |
3x |
Closed |
Closed |
Open |
Open |
Closed |
Open |
|
300MHz |
66MHz |
3.5x |
Open |
Closed |
Closed |
Open |
Open |
Open |
|
333MHz |
75MHz |
3.5x |
Closed |
Closed |
Open |
Open |
Open |
Open |
|
CPU SPEED SELECTION (IDT C6) | ||||||||
|
CPU speed |
Clock speed |
Multiplier |
JP2A |
JP2B |
JP2C |
JP2D |
JP2E |
JP2F |
|
180MHz |
60MHz |
3x |
Closed |
Closed |
Closed |
Open |
Closed |
Open |
|
200MHz |
66MHz |
3x |
Open |
Closed |
Closed |
Open |
Closed |
Open |
|
CPU SPEED SELECTION (AM K5) | ||||||||
|
CPU speed |
Clock speed |
Multiplier |
JP2A |
JP2B |
JP2C |
JP2D |
JP2E |
JP2F |
|
120MHz |
60MHz |
2x |
Closed |
Closed |
Closed |
Closed |
Open |
Open |
|
133MHz |
66MHz |
2x |
Open |
Closed |
Closed |
Closed |
Open |
Open |
|
166MHz |
66MHz |
2x |
Open |
Closed |
Closed |
Closed |
Open |
Open |
|
200MHz |
66MHz |
3x |
Open |
Closed |
Closed |
Open |
Closed |
Open |
|
CPU SPEED SELECTION (AM K6) | ||||||||
|
CPU speed |
Clock speed |
Multiplier |
JP2A |
JP2B |
JP2C |
JP2D |
JP2E |
JP2F |
|
166MHz |
66MHz |
2.5x |
Open |
Closed |
Closed |
Closed |
Closed |
Open |
|
200MHz |
66MHz |
3x |
Open |
Closed |
Closed |
Open |
Closed |
Open |
|
233MHz |
66MHz |
3.5x |
Open |
Closed |
Closed |
Open |
Open |
Open |
|
266MHz |
66MHz |
4x |
Open |
Closed |
Closed |
Closed |
Open |
Closed |
|
300MHz |
66MHz |
4.5x |
Open |
Closed |
Closed |
Closed |
Closed |
Closed |
|
CPU SPEED SELECTION (AM K6-2) | ||||||||
|
CPU speed |
Clock speed |
Multiplier |
JP2A |
JP2B |
JP2C |
JP2D |
JP2E |
JP2F |
|
250MHz |
100MHz |
2.5x |
Open |
Open |
Open |
Closed |
Closed |
Open |
|
300MHz |
100MHz |
3x |
Open |
Open |
Open |
Open |
Closed |
Open |
|
333MHz |
95MHz |
3.5x |
Closed |
Open |
Open |
Open |
Open |
Open |
|
CPU SPEED SELECTION (INTEL) | ||||||||
|
CPU speed |
Clock speed |
Multiplier |
JP2A |
JP2B |
JP2C |
JP2D |
JP2E |
JP2F |
|
120MHz |
60MHz |
2x |
Closed |
Closed |
Closed |
Closed |
Open |
Open |
|
133MHz |
66MHz |
2x |
Open |
Closed |
Closed |
Closed |
Open |
Open |
|
150MHz |
60MHz |
2.5x |
Closed |
Closed |
Closed |
Closed |
Closed |
Open |
|
166MHz |
66MHz |
2.5x |
Open |
Closed |
Closed |
Closed |
Closed |
Open |
|
200MHz |
66MHz |
3x |
Open |
Closed |
Closed |
Open |
Closed |
Open |
|
CPU SPEED SELECTION (INTEL MMX) | ||||||||
|
CPU speed |
Clock speed |
Multiplier |
JP2A |
JP2B |
JP2C |
JP2D |
JP2E |
JP2F |
|
166MHz |
66MHz |
2.5x |
Open |
Closed |
Closed |
Closed |
Closed |
Open |
|
200MHz |
66MHz |
3x |
Open |
Closed |
Closed |
Open |
Closed |
Open |
|
233MHz |
66MHz |
3.5x |
Open |
Closed |
Closed |
Open |
Open |
Open |
|
CPU VOLTAGE SELECTION (SINGLE) | ||
|
Voltage |
JP1 |
JP11 |
|
3.5v |
Pins 1 & 2, 3 & 4, 5 & 6, 7 & 8 closed |
Open |
|
CPU VOLTAGE SELECTION (DUAL) | |||
|
Voltage |
V core |
JP1 |
JP11 |
|
3.3v |
2.1v |
Pins 1 & 2 closed |
Open |
|
3.3v |
2.2v |
Pins 3 & 4 closed |
Open |
|
3.3v |
2.8v |
Pins 7 & 8 closed |
Open |
|
3.3v |
2.9v |
Pins 1 & 2 closed |
Open |
|
3.3v |
3.2v |
Pins 5 & 6, 7 & 8 closed |
Open |
|
3.3v |
3.3v |
Pins 1 & 2, 5 & 6, 7 & 8 closed |
Open |
|
3.45v |
2.2v |
Pins 3 & 4 closed |
Open |