DIGITAL EQUIPMENT CORPORATION

P3100CE

Processor

8088

Processor Speed

4.77/10MHz

Chip Set

Unidentified

Video Chip Set

None

Maximum Onboard Memory

768KB

Maximum Video Memory

None

Cache

None

BIOS

Unidentified

Dimensions

240mm x 185mm

I/O Options

Floppy drive interface, IDE interface, parallel port, serial ports (2)

NPU Options

8087

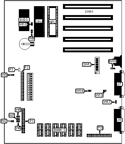
CONNECTIONS

Purpose

Location

Purpose

Location

Parallel port

J7

IDE interface

P2

Serial port 1

J8

Serial port 2

P5

Floppy drive interface

P1

   

USER CONFIGURABLE SETTINGS

Function

Label

Position

»

Factory configured - do not alter

P1

Unidentified

 

NPU not installed

SW1/1

On

 

NPU installed

SW1/1

Off

 

One floppy drive installed

SW1/2

On

 

Two floppy drives installed

SW1/2

Off

 

Parity chips installed

SW1/3

On

 

Parity chips not installed

SW1/3

Off

 

Monitor type select monochrome

SW1/4

On

 

Monitor type select color

SW1/4

Off

 

Parallel port enabled

SW1/5

Off

 

Parallel port disabled

SW1/5

On

 

Serial port 2 enabled

SW1/6

Off

 

Serial port 2 disabled

SW1/6

On

 

Serial port 1 enabled

SW1/7

Off

 

Serial port 1 disabled

SW1/7

On

 

IDE interface enabled

SW1/8

Off

 

IDE interface disabled

SW1/8

On

»

Support for non standard floppy drive disabled

W2

Closed

 

Support for non standard floppy drive enabled

W2

Open

»

Floppy drive signal operation enabled

W6

Closed

 

Floppy drive signal operation disabled

W6

Open

 

Floppy drive motor type select dual speed spindle

W7

Closed

 

Floppy drive motor type select single speed spindle

W7

Open

»

Floppy drive pre-compensation mode 125ns

W8

Open

 

Floppy drive pre-compensation mode 187ns

W8

Closed

»

Direction controlled by the connected device via SLCT-N line

W13

Open

 

Direction controlled internally

W13

Closed

»

Parallel port bidirectional disabled

W14

Open

 

Parallel port bidirectional enabled

W14

Closed

»

Test mode enabled

W17

Open

 

Test mode disabled

W17

Closed

Note: W13 is used only if W14 is closed.

DRAM CONFIGURATION

Size

Bank 0

768KB

768KB

Note: The size of the memory chips is unidentified.

BIOS SELECTION

Size

W9

W10

 

2764

Open

Open

 

27128

Open

Open

»

27256

Open

Closed

 

27512

Closed

Closed

LOGIC GROUND SELECTION

Setting

W3

W16

Isolated from chassis ground

N/A

Open

Connected with chassis ground

Closed

Pins 2 & 3 closed

Connected to chassis through network

N/A

Pins 1 & 2 closed

Chassis ground connected depends on W16 setting

Open

N/A