FORCOM TECHNOLOGY CORPORATION

FT-1338A

Processor

80486SX/AM486DX/80486DX/AM486DX2/AM486DX2(WB)/ AM486DX2(WT)/80486DX2/AM486DX4/AM486DX4(WB)/ AM486DX4(WT(/80486DX4/CXM7/STM7/IBMM7/TIM7/CX5X86(WB)/ CX5X86(WT)/ST5X86(WB)/ST5X86(WT)/IBM5X86(WB)/IBM5X86(WT)/ TI5X86(WB)/TI5X86(WT)/ AM5X86(WB)/AM5X86(WT)

Processor Speed

25/33/40/50(internal)/50/66(internal)/75(internal)/100(internal)MHz

Chip Set

SIS

Video Chip Set

Cirrus Logic

Maximum Onboard Memory

128MB (EDO supported)

Maximum Video Memory

2MB

Cache

128/256/512KB

BIOS

Award

Dimensions

220mm x 220mm

I/O Options

Floppy drive interface, green PC connector, IDE interfaces (2), parallel port, PS/2 mouse interface, serial ports (2), VGA feature connector, VGA port, riser slot, IR connector

NPU Options

None

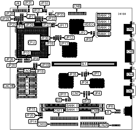
CONNECTIONS

Purpose

Location

Purpose

Location

PS/2 mouse interface

CN2A

External battery

J1

Serial port 1

CN3

Green PC connector

J3

Serial port 2

CN4

Speaker

J4 pins 1/3/5/7

Parallel port

CN5

Reset switch

J4 pins 2 & 4

VGA port

CN6

IDE interface LED

J4 pins 6 & 8

IR connector

CN7

Power LED & keylock

J4 pins 11/13/15/17/19

VGA feature connector

CN8

Turbo LED

J4 pins 12 & 14

Floppy drive interface

CN9

Turbo switch

J4 pins 16/18/20

IDE interface 1

CN10

Riser slot

SL1

IDE interface 2

CN11

   

USER CONFIGURABLE SETTINGS

Function

Label

Position

»

Factory configured - do not alter

JP1

Unidentified

»

Factory configured - do not alter

JP2

Unidentified

»

On board video enabled

JP5

Pins 1 & 2 closed

 

On board video disabled

JP5

Pins 2 & 3 closed

»

CMOS memory normal operation

JP6

Pins 1 & 2 closed

 

CMOS memory clear

JP6

Pins 2 & 3 closed

»

Factory configured - do not alter

JP11

Unidentified

»

Factory configured - do not alter

JP12

Unidentified

 

Monitor type select color

JP14

Closed

 

Monitor type select monochrome

JP14

Open

»

Factory configured - do not alter

JP15

Unidentified

»

Power good signal detect from board

JP20

Pins 2 & 3 closed

 

Power good signal detect from power supply

JP20

Pins 1 & 2 closed

 

Buzzer enabled

JP31

Closed

 

Buzzer disabled

JP31

Open

»

Factory configured - do not alter

JP34

Unidentified

»

Factory configured - do not alter

JP35

Unidentified

DRAM CONFIGURATION

Size

Bank 0

Bank 1

1MB

(1) 256K x 36

None

2MB

(1) 512K x 36

None

2MB

(1) 256K x 36

(1) 256K x 36

3MB

(1) 512K x 36

(1) 256K x 36

4MB

(1) 1M x 36

None

4MB

(1) 512K x 36

(1) 512K x 36

DRAM CONFIGURATION (CON’T)

Size

Bank 0

Bank 1

5MB

(1) 1M x 36

(1) 256K x 36

6MB

(1) 1M x 36

(1) 512K x 36

8MB

(1) 2M x 36

None

8MB

(1) 1M x 36

(1) 1M x 36

9MB

(1) 2M x 36

(1) 256K x 36

10MB

(1) 2M x 36

(1) 512K x 36

12MB

(1) 2M x 36

(1) 1M x 36

16MB

(1) 4M x 36

None

16MB

(1) 2M x 36

(1) 2M x 36

17MB

(1) 4M x 36

(1) 256K x 36

18MB

(1) 4M x 36

(1) 512K x 36

20MB

(1) 4M x 36

(1) 1M x 36

24MB

(1) 4M x 36

(1) 2M x 36

32MB

(1) 8M x 36

None

32MB

(1) 4M x 36

(1) 4M x 36

33MB

(1) 8M x 36

(1) 256K x 36

34MB

(1) 8M x 36

(1) 512K x 36

36MB

(1) 8M x 36

(1) 1M x 36

40MB

(1) 8M x 36

(1) 2M x 36

48MB

(1) 8M x 36

(1) 4M x 36

64MB

(1) 8M x 36

(1) 8M x 36

64MB

(1) 16M x 36

None

128MB

(1) 16M x 36

(1) 16M x 36

Note: Board accepts EDO memory. Banks are interchangeable.

CACHE CONFIGURATION

Size

Bank 0

TAG

128KB

(4) 32K x 8

(1) 8K x 8

256KB

(4) 64K x 8

(1) 32K x 8

512KB

(4) 128K x 8

(1) 32K x 8

CACHE JUMPER CONFIGURATION

Size

JP18

JP19

128KB

Pins 1 & 2 closed

Pins 1 & 2 closed

256KB

Pins 1 & 2 closed

Pins 2 & 3 closed

512KB

Pins 2 & 3 closed

Pins 2 & 3 closed

VIDEO MEMORY CONFIGURATION

Size

Bank 0

Bank 1

Bank 2

512KB

512MB

None

None

1MB

512MB

512MB

None

2MB

512MB

512MB

1MB

CPU SPEED SELECTION

Speed

JP13

JP17

25MHz

Pins 1 & 2 closed

Open

33MHz

Pins 1 & 2 closed

Pins 1 & 2, 3 & 4 closed

40MHz

Pins 2 & 3 closed

Pins 1 & 2 closed

50iMHz

Pins 1 & 2 closed

Open

50MHz

Pins 2 & 3 closed

Pins 3 & 4 closed

66iMHz

Pins 1 & 2 closed

Pins 1 & 2, 3 & 4 closed

75iMHz

Pins 1 & 2 closed

Open

100iMHz

Pins 1 & 2 closed

Pins 1 & 2, 3 & 4 closed

CPU TYPE SELECTION

Type

JP7

JP8

JP9

JP10

JP16

80486SX

4 & 5

Open

2 & 3

Open

1 & 2

AM486DX

4 & 5

Open

1 & 2, 3 & 4

Open

1 & 2

80486DX

4 & 5

Open

1 & 2, 3 & 4

Open

1 & 2

AM486DX2

4 & 5

Open

1 & 2, 3 & 4

Open

1 & 2

AM486DX2 (V8B, WB, 2x)

4 & 5

4 & 5

1 & 2, 3 & 4

1 & 2, 3 & 4

1 & 2

AM486DX2 (V8B, WB, 3x)

4 & 5

4 & 5

1 & 2, 3 & 4

1 & 2, 3 & 4

1 & 2

AM486DX2 (V8B, WT, 2x)

4 & 5

4 & 5

1 & 2, 3 & 4

1 & 2, 3 & 4

1 & 2

AM486DX2 (V8B, WT, 3x)

4 & 5

4 & 5

1 & 2, 3 & 4

1 & 2, 3 & 4

1 & 2

AM486DX2 (V8T)

4 & 5

Open

1 & 2, 3 & 4

Open

1 & 2

80486DX2

4 & 5

Open

1 & 2, 3 & 4

Open

1 & 2

AM486DX4 (2x)

4 & 5

4 & 5

1 & 2, 3 & 4

3 & 4

1 & 2

AM486DX4 (3x)

4 & 5

4 & 5

1 & 2, 3 & 4

3 & 4

1 & 2

AM486DX4 (V8B, WB, 2x)

4 & 5

4 & 5

1 & 2, 3 & 4

1 & 2, 3 & 4

1 & 2

AM486DX4 (V8B, WB, 3x)

4 & 5

4 & 5

1 & 2, 3 & 4

1 & 2, 3 & 4

1 & 2

AM486DX4 (V8B, WT, 2x)

4 & 5

4 & 5

1 & 2, 3 & 4

1 & 2, 3 & 4

1 & 2

AM486DX4 (V8B, WT, 3x)

4 & 5

4 & 5

1 & 2, 3 & 4

1 & 2, 3 & 4

1 & 2

AM486DX4 (V8T)

4 & 5

Open

1 & 2, 3 & 4

Open

1 & 2

80486DX4 (2x)

4 & 5

4 & 5

1 & 2, 3 & 4

3 & 4

1 & 2

80486DX4 (2.5x)

4 & 5

4 & 5

1 & 2, 3 & 4

3 & 4

1 & 2

80486DX4 (3x)

4 & 5

4 & 5

1 & 2, 3 & 4

3 & 4

1 & 2

CX M7

4 & 5

2 & 3

1 & 2, 3 & 4

2 & 3

1 & 2

ST M7

4 & 5

2 & 3

1 & 2, 3 & 4

2 & 3

1 & 2

IBM M7

4 & 5

2 & 3

1 & 2, 3 & 4

2 & 3

1 & 2

TI M7

4 & 5

2 & 3

1 & 2, 3 & 4

2 & 3

1 & 2

CX 5X86 (WB, 2x)

4 & 5

4 & 5

1 & 2, 3 & 4

1 & 2, 3 & 4

1 & 2

CX 5X86 (WT, 2x)

4 & 5

4 & 5

1 & 2, 3 & 4

1 & 2, 3 & 4

1 & 2

CX 5X86 (WB, 3x)

4 & 5

4 & 5

1 & 2, 3 & 4

1 & 2, 3 & 4

1 & 2

CX 5X86 (WT, 3x)

4 & 5

4 & 5

1 & 2, 3 & 4

1 & 2, 3 & 4

1 & 2

ST 5X86 (WB, 2x)

4 & 5

4 & 5

1 & 2, 3 & 4

1 & 2, 3 & 4

1 & 2

ST 5X86 (WT, 2x)

4 & 5

4 & 5

1 & 2, 3 & 4

1 & 2, 3 & 4

1 & 2

CPU TYPE SELECTION (CON’T)

Type

JP7

JP8

JP9

JP10

JP16

ST 5X86 (WB, 3x)

4 & 5

4 & 5

1 & 2, 3 & 4

1 & 2, 3 & 4

1 & 2

ST 5X86 (WT, 3x)

4 & 5

4 & 5

1 & 2, 3 & 4

1 & 2, 3 & 4

1 & 2

IBM 5X86 (WB, 2x)

4 & 5

4 & 5

1 & 2, 3 & 4

1 & 2, 3 & 4

1 & 2

IBM 5X86 (WT, 2x)

4 & 5

4 & 5

1 & 2, 3 & 4

1 & 2, 3 & 4

1 & 2

IBM 5X86 (WB, 3x)

4 & 5

4 & 5

1 & 2, 3 & 4

1 & 2, 3 & 4

1 & 2

IBM 5X86 (WT, 3x)

4 & 5

4 & 5

1 & 2, 3 & 4

1 & 2, 3 & 4

1 & 2

TI 5X86 (WB, 2x)

4 & 5

4 & 5

1 & 2, 3 & 4

1 & 2, 3 & 4

1 & 2

TI 5X86 (WT, 2x)

4 & 5

4 & 5

1 & 2, 3 & 4

1 & 2, 3 & 4

1 & 2

TI 5X86 (WB, 3x)

4 & 5

4 & 5

1 & 2, 3 & 4

1 & 2, 3 & 4

1 & 2

TI 5X86 (WT, 3x)

4 & 5

4 & 5

1 & 2, 3 & 4

1 & 2, 3 & 4

1 & 2

AM 5X86 (WB, 3x)

4 & 5

4 & 5

1 & 2, 3 & 4

1 & 2, 3 & 4

1 & 2

AM 5X86 (WT, 4x)

4 & 5

4 & 5

1 & 2, 3 & 4

1 & 2, 3 & 4

1 & 2

AM 5X86 (WB, 3x)

4 & 5

4 & 5

1 & 2, 3 & 4

1 & 2, 3 & 4

1 & 2

AM 5X86 (WT, 4x)

4 & 5

4 & 5

1 & 2, 3 & 4

1 & 2, 3 & 4

1 & 2

Note: Pins designated should be in the closed position.

CPU TYPE SELECTION (CON’T)

Type

JP21

JP22

JP23

JP24

JP25

80486SX

Open

Open

Open

Open

Open

AM486DX

Open

Open

Open

Open

2 & 3

80486DX

Open

Open

Open

Open

2 & 3

AM486DX2

Open

Open

Open

Open

2 & 3

AM486DX2 (V8B, WB, 2x)

1 & 2

Open

2 & 3

2 & 3

2 & 3

AM486DX2 (V8B, WB, 3x)

1 & 2

Open

Open

2 & 3

2 & 3

AM486DX2 (V8B, WT, 2x)

1 & 2

Open

2 & 3

2 & 3

2 & 3

AM486DX2 (V8B, WT, 3x)

1 & 2

Open

Open

2 & 3

2 & 3

AM486DX2 (V8T)

Open

Open

Open

Open

2 & 3

80486DX2

Open

Open

Open

Open

2 & 3

AM486DX4 (2x)

Open

Open

2 & 3

Open

2 & 3

AM486DX4 (3x)

Open

Open

Open

Open

2 & 3

AM486DX4 (V8B, WB, 2x)

1 & 2

Open

2 & 3

2 & 3

2 & 3

AM486DX4 (V8B, WB, 3x)

1 & 2

Open

Open

2 & 3

2 & 3

AM486DX4 (V8B, WT, 2x)

1 & 2

Open

2 & 3

2 & 3

2 & 3

AM486DX4 (V8B, WT, 3x)

1 & 2

Open

Open

2 & 3

2 & 3

AM486DX4 (V8T)

Open

Open

Open

Open

2 & 3

80486DX4 (2x)

Open

Open

2 & 3

Open

2 & 3

80486DX4 (2.5x)

Open

Open

1 & 2

Open

2 & 3

80486DX4 (3x)

Open

Open

Open

Open

2 & 3

CX M7

2 & 3

2 & 3

Open

Open

2 & 3

ST M7

2 & 3

2 & 3

Open

Open

2 & 3

IBM M7

2 & 3

2 & 3

Open

Open

2 & 3

CPU TYPE SELECTION (CON’T)

Type

JP21

JP22

JP23

JP24

JP25

TI M7

2 & 3

2 & 3

Open

Open

2 & 3

CX 5X86 (WB, 2x)

1 & 2

Open

2 & 3

2 & 3

2 & 3

CX 5X86 (WT, 2x)

1 & 2

Open

2 & 3

2 & 3

2 & 3

CX 5X86 (WB, 3x)

1 & 2

Open

Open

2 & 3

2 & 3

CX 5X86 (WT, 3x)

1 & 2

Open

Open

2 & 3

2 & 3

ST 5X86 (WB, 2x)

1 & 2

Open

2 & 3

2 & 3

2 & 3

ST 5X86 (WT, 2x)

1 & 2

Open

2 & 3

2 & 3

2 & 3

ST 5X86 (WB, 3x)

1 & 2

Open

Open

2 & 3

2 & 3

ST 5X86 (WT, 3x)

1 & 2

Open

Open

2 & 3

2 & 3

IBM 5X86 (WB, 2x)

1 & 2

Open

2 & 3

2 & 3

2 & 3

IBM 5X86 (WT, 2x)

1 & 2

Open

2 & 3

2 & 3

2 & 3

IBM 5X86 (WB, 3x)

1 & 2

Open

Open

2 & 3

2 & 3

IBM 5X86 (WT, 3x)

1 & 2

Open

Open

2 & 3

2 & 3

TI 5X86 (WB, 2x)

1 & 2

Open

2 & 3

2 & 3

2 & 3

TI 5X86 (WT, 2x)

1 & 2

Open

2 & 3

2 & 3

2 & 3

TI 5X86 (WB, 3x)

1 & 2

Open

Open

2 & 3

2 & 3

TI 5X86 (WT, 3x)

1 & 2

Open

Open

2 & 3

2 & 3

AM 5X86 (WB, 3x)

1 & 2

Open

Open

2 & 3

2 & 3

AM 5X86 (WT, 4x)

1 & 2

Open

2 & 3

2 & 3

2 & 3

AM 5X86 (WB, 3x)

1 & 2

Open

Open

2 & 3

2 & 3

AM 5X86 (WT, 4x)

1 & 2

Open

2 & 3

2 & 3

2 & 3

Note: Pins designated should be in the closed position.

CPU TYPE SELECTION (CON’T)

Type

JP26

JP27

JP28

JP29

JP30

80486SX

Open

Open

Open

Open

Open

AM486DX

Open

Open

Open

Open

Open

80486DX

Open

Open

Open

Open

Open

AM486DX2

Open

Open

Open

Open

Open

AM486DX2 (V8B, WB, 2x)

2 & 3

Open

1 & 2

Open

Closed

AM486DX2 (V8B, WB, 3x)

2 & 3

Open

1 & 2

Open

Closed

AM486DX2 (V8B, WT, 2x)

2 & 3

Open

2 & 3

Open

Closed

AM486DX2 (V8B, WT, 3x)

2 & 3

Open

2 & 3

Open

Closed

AM486DX2 (V8T)

Open

Open

2 & 3

Open

Closed

80486DX2

Open

Open

Open

Open

Open

AM486DX4 (2x)

2 & 3

Open

Open

Open

Closed

AM486DX4 (3x)

2 & 3

Open

Open

Open

Closed

AM486DX4 (V8B, WB, 2x)

2 & 3

Open

1 & 2

Open

Closed

AM486DX4 (V8B, WB, 3x)

2 & 3

Open

1 & 2

Open

Closed

AM486DX4 (V8B, WT, 2x)

2 & 3

Open

2 & 3

Open

Closed

AM486DX4 (V8B, WT, 3x)

2 & 3

Open

2 & 3

Open

Closed

CPU TYPE SELECTION (CON’T)

Type

JP26

JP27

JP28

JP29

JP30

AM486DX4 (V8T)

Open

Open

1 & 2

Open

Closed

80486DX4 (2x)

2 & 3

Open

Open

Open

Closed

80486DX4 (2.5x)

2 & 3

Open

Open

Open

Closed

80486DX4 (3x)

2 & 3

Open

Open

Open

Closed

CX M7

1 & 2

Open

Open

Open

Closed

ST M7

1 & 2

Open

Open

Open

Closed

IBM M7

1 & 2

Open

Open

Open

Closed

TI M7

1 & 2

Open

Open

Open

Closed

CX 5X86 (WB, 2x)

2 & 3

Open

1 & 2

Open

Closed

CX 5X86 (WT, 2x)

2 & 3

Open

2 & 3

Open

Closed

CX 5X86 (WB, 3x)

2 & 3

Open

1 & 2

Open

Closed

CX 5X86 (WT, 3x)

2 & 3

Open

2 & 3

Open

Closed

ST 5X86 (WB, 2x)

2 & 3

Open

1 & 2

Open

Closed

ST 5X86 (WT, 2x)

2 & 3

Open

2 & 3

Open

Closed

ST 5X86 (WB, 3x)

2 & 3

Open

1 & 2

Open

Closed

ST 5X86 (WT, 3x)

2 & 3

Open

2 & 3

Open

Closed

IBM 5X86 (WB, 2x)

2 & 3

Open

1 & 2

Open

Closed

IBM 5X86 (WT, 2x)

2 & 3

Open

2 & 3

Open

Closed

IBM 5X86 (WB, 3x)

2 & 3

Open

1 & 2

Open

Closed

IBM 5X86 (WT, 3x)

2 & 3

Open

2 & 3

Open

Closed

TI 5X86 (WB, 2x)

2 & 3

Open

1 & 2

Open

Closed

TI 5X86 (WT, 2x)

2 & 3

Open

2 & 3

Open

Closed

TI 5X86 (WB, 3x)

2 & 3

Open

1 & 2

Open

Closed

TI 5X86 (WT, 3x)

2 & 3

Open

2 & 3

Open

Closed

AM 5X86 (WB, 3x)

2 & 3

Open

1 & 2

Open

Closed

AM 5X86 (WT, 4x)

2 & 3

Open

2 & 3

Open

Closed

AM 5X86 (WB, 3x)

2 & 3

Open

1 & 2

Open

Closed

AM 5X86 (WT, 4x)

2 & 3

Open

2 & 3

Open

Closed

Note: Pins designated should be in the closed position.

CPU VOLTAGE SELECTION

Voltage

JP32

JP33

3.3v

Pins 1 & 2 closed

Pins 1 & 3, 2 & 4 closed

3.45v

Pins 3 & 4 closed

Pins 1 & 3, 2 & 4 closed

4v

Pins 5 & 6 closed

Pins 1 & 3, 2 & 4 closed

5v

N/A

Pins 1 & 2, 3 & 4 closed

IR SELECTION

Setting

JP3

JP4

U3 is 665IR, IR via CN7

Pins 1 & 2 closed

Pins 1 & 2 closed

U3 uses 665GT/669 or 665IR without IR

Pins 2 & 3 closed

Pins 2 & 3 closed