GIGA-BYTE TECHNOLOGY CO., LTD.

GA-686KX

Device Type

Mainboard

Processor

Pentium II

Processor Speed

200/233/266/300/333/366MHz

Chip Set

Intel

Video Chip Set

None

Maximum Onboard Memory

768MB (EDO & SDRAM supported)

Maximum Video Memory

None

Cache

256/512KB (located on Pentium II CPU)

BIOS

Award

Dimensions

305mm x 244mm

I/O Options

32-bit PCI slots (5), floppy drive interface, green PC connector, IDE interfaces (2), parallel port, PS/2 mouse port, serial ports (2), IR connector, USB connectors (2), ATX power connector

NPU Options

None

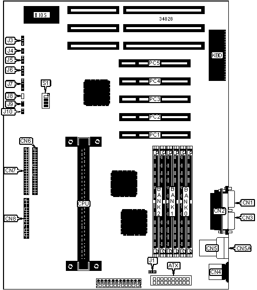
CONNECTIONS

Purpose

Location

Purpose

Location

ATX power connector

ATX

CPU fan power

J1

Serial port 1

CN1

Speaker

J3

Parallel port

CN2

Reset switch

J4

Serial port 2

CN3

Power LED

J5

PS/2 mouse port

CN4

IDE interface LED

J6

USB connector 1

CN5

IR connector

J7

USB connector 2

CN5A

Soft off power supply

J9

IDE interface 2

CN6

Green PC LED

J10

IDE interface 1

CN7

32-bit PCI slots

PC1 – PC5

Floppy drive interface

CN8

   

USER CONFIGURABLE SETTINGS

Function

Label

Position

»

Factory configured - do not alter

J8

Unidentified

SIMM CONFIGURATION

Size

Bank 0

Bank 1

Bank 2

8MB

(2) 1M x 36

None

None

16MB

(2) 1M x 36

(2) 1M x 36

None

16MB

(2) 2M x 36

None

None

24MB

(2) 1M x 36

(2) 1M x 36

(2) 1M x 36

32MB

(2) 2M x 36

(2) 2M x 36

None

32MB

(2) 4M x 36

None

None

48MB

(2) 2M x 36

(2) 2M x 36

(2) 2M x 36

64MB

(2) 4M x 36

(2) 4M x 36

None

64MB

(2) 8M x 36

None

None

96MB

(2) 4M x 36

(2) 4M x 36

(2) 4M x 36

128MB

(2) 8M x 36

(2) 8M x 36

None

128MB

(2) 16M x 36

None

None

192MB

(2) 8M x 36

(2) 8M x 36

(2) 8M x 36

256MB

(2) 16M x 36

(2) 16M x 36

None

256MB

(2) 32M x 36

None

None

384MB

(2) 16M x 36

(2) 16M x 36

(2) 16M x 36

512MB

(2) 32M x 36

(2) 32M x 36

None

768MB

(2) 32M x 36

(2) 32M x 36

(2) 32M x 36

Note: Board accepts EDO memory.

CACHE CONFIGURATION

Note: 256KB/512KB cache is located on the Pentium II CPU.

CPU SPEED SELECTION

CPU speed

Clock speed

Multiplier

S1/1

S1/2

S1/3

S1/4

200MHz

66MHz

3x

Off

On

Off

Off

233MHz

66MHz

3.5x

On

On

Off

Off

266MHz

66MHz

4x

Off

Off

On

Off

300MHz

66MHz

4.5x

On

Off

On

Off

333MHz

66MHz

5x

Off

On

On

Off

366MHz

66MHz

5.5x

On

On

On

Off