FIRST INTERNATIONAL COMPUTER, INC.

PA-2013

Device Type

Mainboard

Processor

CX 6X86L/IBM 6X86L/CX 686MX/IBM 6X86MX/AM K6/AM K6-2/

Pentium

Processor Speed

100/120/133/150/166/200/233/266/300MHz

Chip Set

VIA

Video Chip Set

None

Maximum Onboard Memory

768MB (EDO & SDRAM supported)

Maximum Video Memory

None

Cache

512/1024KB

BIOS

Unidentified

Dimensions

305mm x 244mm

I/O Options

32-bit PCI slots (4), floppy drive interface, green PC connector, IDE interfaces (2), parallel port, PS/2 mouse port, serial ports (2), IR connector, FUSB connector, USB connectors (2), ATX power connector, AGP slot

NPU Options

None

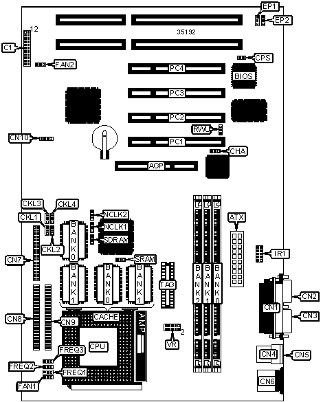
CONNECTIONS

Purpose

Location

Purpose

Location

AGP slot

AGP

Power LED & keylock

C1/pins 1 - 5

ATX power connector

ATX

Turbo LED

C1/pins 6 & 7

Chassis intrusion alarm

CHA

Green PC connector

C1/pins 8 & 9

Parallel port

CN1

Green PC LED

C1/pins 10 & 11

Serial port 2

CN2

Speaker

C1/pins 12 - 15

Serial port 1

CN3

IDE interface LED

C1/pins 16 & 17

USB connector 1

CN4

Soft off power supply

C1/pins 18 & 19

USB connector 2

CN5

Reset switch

C1/pins 20 & 21

PS/2 mouse port

CN6

CPU fan power

FAN1

Floppy drive interface

CN7

Chassis fan power

FAN2

IDE interface 1

CN8

IR connector

IR1

IDE interface 2

CN9

32-bit PCI slots

PC1 – PC4

FUSB connector

CN10

Remote wake up connector

RWU

USER CONFIGURABLE SETTINGS

Function

Label

Position

»

Password enabled

CPS

Closed

 

Password disabled

CPS

Open

»

Burst type select Intel

SRAM

Pins 1 & 2 closed

 

Burst type select linear

SRAM

Pins 2 & 3 closed

DIMM CONFIGURATION

Size

Bank 0

Bank 1

Bank 2

8MB

(1) 1M x 64

None

None

16MB

(1) 2M x 64

None

None

16MB

(1) 1M x 64

(1) 1M x 64

None

24MB

(1) 2M x 64

(1) 1M x 64

None

24MB

(1) 1M x 64

(1) 1M x 64

(1) 1M x 64

32MB

(1) 4M x 64

None

None

32MB

(1) 2M x 64

(1) 2M x 64

None

40MB

(1) 4M x 64

(1) 1M x 64

None

48MB

(1) 4M x 64

(1) 2M x 64

None

48MB

(1) 2M x 64

(1) 2M x 64

(1) 2M x 64

64MB

(1) 8M x 64

None

None

64MB

(1) 4M x 64

(1) 4M x 64

None

72MB

(1) 8M x 64

(1) 1M x 64

None

DIMM CONFIGURATION (CON’T)

Size

Bank 0

Bank 1

Bank 2

80MB

(1) 8M x 64

(1) 2M x 64

None

96MB

(1) 8M x 64

(1) 4M x 64

None

96MB

(1) 4M x 64

(1) 4M x 64

(1) 4M x 64

128MB

(1) 16M x 64

None

None

128MB

(1) 8M x 64

(1) 8M x 64

None

136MB

(1) 16M x 64

(1) 1M x 64

None

144MB

(1) 16M x 64

(1) 2M x 64

None

160MB

(1) 16M x 64

(1) 4M x 64

None

192MB

(1) 16M x 64

(1) 8M x 64

None

192MB

(1) 8M x 64

(1) 8M x 64

(1) 8M x 64

256MB

(1) 32M x 64

None

None

256MB

(1) 16M x 64

(1) 16M x 64

None

384MB

(1) 16M x 64

(1) 16M x 64

(1) 16M x 64

512MB

(1) 32M x 64

(1) 32M x 64

None

768MB

(1) 32M x 64

(1) 32M x 64

(1) 32M x 64

Note: Board accepts EDO & SDRAM memory.

DIMM FREQUENCY CONFIGURATION

Setting

CLK4

SDRAM

SDRAM frequency = CPU external frequency

Pins 1 & 2 closed

Pins 2 & 3 closed

SDRAM frequency = AGP external frequency

Pins 2 & 3 closed

Pins 1 & 2 closed

SYSTEM FREQUENCY CONFIGURATION

Frequency

NCLK1

NCLK2

66MHz

Pins 1 & 2 closed

Pins 2 & 3 closed

68MHz

Pins 1 & 2 closed

Pins 2 & 3 closed

75MHz

Pins 1 & 2 closed

Pins 2 & 3 closed

83MHz

Pins 2 & 3 closed

Pins 1 & 2 closed

100MHz

Pins 2 & 3 closed

Pins 1 & 2 closed

CACHE JUMPER CONFIGURATION

Size

Bank 0

Bank 1

TAG

512KB

(2) 64K x 32

None

(1) 16K/32K x 8

1MB

(2) 64K x 32

(2) 64K x 32

(1) 32K x 8

CPU SPEED SELECTION (CX 6X86L)

CPU speed

Clock speed

Multiplier

CLK1

CLK2

CLK3

FREQ1

FREQ2

FREQ3

166MHz

66MHz

2x

1 & 2

1 & 2

2 & 3

2 & 3

1 & 2

1 & 2

200MHz

75MHz

2x

1 & 2

1 & 2

1 & 2

2 & 3

1 & 2

1 & 2

Note: Pins designated should be in the closed position.

CPU SPEED SELECTION (IBM 6X86L)

CPU speed

Clock speed

Multiplier

CLK1

CLK2

CLK3

FREQ1

FREQ2

FREQ3

166MHz

66MHz

2x

1 & 2

1 & 2

2 & 3

2 & 3

1 & 2

1 & 2

200MHz

75MHz

2x

1 & 2

1 & 2

1 & 2

2 & 3

1 & 2

1 & 2

Note: Pins designated should be in the closed position.

CPU SPEED SELECTION (6X86MX)

CPU speed

Clock speed

Multiplier

CLK1

CLK2

CLK3

FREQ1

FREQ2

FREQ3

166MHz

66MHz

2x

1 & 2

1 & 2

2 & 3

2 & 3

1 & 2

1 & 2

200MHz

66MHz

2.5x

1 & 2

1 & 2

2 & 3

2 & 3

2 & 3

1 & 2

200MHz

75MHz

2x

1 & 2

1 & 2

1 & 2

2 & 3

1 & 2

1 & 2

233MHz

75MHz

2.5x

1 & 2

1 & 2

1 & 2

2 & 3

2 & 3

1 & 2

233MHz

83MHz

2x

2 & 3

1 & 2

1 & 2

2 & 3

1 & 2

1 & 2

266MHz

83MHz

2.5x

2 & 3

1 & 2

1 & 2

2 & 3

2 & 3

1 & 2

Note: Pins designated should be in the closed position.

CPU SPEED SELECTION (AM K6)

CPU speed

Clock speed

Multiplier

CLK1

CLK2

CLK3

FREQ1

FREQ2

FREQ3

166MHz

66MHz

2.5x

1 & 2

1 & 2

2 & 3

2 & 3

2 & 3

1 & 2

200MHz

66MHz

3x

1 & 2

1 & 2

2 & 3

1 & 2

2 & 3

1 & 2

233MHz

66MHz

3.5x

1 & 2

1 & 2

2 & 3

1 & 2

1 & 2

1 & 2

266MHz

66MHz

4x

1 & 2

1 & 2

2 & 3

2 & 3

1 & 2

2 & 3

300MHz

66MHz

4.5x

1 & 2

1 & 2

2 & 3

2 & 3

2 & 3

2 & 3

Note: Pins designated should be in the closed position.

CPU SPEED SELECTION (AM K6-2)

CPU speed

Clock speed

Multiplier

CLK1

CLK2

CLK3

FREQ1

FREQ2

FREQ3

266MHz

66MHz

4x

1 & 2

1 & 2

2 & 3

2 & 3

1 & 2

2 & 3

266MHz

100MHz

2.5x

1 & 2

2 & 3

2 & 3

2 & 3

2 & 3

1 & 2

300MHz

66MHz

4.5x

1 & 2

1 & 2

2 & 3

2 & 3

2 & 3

2 & 3

300MHz

100MHz

3x

1 & 2

2 & 3

2 & 3

1 & 2

2 & 3

1 & 2

Note: Pins designated should be in the closed position.

CPU SPEED SELECTION (INTEL)

CPU speed

Clock speed

Multiplier

CLK1

CLK2

CLK3

FREQ1

FREQ2

FREQ3

100MHz

66MHz

1.5x

1 & 2

1 & 2

2 & 3

1 & 2

1 & 2

1 & 2

133MHz

66MHz

2x

1 & 2

1 & 2

2 & 3

2 & 3

1 & 2

1 & 2

166MHz

66MHz

2.5x

1 & 2

1 & 2

2 & 3

2 & 3

2 & 3

1 & 2

200MHz

66MHz

3x

1 & 2

1 & 2

2 & 3

1 & 2

2 & 3

1 & 2

Note: Pins designated should be in the closed position.

CPU SPEED SELECTION (INTEL MMX)

CPU speed

Clock speed

Multiplier

CLK1

CLK2

CLK3

FREQ1

FREQ2

FREQ3

166MHz

66MHz

2.5x

1 & 2

1 & 2

2 & 3

2 & 3

2 & 3

1 & 2

200MHz

66MHz

3x

1 & 2

1 & 2

2 & 3

1 & 2

2 & 3

1 & 2

233MHz

66MHz

3.5x

1 & 2

1 & 2

2 & 3

1 & 2

1 & 2

1 & 2

Note: Pins designated should be in the closed position.

CPU VOLTAGE SELECTION

Voltage

VR

2.0v

Pins 3 & 4, 5 & 6, 7 & 8, 9 & 10 closed

2.1v

Pins 1 & 2 closed

2.2v

Pins 3 & 4 closed

2.5v

Pins 1 & 2, 5 & 6 closed

2.8v

Pins 7 & 8 closed

2.9v

Pins 1 & 2, 7 & 8 closed

3.2v

Pins 5 & 6, 7 & 8 closed

3.3v

Pins 1 & 2, 5 & 6, 7 & 8 closed

3.5v

Pins 1 & 2, 3 & 4, 5 & 6, 7 & 8 closed

FLASH BIOS SELECTION

Type

EP1

EP2

AMD AM29F002NT

Pins 2 & 3 closed

Pins 2 & 3 closed

ATMEL AT29C010A

Open

Pins 2 & 3 closed

ATMEL AT29C020

Pins 2 & 3 closed

Pins 2 & 3 closed

Intel 28F001BX

Pins 1 & 2 closed

Pins 1 & 2 closed

MXIC MX28F1000PQC

Pins 1 & 2 closed

Pins 1 & 2 closed

MXIC MX28F2000TPC

Pins 2 & 3 closed

Pins 1 & 2 closed

SST 29EE010

Open

Pins 2 & 3 closed

SST 29EE020

Pins 2 & 3 closed

Pins 2 & 3 closed