GIGA-BYTE TECHNOLOGY CO., LTD.

GA-6BMM (VER. 1.4)

Device Type

Mainboard

Processor

Pentium II/Celeron

Processor Speed

266/300/333/350/366/400/433/450/466/500/550/600/650MHz

Chip Set

Intel 440BX

Video Chip Set

ATI

Maximum Onboard Memory

768MB (EDO & SDRAM supported)

Maximum Video Memory

Unidentified

Audio Chip Set

ATI

Cache

0/128/256/512KB (located on the CPU)

BIOS

Award

Dimensions

245mm x 200mm

I/O Options

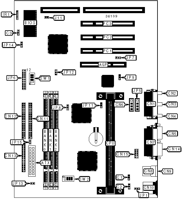
32-bit PCI slots (3), floppy drive interface, game/MIDI port, green PC connector, IDE interfaces (2), parallel port, PS/2 mouse port, serial ports (2), VGA port, IR connector, USB connectors (2), ATX power connector, AGP slot, line in, line out, microphone in, audio in - CD-ROMs (2), wake on LAN connector, wake on modem connector

CONNECTIONS

Purpose

Location

Purpose

Location

AGP slot

AGP

Floppy drive interface

CN13

ATX power connector

ATX

VGA port

CN14

CPU fan power

C1

Serial port 2

CN15

Power fan power

C2

IR connector

IR1

Chassis fan power

C3

Wake on modem connector

J11

Game/MIDI port

CN1

Audio in - CD-ROM

JP5

Microphone in

CN2

Green PC LED

JP6/pins 1 & 12

Line in

CN3

Reset switch

JP6/pins 3 & 4

Line out

CN4

Speaker

JP6/pins 5 - 8

Serial port 1

CN5

IDE interface LED

JP6/pins 9 & 20

Audio in - CD-ROM

CN6

Green PC connector

JP6/pins 11 & 22

Parallel port

CN7

Soft off power supply

JP6/pins 15 & 16

USB connector 1

CN8

Power LED

JP6/pins 17 - 19

USB connector 2

CN9

Wake on LAN connector

JP7

PS/2 mouse port

CN10

STR LED

JP15

IDE interface 2

CN11

32-bit PCI slots

PC1 - PC3

IDE interface 1

CN12

 

 

USER CONFIGURABLE SETTINGS

Function

Label

Position

»

Keyboard power on disabled

JP1

Pins 2 & 3 closed

 

Keyboard power on enabled

JP1

Pins 1 & 2 closed

»

VGA INT disabled

JP8

Pins 1 & 2 closed

 

VGA INT enabled

JP8

Pins 2 & 3 closed

»

On board sound enabled

JP9

Pins 1 & 2 closed

 

On board sound disabled

JP9

Pins 2 & 3 closed

»

System acceleration select 100MHz

JP11

Pins 2 & 3 closed

 

System acceleration select turbo

JP11

Pins 1 & 2 closed

»

On board video enabled

JP12

Pins 2 & 3 closed

 

On board video disabled

JP12

Pins 1 & 2 closed

»

Suspend to RAM function enabled

JP13

Open

 

Suspend to RAM function disabled

JP13

Closed

»

CMOS memory normal operation

JP14

Pins 2 & 3 closed

 

CMOS memory clear

JP14

Pins 1 & 2 closed

DIMM CONFIGURATION

Size

Bank 0

Bank 1

Bank 2

8MB

(1) 1M x 64

None

None

16MB

(1) 2M x 64

None

None

16MB

(1) 1M x 64

(1) 1M x 64

None

24MB

(1) 2M x 64

(1) 1M x 64

None

32MB

(1) 2M x 64

(1) 1M x 64

(1) 1M x 64

DIMM CONFIGURATION (CON'T)

Size

Bank 0

Bank 1

Bank 2

32MB

(1) 2M x 64

(1) 2M x 64

None

40MB

(1) 4M x 64

(1) 1M x 64

None

40MB

(1) 2M x 64

(1) 2M x 64

(1) 1M x 64

48MB

(1) 4M x 64

(1) 1M x 64

(1) 1M x 64

48MB

(1) 4M x 64

(1) 2M x 64

None

48MB

(1) 2M x 64

(1) 2M x 64

(1) 2M x 64

56MB

(1) 4M x 64

(1) 2M x 64

(1) 1M x 64

64MB

(1) 8M x 64

None

None

64MB

(1) 4M x 64

(1) 2M x 64

(1) 2M x 64

64MB

(1) 4M x 64

(1) 4M x 64

None

72MB

(1) 8M x 64

(1) 1M x 64

None

96MB

(1) 8M x 64

(1) 4M x 64

None

128MB

(1) 8M x 64

(1) 4M x 64

(1) 4M x 64

128MB

(1) 8M x 64

(1) 8M x 64

None

136MB

(1) 16M x 64

(1) 1M x 64

None

136MB

(1) 8M x 64

(1) 8M x 64

(1) 1M x 64

144MB

(1) 16M x 64

(1) 1M x 64

(1) 1M x 64

144MB

(1) 16M x 64

(1) 2M x 64

None

144MB

(1) 8M x 64

(1) 8M x 64

(1) 2M x 64

152MB

(1) 16M x 64

(1) 2M x 64

(1) 1M x 64

160MB

(1) 16M x 64

(1) 2M x 64

(1) 2M x 64

192MB

(1) 16M x 64

(1) 4M x 64

(1) 4M x 64

192MB

(1) 16M x 64

(1) 8M x 64

None

208MB

(1) 16M x 64

(1) 8M x 64

(1) 2M x 64

224MB

(1) 16M x 64

(1) 8M x 64

(1) 4M x 64

256MB

(1) 32M x 64

None

None

256MB

(1) 16M x 64

(1) 8M x 64

(1) 8M x 64

264MB

(1) 32M x 64

(1) 1M x 64

None

272MB

(1) 32M x 64

(1) 1M x 64

(1) 1M x 64

288MB

(1) 32M x 64

(1) 4M x 64

None

320MB

(1) 32M x 64

(1) 4M x 64

(1) 4M x 64

320MB

(1) 32M x 64

(1) 8M x 64

None

384MB

(1) 16M x 64

(1) 16M x 64

(1) 16M x 64

512MB

(1) 32M x 64

(1) 16M x 64

(1) 16M x 64

512MB

(1) 32M x 64

(1) 32M x 64

None

768MB

(1) 32M x 64

(1) 32M x 64

(1) 32M x 64

Note: Board accepts SDRAM memory.

CACHE CONFIGURATION

Note: 256KB/512KB cache is located on the Pentium II CPU. 128KB cache is located on the Celeron 300A & 333 CPU.

VIDEO MEMORY CONFIGURATION

Note: The location of the video memory is unidentified.

CPU SPEED SELECTION (CELERON)

CPU speed

Clock speed

Multiplier

SW1/1

SW1/2

SW1/3

SW1/4

266MHz

66MHz

4x

On

Off

Off

On

300MHz

66MHz

4.5x

On

Off

Off

On

333MHz

66MHz

5x

On

Off

Off

On

366MHz

66MHz

5.5x

On

Off

Off

On

400MHz

66MHz

6x

On

Off

Off

On

433MHz

66MHz

6.5x

On

Off

Off

On

CPU SPEED SELECTION (CELERON, CON'T)

CPU speed

Clock speed

Multiplier

SW2/1

SW2/2

SW2/3

SW2/4

266MHz

66MHz

4x

On

On

Off

On

300MHz

66MHz

4.5x

Off

On

Off

On

333MHz

66MHz

5x

On

Off

Off

On

366MHz

66MHz

5.5x

Off

Off

Off

On

400MHz

66MHz

6x

On

On

On

Off

433MHz

66MHz

6.5x

Off

On

On

Off

CPU SPEED SELECTION (PENTIUM II)

CPU speed

Clock speed

Multiplier

SW1/1

SW1/2

SW1/3

SW1/4

266MHz

66MHz

4x

On

Off

Off

On

300MHz

66MHz

4.5x

On

Off

Off

On

333MHz

66MHz

5x

On

Off

Off

On

366MHz

66MHz

5.5x

On

Off

Off

On

400MHz

66MHz

6x

On

Off

Off

On

433MHz

66MHz

6.5x

On

Off

Off

On

350MHz

100MHz

3.5x

Off

Off

Off

Off

400MHz

100MHz

4x

Off

Off

Off

Off

450MHz

100MHz

4.5x

Off

Off

Off

Off

500MHz

100MHz

5x

Off

Off

Off

Off

550MHz

100MHz

5.5x

Off

Off

Off

Off

600MHz

100MHz

6x

Off

Off

Off

Off

650MHz

100MHz

6.5x

Off

Off

Off

Off

CPU SPEED SELECTION (PENTIUM II, CON'T)

CPU speed

Clock speed

Multiplier

SW2/1

SW2/2

SW2/3

SW2/4

266MHz

66MHz

4x

On

On

Off

On

300MHz

66MHz

4.5x

Off

On

Off

On

333MHz

66MHz

5x

On

Off

Off

On

366MHz

66MHz

5.5x

Off

Off

Off

On

400MHz

66MHz

6x

On

On

On

Off

433MHz

66MHz

6.5x

Off

On

On

Off

350MHz

100MHz

3.5x

Off

Off

On

On

400MHz

100MHz

4x

On

On

Off

On

450MHz

100MHz

4.5x

Off

On

Off

On

500MHz

100MHz

5x

On

Off

Off

On

550MHz

100MHz

5.5x

Off

Off

Off

On

600MHz

100MHz

6x

On

On

On

Off

650MHz

100MHz

6.5x

Off

On

On

Off