IBM CORPORATION
PS/2 MODEL 60
|
Processor |
80286 |
|
Processor Speed |
10MHz |
|
Chip Set |
None |
|
Max. Onboard DRAM |
4MB |
|
Cache |
None |
|
BIOS |
IBM |
|
Dimensions |
330.2mm x 218.4mm |
|
I/O Options |
Serial port, parallel port, pointing device connector, video port floppy drive interface, hard drive interface slot, video expansion slot |
|
NPU Options |
80287 |
|
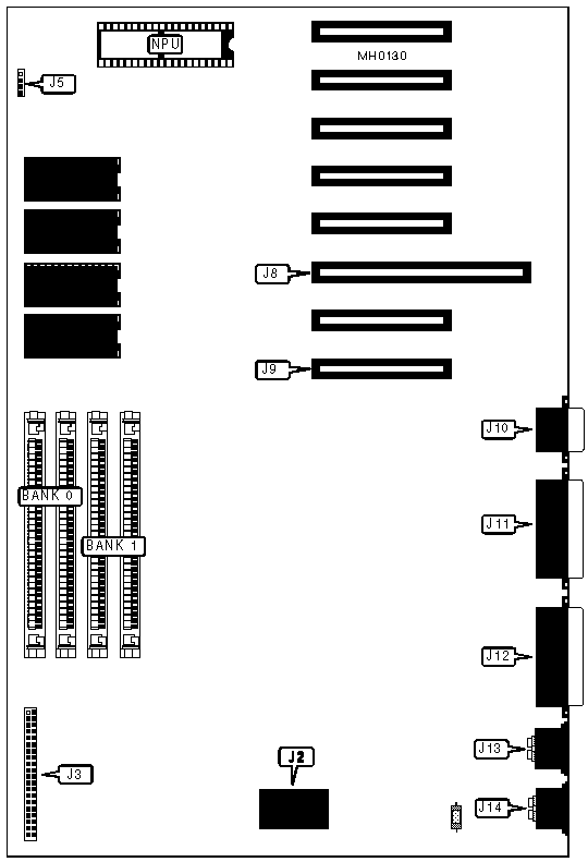
CONNECTIONS | |||
|
Purpose |
Location |
Purpose |
Location |
|
Power supply |
J2 |
Video port |
J10 |
|
Floppy drive |
J3 |
Serial port |
J11 |
|
Battery/speaker |
J5 |
Parallel port |
J12 |
|
Video expansion slot |
J8 |
Pointing device |
J13 |
|
Hard drive interface slot |
J9 |
Keyboard |
J14 |
|
DRAM CONFIGURATION | ||
|
Size |
Bank 0 |
Bank 1 |
|
1MB |
(2) 256K x 9 |
(2) 256K x 9 |
|
2MB |
(2) 1M x 9 |
NONE |
|
2.5MB |
(2) 256K x 9 |
(2) 1M x 9 |
|
4MB |
(2) 1M x 9 |
(2) 1M x 9 |
|
Note:Onboard memory does not have to be full in order to utilize memory expansion cards. Memory configurations are unverified. | ||