INTEL CORPORATION

PR440FX

Processor

Pentium Pro

Processor Speed

200MHz

Chip Set

Intel

Video Chip Set

None

Maximum Onboard Memory

512MB (EDO supported)

Maximum Video Memory

None

Cache

256/512KB (located on Pentium Pro CPU)

BIOS

Intel

Dimensions

288mm x 282mm

I/O Options

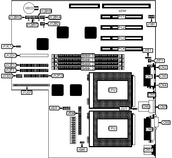
32-bit PCI slots (4), CD-ROM interface, Ethernet 10BaseT connector, floppy drive interface, green PC connector, IDE interfaces (2), SCSI interface, parallel port, PS/2 mouse port, serial ports (2), IR connector, VRM connector, USB connectors (2), telephony connector, wavetable connector, audio out connector, microphone in connector, MIDI/game port, audio in connector, soft off power supply, card slot fan

NPU Options

None

CONNECTIONS

Purpose

Location

Purpose

Location

MIDI/ game port

CN1

SCSI interface

J12D1

Microphone in connector

CN2

IDE interface 1

J12E1

Audio in connector

CN3

IDE interface 2

J12F1

Audio out connector

CN4

Floppy drive interface

J12F2

Ethernet 10BaseT connector

CN5

Front panel power switch

J12G1 pins 1 & 2

USB connector

CN6

Green PC connector

J12G1 pins 3 & 4

USB connector

CN7

IR connector

J12G1 pins 6 - 11

Serial port 1

CN8

IDE interface LED

J12G1 pins 13 - 16

Parallel port

CN9

Power LED

J12G1 pins 18 - 20

PS/2 mouse port

CN10

Reset switch

J12G1 pins 22 - 23

Wavetable connector

J1B1

Speaker

J12G1 pins 24 - 27

CD-ROM connector

J1E1

Card slot fan

J13C1

Telephony connector

J1F1

SCSI front panel LED connector

J13G1

Chassis fan power 2

J2J1

32-bit PCI slots

PC1 - PC4

Chassis fan power 1

J6M1

VRM connector

VRM

Serial port 2

J8J1

   

USER CONFIGURABLE SETTINGS

Function

Label

Position

»

Setup access enabled

J12B1A

Pins 2 & 3 closed

 

Setup access disabled

J12B1A

Pins 1 & 2 closed

»

Flash BIOS normal operation

J12B1A

Pins 5 & 6 closed

 

Flash BIOS recovery mode

J12B1A

Pins 4 & 5 closed

»

CMOS memory normal operation

J12B1B

Pins 2 & 3 closed

 

CMOS memory clear

J12B1B

Pins 1 & 2 closed

»

Password enabled

J12B1B

Pins 5 & 6 closed

 

Password disabled

J12B1B

Pins 4 & 5 closed

DIMM CONFIGURATION

Size

Bank 0

Bank 1

Bank 2

Bank 3

16MB

(1) 2M x 64

None

None

None

32MB

(1) 2M x 64

(1) 2M x 64

None

None

32MB

(1) 4M x 64

None

None

None

48MB

(1) 2M x 64

(1) 2M x 64

(1) 2M x 64

None

64MB

(1) 2M x 64

(1) 2M x 64

(1) 2M x 64

(1) 2M x 64

64MB

(1) 4M x 64

(1) 4M x 64

None

None

64MB

(1) 8M x 64

None

None

None

96MB

(1) 4M x 64

(1) 4M x 64

(1) 4M x 64

None

128MB

(1) 4M x 64

(1) 4M x 64

(1) 4M x 64

(1) 4M x 64

128MB

(1) 8M x 64

(1) 8M x 64

None

None

128MB

(1) 16M x 64

None

None

None

192MB

(1) 8M x 64

(1) 8M x 64

(1) 8M x 64

None

DIMM CONFIGURATION (CON’T)

Size

Bank 0

Bank 1

Bank 2

Bank 3

256MB

(1) 8M x 64

(1) 8M x 64

(1) 8M x 64

(1) 8M x 64

256MB

(1) 16M x 64

(1) 16M x 64

None

None

384MB

(1) 16M x 64

(1) 16M x 64

(1) 16M x 64

None

512MB

(1) 16M x 64

(1) 16M x 64

(1) 16M x 64

(1) 16M x 64

Note: Board accepts EDO memory.

DIMM SPEED CONFIGURATION

Speed

J12B2

»

60ns

Pins 2 & 3 closed

 

50ns

Pins 1 & 2 closed

CACHE CONFIGURATION

Note: 256KB or 512KB cache is located on the Pentium Pro CPU.

CPU SPEED SELECTION

CPU speed

Clock speed

Multiplier

J12B1C

J12B1D

200MHz

66MHz

3x

2 & 3, 5 & 6

2 & 3, 5 & 6

Note: Pins designated should be in the closed position.