MICRO-STAR INTERNATIONAL CO., LTD.
MS-6111
|
Processor |
Pentium II |
|
Processor Speed |
200/233/266/300/333MHz |
|
Chip Set |
Intel |
|
Video Chip Set |
None |
|
Maximum Onboard Memory |
1GB (EDO supported) |
|
Maximum Video Memory |
None |
|
Cache |
256/512KB (located on Pentium II CPU) |
|
BIOS |
Unidentified |
|
Dimensions |
300mm x 230mm |
|
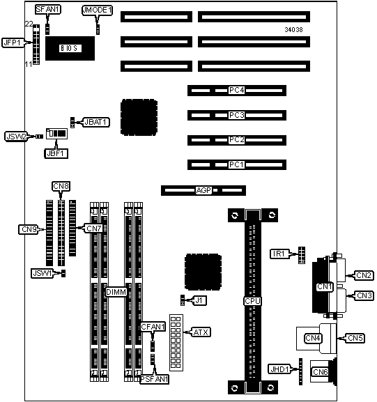
I/O Options |
32-bit PCI slots (4), floppy drive interface, IDE interfaces (2), PS/2 mouse port, serial ports (2), parallel port, IR connector, USB connector, ATX power connector, AGP slot |
|
NPU Options |
None |
|
CONNECTIONS | |||
|
Purpose |
Location |
Purpose |
Location |
|
AGP slot |
AGP |
IR connector |
IR1 |
|
ATX power connector |
ATX |
Power LED & keylock |
JFP1/pins 1 - 5 |
|
Parallel port |
CN1 |
Speaker |
JFP1/pins 7 - 10 |
|
Serial port 1 |
CN2 |
Turbo LED |
JFP1/pins 12 & 13 |
|
Serial port 2 |
CN3 |
Reset switch |
JFP1/pins 19 & 20 |
|
USB connector 1 |
CN4 |
IDE interface LED |
JFP1/pins 21 & 22 |
|
USB connector 2 |
CN5 |
Soft off power supply |
JSW1 |
|
PS/2 mouse port |
CN6 |
Soft off power supply |
JSW2 |
|
Floppy drive interface |
CN7 |
32-bit PCI slots |
PC1 – PC4 |
|
IDE interface 2 |
CN8 |
Power supply fan |
PSFAN1 |
|
IDE interface 1 |
CN9 |
Chassis fan power |
SFAN1 |
|
CPU fan |
CFAN1 | ||
|
USER CONFIGURABLE SETTINGS | |||
|
Function |
Label |
Position | |
|
» |
Factory configured - do not alter |
J1 |
Unidentified |
|
» |
CMOS memory normal operation |
JBAT1 |
Pins 1 & 2 closed |
|
CMOS memory clear |
JBAT1 |
Pins 2 & 3 closed | |
|
» |
Factory configured - do not alter |
JHD1 |
Unidentified |
|
» |
Flash BIOS voltage select 5v |
JMODE1 |
Pins 2 & 3 closed |
|
Flash BIOS voltage select 12v |
JMODE1 |
Pins 1 & 2 closed | |
|
DIMM CONFIGURATION | ||||
|
Size |
Bank 0 |
Bank 1 |
Bank 2 |
Bank 3 |
|
8MB |
(1) 1M x 64 |
None |
None |
None |
|
16MB |
(1) 2M x 64 |
None |
None |
None |
|
16MB |
(1) 1M x 64 |
(1) 1M x 64 |
None |
None |
|
24MB |
(1) 2M x 64 |
(1) 1M x 64 |
None |
None |
|
24MB |
(1) 1M x 64 |
(1) 1M x 64 |
(1) 1M x 64 |
None |
|
32MB |
(1) 4M x 64 |
None |
None |
None |
|
32MB |
(1) 2M x 64 |
(1) 2M x 64 |
None |
None |
|
32MB |
(1) 1M x 64 |
(1) 1M x 64 |
(1) 1M x 64 |
(1) 1M x 64 |
|
40MB |
(1) 4M x 64 |
(1) 1M x 64 |
None |
None |
|
48MB |
(1) 4M x 64 |
(1) 2M x 64 |
None |
None |
|
48MB |
(1) 2M x 64 |
(1) 2M x 64 |
(1) 2M x 64 |
None |
|
64MB |
(1) 8M x 64 |
None |
None |
None |
|
64MB |
(1) 4M x 64 |
(1) 4M x 64 |
None |
None |
|
64MB |
(1) 2M x 64 |
(1) 2M x 64 |
(1) 2M x 64 |
(1) 2M x 64 |
|
72MB |
(1) 8M x 64 |
(1) 1M x 64 |
None |
None |
|
80MB |
(1) 8M x 64 |
(1) 2M x 64 |
None |
None |
|
96MB |
(1) 8M x 64 |
(1) 4M x 64 |
None |
None |
|
DIMM CONFIGURATION (CON’T) | ||||
|
Size |
Bank 0 |
Bank 1 |
Bank 2 |
Bank 3 |
|
96MB |
(1) 4M x 64 |
(1) 4M x 64 |
(1) 4M x 64 |
None |
|
128MB |
(1) 8M x 64 |
(1) 8M x 64 |
None |
None |
|
128MB |
(1) 4M x 64 |
(1) 4M x 64 |
(1) 4M x 64 |
(1) 4M x 64 |
|
128MB |
(1) 16M x 64 |
None |
None |
None |
|
192MB |
(1) 8M x 64 |
(1) 8M x 64 |
(1) 8M x 64 |
None |
|
256MB |
(1) 8M x 64 |
(1) 8M x 64 |
(1) 8M x 64 |
(1) 8M x 64 |
|
256MB |
(1) 16M x 64 |
(1) 16M x 64 |
None |
None |
|
256MB |
(1) 32M x 64 |
None |
None |
None |
|
384MB |
(1) 16M x 64 |
(1) 16M x 64 |
(1) 16M x 64 |
None |
|
512MB |
(1) 16M x 64 |
(1) 16M x 64 |
(1) 16M x 64 |
(1) 16M x 64 |
|
512MB |
(1) 32M x 64 |
(1) 32M x 64 |
None |
None |
|
768MB |
(1) 32M x 64 |
(1) 32M x 64 |
(1) 32M x 64 |
None |
|
1GB |
(1) 32M x 64 |
(1) 32M x 64 |
(1) 32M x 64 |
(1) 32M x 64 |
|
Note: If SDRAM are used the maximum memory is 512MB. If EDO is used the maximum memory is 1GB. | ||||
|
CACHE CONFIGURATION |
|
Note: 256KB/512KB cache is located on the Pentium II CPU. |
|
CPU SPEED SELECTION | ||||
|
Speed |
JBF1/1 |
JBF1/2 |
JBF1/3 |
JBF1/4 |
|
200MHz |
On |
Off |
On |
On |
|
233MHz |
On |
Off |
Off |
On |
|
266MHz |
Off |
On |
On |
On |
|
300MHz |
Off |
On |
Off |
On |
|
333MHz |
Off |
Off |
On |
On |