MICRO-STAR INTERNATIONAL CO., LTD.

MS-5148

Processor

CX M1/CX M2/AM K5/AM K6/Pentium

Processor Speed

90/100/120/133/150/166/180/200/225/233MHz

Chip Set

Intel

Video Chip Set

None

Maximum Onboard Memory

256MB (EDO supported)

Maximum Video Memory

None

Cache

256/512KB

BIOS

Award

Dimensions

300mm x 186mm

I/O Options

32-bit PCI slots (4), floppy drive interface, green PC connector, IDE interfaces (2), parallel port, PS/2 mouse port, serial ports (2), IR connector, USB connectors (2), ATX power connector

NPU Options

None

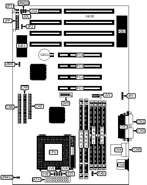
CONNECTIONS

Purpose

Location

Purpose

Location

ATX power connector

ATX

IR connector

IR1

Parallel port

CN1

Power LED & keylock

JFP/pins 1 - 5

Serial port 1

CN2

Speaker

JFP/pins 7 - 10

Serial port 2

CN3

Turbo LED

JFP/pins 12 & 13

USB connector

CN4

Reset switch

JFP/pins 19 & 20

USB connector

CN5

IDE interface LED

JFP/pins 21 & 22

PS/2 mouse port

CN6

Green PC LED

JGL

Floppy drive interface

CN7

Green PC connector

JGS

IDE interface 1

CN8

Soft off power supply

JRMS1

IDE interface 2

CN9

Soft off power supply

JRMS2

Chassis fan power

FAN

32-bit PCI slots

PC1 – PC4

USER CONFIGURABLE SETTINGS

Function

Label

Position

»

CMOS memory normal operation

JBAT

Pins 1 & 2 closed

 

CMOS memory clear

JBAT

Pins 2 & 3 closed

»

Factory configured - do not alter

JP1

Unidentified

»

Flash BIOS voltage select 5v

JP2

Pins 1 & 2 closed

 

Flash BIOS voltage select 12v

JP2

Pins 2 & 3 closed

DIMM/DRAM CONFIGURATION

Size

Bank 0

Bank 1

Bank 2

Bank 3

8MB

(2) 1M x 36

None

None

None

8MB

None

None

(1) 1M x 64

None

16MB

(2) 2M x 36

None

None

None

16MB

None

None

(1) 2M x 64

None

16MB

(2) 1M x 36

(2) 1M x 36

None

None

16MB

(2) 1M x 36

None

None

(1) 1M x 64

16MB

None

None

(1) 1M x 64

(1) 1M x 64

24MB

None

(2) 2M x 36

(1) 1M x 64

None

32MB

(2) 4M x 36

None

None

None

32MB

None

None

(1) 4M x 64

None

32MB

(2) 2M x 36

None

None

(1) 2M x 64

40MB

(2) 4M x 36

(2) 1M x 36

None

None

40MB

(2) 4M x 36

None

None

(1) 1M x 64

48MB

(2) 2M x 36

None

None

(1) 4M x 64

48MB

(2) 4M x 36

(2) 2M x 36

None

None

64MB

(2) 8M x 36

None

None

None

64MB

None

None

None

(1) 8M x 64

64MB

(2) 4M x 36

(2) 4M x 36

None

None

64MB

(2) 4M x 36

None

None

(1) 4M x 64

DIMM/DRAM CONFIGURATION (CON’T)

Size

Bank 0

Bank 1

Bank 2

Bank 3

64MB

None

None

(1) 4M x 64

(1) 4M x 64

72MB

(2) 8M x 36

(2) 1M x 36

None

None

72MB

(2) 8M x 36

None

None

(1) 1M x 64

80MB

None

(2) 2M x 36

(1) 8M x 64

None

80MB

(2) 8M x 36

None

None

(1) 2M x 64

80MB

(2) 8M x 36

(2) 2M x 36

None

None

96MB

(2) 4M x 36

None

None

(1) 8M x 64

96MB

(2) 8M x 36

(2) 4M x 36

None

None

96MB

(2) 8M x 36

None

None

(1) 4M x 64

128MB

(2) 8M x 36

None

None

(1) 8M x 64

128MB

None

None

(1) 8M x 64

(1) 8M x 64

128MB

(2) 8M x 36

(2) 8M x 36

None

None

128MB

(2) 16M x 36

None

None

None

128MB

None

None

None

(1) 16M x 64

136MB

(2) 16M x 36

(2) 1M x 36

None

None

136MB

(2) 16M x 36

None

None

(1) 1M x 64

144MB

(2) 16M x 36

(2) 2M x 36

None

None

160MB

(2) 16M x 36

(2) 4M x 36

None

None

192MB

(2) 16M x 36

(2) 8M x 36

None

None

192MB

(2) 16M x 36

None

None

(1) 8M x 64

256MB

(2) 16M x 36

(2) 16M x 36

None

None

256MB

(2) 32M x 36

None

None

None

256MB

None

None

(1) 16M x 64

(1) 16M x 64

256MB

None

None

(1) 32M x 64

None

Note: Board accepts EDO memory.

DIMM VOLTAGE CONFIGURATION

Voltage

JV1

3.3v

Pins 7 & 8, 9 & 10 closed

5v

Pins 1 & 2, 3 & 4 closed

CACHE CONFIGURATION

Note: The location of the 256KB/512KB cache is unidentified.

CPU SPEED SELECTION (CYRIX M1)

CPU speed

Clock speed

Multiplier

SW1/1

SW1/2

SW1/3

SW1/4

SW1/5

SW1/6

133MHz

55MHz

2x

On

Off

Off

On

On

Off

150MHz

60MHz

2x

On

Off

Off

On

Off

Off

166MHz

66MHz

2x

On

Off

Off

Off

Off

Off

200MHz

75MHz

2x

On

Off

Off

Off

On

Off

CPU SPEED SELECTION (CYRIX M2)

CPU speed

Clock speed

Multiplier

SW1/1

SW1/2

SW1/3

SW1/4

SW1/5

SW1/6

166MHz

66MHz

2.5x

On

On

Off

Off

Off

Off

180MHz

60MHz

3x

Off

On

Off

On

Off

Off

200MHz

66MHz

3x

Off

On

Off

Off

Off

Off

225MHz

75MHz

3x

Off

On

Off

Off

On

Off

CPU SPEED SELECTION (AMD)

CPU speed

Clock speed

Multiplier

SW1/1

SW1/2

SW1/3

SW1/4

SW1/5

SW1/6

90MHz

60MHz

1.5x

Off

Off

Off

On

Off

Off

100MHz

66MHz

1.5x

Off

Off

Off

Off

Off

Off

120MHz

60MHz

2x

On

Off

Off

On

Off

Off

133MHz

66MHz

2x

On

Off

Off

Off

Off

Off

150MHz

60MHz

2.5x

On

On

Off

On

Off

Off

166MHz

66MHz

2.5x

On

On

Off

Off

Off

Off

200MHz

66MHz

3x

Off

On

Off

Off

Off

Off

233MHz

66MHz

3.5x

Off

Off

Off

Off

Off

Off

CPU SPEED SELECTION (INTEL)

CPU speed

Clock speed

Multiplier

SW1/1

SW1/2

SW1/3

SW1/4

SW1/5

SW1/6

90MHz

60MHz

1.5x

Off

Off

Off

On

Off

Off

100MHz

66MHz

1.5x

Off

Off

Off

Off

Off

Off

120MHz

60MHz

2x

On

Off

Off

On

Off

Off

133MHz

66MHz

2x

On

Off

Off

Off

Off

Off

150MHz

60MHz

2.5x

On

On

Off

On

Off

Off

166MHz

66MHz

2.5x

On

On

Off

Off

Off

Off

200MHz

66MHz

3x

Off

On

Off

Off

Off

Off

233MHz

66MHz

3.5x

Off

Off

Off

Off

Off

Off

CPU VOLTAGE SELECTION (SINGLE)

Voltage

JV3

JV4

JV5

JV6

3.38v

Open

Closed

Open

Open

3.52v

Closed

Open

Open

Open

CPU VOLTAGE SELECTION (DUAL)

Voltage

V core

JV3

JV4

JV5

JV6

3.3v

2.8v

Closed

Open

Open

Open

3.3v

2.9v

Open

Open

Open

Closed

3.3v

3.2v

Open

Open

Closed

Open