MICRONICS COMPUTERS, INC.

TWISTER

Processor

CX 6X86/AM K5/AM K6/Pentium

Processor Speed

75/90/100/120/133/150/166/180/200/233MHz

Chip Set

Intel

Video Chip Set

None

Maximum Onboard Memory

256MB (EDO supported)

Maximum Video Memory

None

Cache

256/512KB

BIOS

Award

Dimensions

305mm x 244mm

I/O Options

32-bit PCI slots (4), floppy drive interface, green PC connector, IDE interfaces (2), parallel port, PS/2 mouse port, serial ports (2), IR connector, USB connectors (2), ATX power connector

NPU Options

None

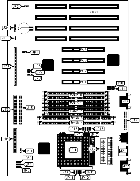
CONNECTIONS

Purpose

Location

Purpose

Location

ATX power connector

ATX

Soft off power supply

J23/pins 1 & 2

USB connector 1

J10

Green PC connector

J23/pins 3 & 4

USB connector 2

J11

IR connector

J23/pins 6 - 11

IDE interface 2

J13

IDE interface LED

J23/pins 13 - 16

Serial port 2

J14

Power LED

J23/pins 18 - 20

IDE interface 1

J15

Reset switch

J23/pins 22 & 23

Floppy drive interface

J16

Speaker

J23/pins 24 - 27

Parallel port

J17

Power LED & keylock

J24

CPU fan power

J18

SCSI interface LED

J100

PS/2 mouse port

J21

32-bit PCI slots

PC1 – PC4

Serial port 1

J22

   

USER CONFIGURABLE SETTINGS

Function

Label

Position

»

CMOS memory normal operation

JP1

Pins 1 & 2 closed

 

CMOS memory clear

JP1

Pins 2 & 3 closed

»

Flash BIOS normal operation

JP2

Pins 2 & 3 closed

 

Flash BIOS reserved

JP2

Pins 1 & 2 closed

SIMM CONFIGURATION

Size

Bank 0

Bank 1

Bank 2

8MB

(2) 1M x 36

None

None

16MB

(2) 2M x 36

None

None

16MB

(2) 1M x 36

(2) 1M x 36

None

24MB

(2) 1M x 36

(2) 2M x 36

None

24MB

(2) 1M x 36

(2) 1M x 36

(2) 1M x 36

32MB

(2) 4M x 36

None

None

32MB

(2) 2M x 36

(2) 2M x 36

None

32MB

(2) 1M x 36

(2) 1M x 36

(2) 2M x 36

40MB

(2) 1M x 36

(2) 4M x 36

None

48MB

(2) 2M x 36

(2) 4M x 36

None

48MB

(2) 1M x 36

(2) 1M x 36

(2) 4M x 36

48MB

(2) 2M x 36

(2) 2M x 36

(2) 2M x 36

64MB

(2) 8M x 36

None

None

64MB

(2) 4M x 36

(2) 4M x 36

None

64MB

(2) 2M x 36

(2) 2M x 36

(2) 4M x 36

72MB

(2) 1M x 36

(2) 8M x 36

None

80MB

(2) 2M x 36

(2) 8M x 36

None

80MB

(2) 1M x 36

(2) 1M x 36

(2) 8M x 36

96MB

(2) 4M x 36

(2) 8M x 36

None

96MB

(2) 2M x 36

(2) 2M x 36

(2) 8M x 36

SIMM CONFIGURATION (CON’T)

Size

Bank 0

Bank 1

Bank 2

96MB

(2) 4M x 36

(2) 4M x 36

(2) 4M x 36

128MB

(2) 16M x 36

None

None

128MB

(2) 8M x 36

(2) 8M x 36

None

128MB

(2) 4M x 36

(2) 4M x 36

(2) 8M x 36

136MB

(2) 1M x 36

(2) 16M x 36

None

144MB

(2) 2M x 36

(2) 16M x 36

None

144MB

(2) 1M x 36

(2) 1M x 36

(2) 16M x 36

160MB

(2) 4M x 36

(2) 16M x 36

None

160MB

(2) 2M x 36

(2) 2M x 36

(2) 16M x 36

192MB

(2) 8M x 36

(2) 16M x 36

None

192MB

(2) 4M x 36

(2) 4M x 36

(2) 16M x 36

192MB

(2) 8M x 36

(2) 8M x 36

(2) 8M x 36

256MB

(2) 32M x 36

None

None

256MB

(2) 16M x 36

(2) 16M x 36

None

256MB

(2) 8M x 36

(2) 8M x 36

(2) 16M x 36

Note: Board accepts EDO memory.

DIMM CONFIGURATION

Size

Bank 3

Bank 4

8MB

(1) 1M x 64

None

16MB

(1) 2M x 64

None

16MB

(1) 1M x 64

(1) 1M x 64

24MB

(1) 2M x 64

(1) 1M x 64

32MB

(1) 4M x 64

None

32MB

(1) 2M x 64

(1) 2M x 64

40MB

(1) 4M x 64

(1) 1M x 64

48MB

(1) 4M x 64

(1) 2M x 64

64MB

(1) 8M x 64

None

64MB

(1) 4M x 64

(1) 4M x 64

72MB

(1) 8M x 64

(1) 1M x 64

80MB

(1) 8M x 64

(1) 2M x 64

96MB

(1) 8M x 64

(1) 4M x 64

128MB

(1) 8M x 64

(1) 8M x 64

256MB

(1) 16M x 64

(1) 16M x 64

DIMM/SIMM CONFIGURATION

Size

Bank 0

Bank 1

Bank 2

Bank 3

Bank 4

16MB

(2) 1M x 36

None

None

(1) 1M x 64

None

24MB

(2) 1M x 36

None

None

(1) 2M x 64

None

24MB

(2) 1M x 36

None

None

(1) 1M x 64

(1) 1M x 64

24MB

(2) 1M x 36

(2) 1M x 36

None

None

(1) 1M x 64

32MB

(2) 1M x 36

None

None

(1) 1M x 64

(1) 2M x 64

32MB

(2) 2M x 36

None

None

(1) 2M x 64

None

32MB

(2) 2M x 36

None

None

(1) 1M x 64

(1) 1M x 64

32MB

(2) 1M x 36

(2) 1M x 36

None

None

(1) 2M x 64

40MB

(2) 1M x 36

None

None

(1) 4M x 64

None

40MB

(2) 1M x 36

None

None

(1) 2M x 64

(1) 2M x 64

40MB

(2) 2M x 36

None

None

(1) 1M x 64

(1) 2M x 64

40MB

(2) 2M x 36

(2) 2M x 36

None

None

(1) 1M x 64

48MB

(2) 1M x 36

None

None

(1) 1M x 64

(1) 4M x 64

48MB

(2) 2M x 36

None

None

(1) 4M x 64

None

48MB

(2) 2M x 36

None

None

(1) 2M x 64

(1) 2M x 64

48MB

(2) 4M x 36

None

None

(1) 1M x 64

(1) 1M x 64

48MB

(2) 1M x 36

(2) 1M x 36

None

None

(1) 4M x 64

48MB

(2) 2M x 36

(2) 2M x 36

None

None

(1) 2M x 64

56MB

(2) 1M x 36

None

None

(1) 2M x 64

(1) 4M x 64

56MB

(2) 2M x 36

None

None

(1) 1M x 64

(1) 4M x 64

56MB

(2) 4M x 36

None

None

(1) 1M x 64

(1) 2M x 64

64MB

(2) 2M x 36

None

None

(1) 2M x 64

(1) 4M x 64

64MB

(2) 4M x 36

None

None

(1) 4M x 64

None

64MB

(2) 4M x 36

None

None

(1) 2M x 64

(1) 2M x 64

64MB

(2) 2M x 36

(2) 2M x 36

None

None

(1) 4M x 64

72MB

(2) 1M x 36

None

None

(1) 8M x 64

None

72MB

(2) 1M x 36

None

None

(1) 4M x 64

(1) 4M x 64

72MB

(2) 4M x 36

None

None

(1) 1M x 64

(1) 4M x 64

72MB

(2) 4M x 36

(2) 4M x 36

None

None

(1) 1M x 64

80MB

(2) 1M x 36

None

None

(1) 1M x 64

(1) 8M x 64

80MB

(2) 2M x 36

None

None

(1) 8M x 64

None

80MB

(2) 2M x 36

None

None

(1) 4M x 64

(1) 4M x 64

80MB

(2) 4M x 36

None

None

(1) 2M x 64

(1) 4M x 64

80MB

(2) 8M x 36

None

None

(1) 1M x 64

(1) 1M x 64

80MB

(2) 4M x 36

(2) 4M x 36

None

None

(1) 2M x 64

88MB

(2) 1M x 36

None

None

(1) 2M x 64

(1) 8M x 64

88MB

(2) 2M x 36

None

None

(1) 1M x 64

(1) 8M x 64

88MB

(2) 8M x 36

None

None

(1) 1M x 64

(1) 2M x 64

96MB

(2) 4M x 36

None

None

(1) 8M x 64

None

96MB

(2) 4M x 36

None

None

(1) 4M x 64

(1) 4M x 64

96MB

(2) 8M x 36

None

None

(1) 2M x 64

(1) 2M x 64

96MB

(2) 4M x 36

(2) 4M x 36

None

None

(1) 4M x 64

DIMM/SIMM CONFIGURATION (CON’T)

Size

Bank 0

Bank 1

Bank 2

Bank 3

Bank 4

104MB

(2) 1M x 36

None

None

(1) 4M x 64

(1) 8M x 64

104MB

(2) 4M x 36

None

None

(1) 1M x 64

(1) 8M x 64

104MB

(2) 8M x 36

None

None

(1) 1M x 64

(1) 4M x 64

112MB

(2) 2M x 36

None

None

(1) 4M x 64

(1) 8M x 64

112MB

(2) 4M x 36

None

None

(1) 2M x 64

(1) 8M x 64

112MB

(2) 8M x 36

None

None

(1) 2M x 64

(1) 4M x 64

128MB

(2) 4M x 36

None

None

(1) 4M x 64

(1) 8M x 64

128MB

(2) 8M x 36

None

None

(1) 8M x 64

None

128MB

(2) 8M x 36

None

None

(1) 4M x 64

(1) 4M x 64

136MB

(2) 1M x 36

None

None

(1) 8M x 64

(1) 8M x 64

136MB

(2) 8M x 36

None

None

(1) 1M x 64

(1) 8M x 64

136MB

(2) 16M x 36

None

None

(1) 1M x 64

None

136MB

(2) 8M x 36

(2) 8M x 36

None

None

(1) 1M x 64

144MB

(2) 2M x 36

None

None

(1) 8M x 64

(1) 8M x 64

144MB

(2) 8M x 36

None

None

(1) 2M x 64

(1) 8M x 64

144MB

(2) 16M x 36

None

None

(1) 2M x 64

None

144MB

(2) 16M x 36

None

None

(1) 1M x 64

(1) 1M x 64

144MB

(2) 1M x 36

(2) 1M x 36

None

None

(1) 16M x 64

144MB

(2) 8M x 36

(2) 8M x 36

None

None

(1) 2M x 64

160MB

(2) 4M x 36

None

None

(1) 8M x 64

(1) 8M x 64

160MB

(2) 8M x 36

None

None

(1) 4M x 64

(1) 8M x 64

160MB

(2) 16M x 36

None

None

(1) 4M x 64

None

160MB

(2) 16M x 36

None

None

(1) 2M x 64

(1) 2M x 64

160MB

(2) 2M x 36

(2) 2M x 36

None

None

(1) 16M x 64

160MB

(2) 8M x 36

(2) 8M x 36

None

None

(1) 4M x 64

168MB

(2) 16M x 36

None

None

(1) 1M x 64

(1) 4M x 64

176MB

(2) 16M x 36

None

None

(1) 2M x 64

(1) 4M x 64

192MB

(2) 8M x 36

None

None

(1) 8M x 64

(1) 8M x 64

192MB

(2) 16M x 36

None

None

(1) 8M x 64

None

192MB

(2) 16M x 36

None

None

(1) 4M x 64

(1) 4M x 64

192MB

(2) 4M x 36

(2) 4M x 36

None

None

(1) 16M x 64

200MB

(2) 16M x 36

None

None

(1) 1M x 64

(1) 8M x 64

208MB

(2) 16M x 36

None

None

(1) 2M x 64

(1) 8M x 64

256MB

(2) 16M x 36

None

None

(1) 8M x 64

(1) 8M x 64

256MB

(2) 8M x 36

(2) 8M x 36

None

None

(1) 16M x 64

CACHE CONFIGURATION

Size

Bank 0

256KB

(2) 32K x 32

512KB

(2) 64K x 32

Note: The location of bank 0 is unidentified.

CPU SPEED SELECTION (CYRIX)

CPU speed

Clock speed

Multiplier

JP4

JP5

JP6

JP7

JP8

JP60

150MHz

60MHz

2x

1 & 2

2 & 3

2 & 3

2 & 3

1 & 2

Open

166MHz

66MHz

2x

1 & 2

2 & 3

2 & 3

1 & 2

2 & 3

Open

Note: Pins designated should be in the closed position.

CPU SPEED SELECTION (AM K5)

CPU speed

Clock speed

Multiplier

JP4

JP5

JP6

JP7

JP8

JP60

75MHz

50MHz

1.5x

1 & 2

1 & 2

2 & 3

2 & 3

2 & 3

Open

90MHz

60MHz

1.5x

1 & 2

1 & 2

2 & 3

2 & 3

1 & 2

Open

100MHz

66MHz

1.5x

1 & 2

1 & 2

2 & 3

1 & 2

2 & 3

Open

120MHz

60MHz

1.5x

1 & 2

1 & 2

2 & 3

2 & 3

1 & 2

Open

133MHz

66MHz

2x

1 & 2

2 & 3

2 & 3

1 & 2

2 & 3

Open

166MHz

66MHz

2.5x

2 & 3

2 & 3

2 & 3

1 & 2

2 & 3

Open

Note: Pins designated should be in the closed position.

CPU SPEED SELECTION (AM K6)

CPU speed

Clock speed

Multiplier

JP4

JP5

JP6

JP7

JP8

JP60

166MHz

66MHz

2.5x

2 & 3

2 & 3

2 & 3

1 & 2

2 & 3

Open

200MHz

66MHz

3x

2 & 3

1 & 2

2 & 3

1 & 2

2 & 3

Open

233MHz

66MHz

3.5x

1 & 2

1 & 2

2 & 3

1 & 2

2 & 3

1 & 2

Note: Pins designated should be in the closed position.

CPU SPEED SELECTION (INTEL)

CPU speed

Clock speed

Multiplier

JP4

JP5

JP6

JP7

JP8

JP60

75MHz

50MHz

1.5x

1 & 2

1 & 2

2 & 3

2 & 3

2 & 3

Open

90MHz

60MHz

1.5x

1 & 2

1 & 2

2 & 3

2 & 3

1 & 2

Open

100MHz

66MHz

1.5x

1 & 2

1 & 2

2 & 3

1 & 2

2 & 3

Open

120MHz

60MHz

2x

1 & 2

2 & 3

2 & 3

2 & 3

1 & 2

Open

133MHz

66MHz

2x

1 & 2

2 & 3

2 & 3

1 & 2

2 & 3

Open

150MHz

60MHz

2.5x

2 & 3

2 & 3

2 & 3

2 & 3

1 & 2

Open

166MHz

66MHz

2.5x

2 & 3

2 & 3

2 & 3

1 & 2

2 & 3

Open

180MHz

60MHz

3x

2 & 3

1 & 2

2 & 3

2 & 3

1 & 2

Open

200MHz

66MHz

3x

2 & 3

1 & 2

2 & 3

1 & 2

2 & 3

Open

233MHz

66MHz

3.5x

1 & 2

1 & 2

2 & 3

1 & 2

2 & 3

Open

Note: Pins designated should be in the closed position.

CPU TYPE SELECTION

Type

JP11

JP12

JP13

JP14

JP15

JP16

JP17

JP18

CX 6X86

Open

Closed

Open

Open

Open

Open

Closed

Open

CX 6X86L

Open

Open

Open

Closed

Open

Open

Closed

Open

P54C/CS/CTB

Open

Closed

Open

Open

Open

Open

Closed

Open

AM K5

Open

Open

Closed

Open

Open

Open

Closed

Open

AM K6-166/200

Open

Open

Open

Closed

Open

Open

Closed

Open

AM K6-233

Closed

Open

Open

Open

Open

Open

Closed

Open

P55C

Open

Open

Open

Closed

Open

Open

Closed

Open