MICRO-STAR INTERNATIONAL CO., LTD.

MS-6116

Device Type

Mainboard

Processor

Pentium II

Processor Speed

233/250/266/300/350/400/450MHz

Chip Set

Intel 440BX

Maximum Onboard Memory

1GB (EDO & SDRAM supported)

Cache

256/512KB (located on the Pentium II CPU)

BIOS

Unidentified

Dimensions

300mm x 225mm

I/O Options

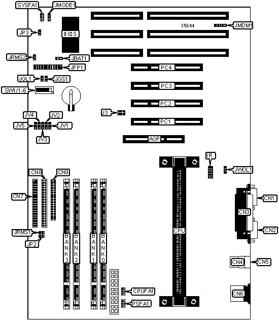
32-bit PCI slots (4), floppy drive interfaceIDE interfaces (2), parallel port, PS/2 mouse port, serial ports (2), IR connector, USB connectors (2), ATX power connector, AGP slot

CONNECTIONS

Purpose

Location

Purpose

Location

AGP slot

AGP

Power LED & keylock

JFP1/pins 1 - 5

ATX power connector

ATX

Speaker

JFP1/pins 7 - 10

Serial port 2

CN1

IDE interface LED

JFP1/pins 12 & 24

Serial port 1

CN2

Turbo LED

JFP1/pins 14 & 15

Parallel port

CN3

Reset switch

JFP1/pins 21 & 22

USB connector 1

CN4

Wake on modem connector

JMDM1

USB connector 2

CN5

Chassis intrusion connector

JP3

PS/2 mouse port

CN6

Power switch

JRMS1

IDE interface 1

CN7

Power switch

JRMS2

IDE interface 2

CN8

Wake on LAN connector

JWOL1

Floppy drive interface

CN9

32-bit PCI slots

PC1 - PC4

CPU fan power

CPUFA1

Power supply fan power

PSFA1

IR connector

IR

Chassis fan power

SYSFA1

Sound card connector

J3

   

USER CONFIGURABLE SETTINGS

Function

Label

Position

 

Flash BIOS voltage select 12v

JMODE1

Pins 1 & 2 closed

 

Flash BIOS voltage select 5v

JMODE1

Pins 2 & 3 closed

»

CMOS memory normal operation

JBAT1

Pins 1 & 2 closed

 

CMOS memory clear

JBAT1

Pins 2 & 3 closed

»

Boot up by switch

JP2

Closed

 

Immediate boot up

JP2

Open

DIMM CONFIGURATION

Size

Bank 0

Bank 1

Bank 2

Bank 3

8 MB

(1) 1M x 64

None

None

None

16 MB

(1) 1M x 64

(1) 1M x 64

None

None

16 MB

(1) 2M x 64

None

None

None

24 MB

(1) 1M x 64

(1) 1M x 64

(1) 1M x 64

None

32 MB

(1) 1M x 64

(1) 1M x 64

(1) 1M x 64

(1) 1M x 64

32 MB

(1) 2M x 64

(1) 2M x 64

None

None

32 MB

(1) 4M x 64

None

None

None

40 MB

(1) 2M x 64

(1) 2M x 64

(1) 1M x 64

None

48 MB

(1) 2M x 64

(1) 2M x 64

(1) 2M x 64

None

DIMM CONFIGURATION (CONT’)

Size

Bank 0

Bank 1

Bank 2

Bank 3

64 MB

(1) 2M x 64

(1) 2M x 64

(1) 2M x 64

(1) 2M x 64

64 MB

(1) 4M x 64

(1) 4M x 64

None

None

64 MB

(1) 8M x 64

None

None

None

80 MB

(1) 4M x 64

(1) 4M x 64

(1) 2M x 64

None

96 MB

(1) 4M x 64

(1) 4M x 64

(1) 4M x 64

None

128 MB

(1) 4M x 64

(1) 4M x 64

(1) 4M x 64

(1) 4M x 64

128 MB

(1) 8M x 64

(1) 8M x 64

None

None

128 MB

(1) 16M x 64

None

None

None

130 MB

(1) 8M x 64

(1) 8M x 64

(1) 4M x 64

None

192 MB

(1) 8M x 64

(1) 8M x 64

(1) 8M x 64

None

256 MB

(1) 8M x 64

(1) 8M x 64

(1) 8M x 64

(1) 8M x 64

256 MB

(1) 16M x 64

(1) 16M x 64

None

None

256 MB

(1) 32M x 64

None

None

None

320 MB

(1) 16M x 64

(1) 16M x 64

(1) 8M x 64

None

384 MB

(1) 16M x 64

(1) 16M x 64

(1) 16M x 64

None

512 MB

(1) 16M x 64

(1) 16M x 64

(1) 16M x 64

(1) 16M x 64

512 MB

(1) 32M x 64

(1) 32M x 64

None

None

640 MB

(1) 32M x 64

(1) 32M x 64

(1) 16M x 64

None

768 MB

(1) 32M x 64

(1) 32M x 64

(1) 32M x 64

None

1024 MB

(1) 32M x 64

(1) 32M x 64

(1) 32M x 64

(1) 32M x 64

CACHE CONFIGURATION

Note: The 256/512KB cache is located on the Pentium II CPU.

CPU SPEED SELECTION

Speed

SW1/5

SW1/6

66.6MHz

On

Off

100MHz

Off

Off

CPU MULTIPLIER SELECTION

Multiplier

SW1/1

SW1/2

SW1/3

SW1/4

2.5x

On

Off

On

On

3x

On

On

Off

On

3.5x

On

Off

Off

On

4x

On

On

On

Off

4.5x

On

Off

On

Off

5x

On

On

Off

Off

5.5x

On

Off

Off

Off

6x

Off

On

On

On

6.5x

Off

Off

On

On

7x

Off

On

Off

On

7.5x

Off

Off

Off

On

8x

Off

On

On

Off