MOTOROLA, INC.
ATXPII
|
Device Type |
Mainboard |
|
Processor |
Pentium II |
|
Processor Speed |
266/300MHz |
|
Chip Set |
Intel 440LX |
|
Maximum Onboard Memory |
384MB |
|
Cache |
256/512KB (located on Pentium II CPU) |
|
BIOS |
Unidentified |
|
Dimensions |
305mm x 241mm |
|
I/O Options |
32-bit PCI slots (4), Ethernet 10BaseT connector, floppy drive interface, IDE interfaces (2), parallel port, PS/2 mouse port, serial ports (2), IR connector, USB connectors (2), ATX power connector, AGP slot, line in, line out, microphone in, audio in - CD-ROMs (2) |
|
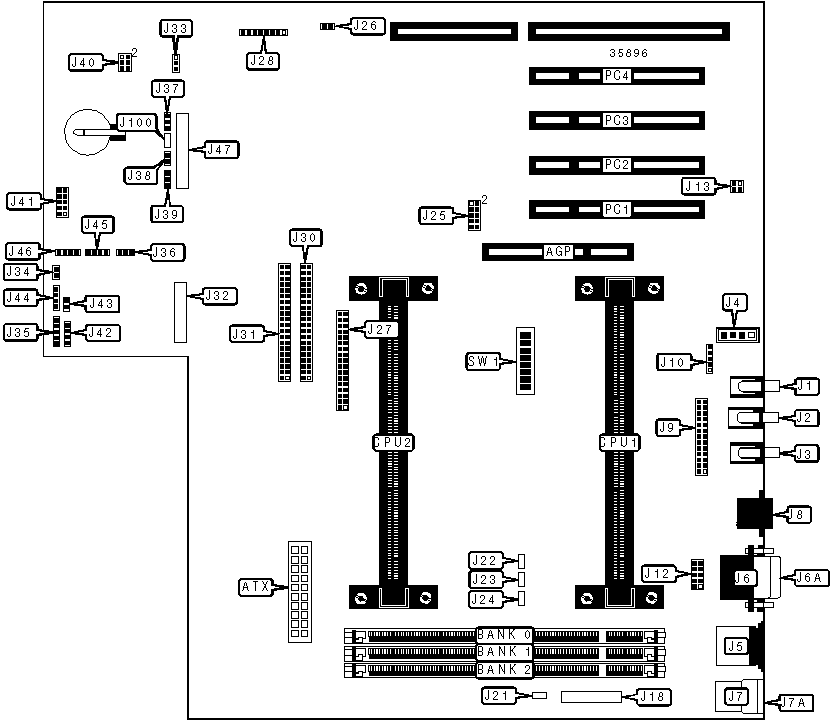
CONNECTIONS | |||
|
Purpose |
Location |
Purpose |
Location |
|
AGP slot |
AGP |
Floppy drive interface |
J27 |
|
ATX power connector |
ATX |
Watchdog timer controller |
J28 |
|
Line in |
J1 |
IDE interface 1 |
J30 |
|
Microphone in |
J2 |
IDE interface 2 |
J31 |
|
Line out |
J3 |
CompactFlash connector |
J32 |
|
Audio in - CD-ROM |
J4 |
Soft off power supply |
J34 |
|
PS/2 mouse port |
J5 |
Power LED & keylock |
J35 |
|
Serial port 2 |
J6 |
Chassis intrusion |
J36 |
|
Serial port 1 |
J6A |
IR connector |
J41 |
|
USB connector 1 |
J7 |
Speaker |
J42 |
|
USB connector 2 |
J7A |
Reset switch |
J43 |
|
Ethernet 10BaseT connector |
J8 |
IDE interface LED |
J44 |
|
Parallel port |
J9 |
External battery |
J45 |
|
Line in cable header |
J10 |
USB connector cable header |
J46 |
|
Serial port 2 cable header |
J12 |
ROM emulator connector |
J47 |
|
Ethernet LED cable header |
J13 |
32-bit PCI slots |
PC1 - PC4 |
|
ITP connector |
J18 | ||
|
USER CONFIGURABLE SETTINGS | |||
|
Function |
Label |
Position | |
|
» |
Factory configured - do not alter |
J21 |
Unidentified |
|
» |
Factory configured - do not alter |
J22 |
Unidentified |
|
» |
Factory configured - do not alter |
J23 |
Unidentified |
|
» |
Factory configured - do not alter |
J24 |
Unidentified |
|
» |
USB select J7 |
J25 |
Pins 3 & 5, 4 & 6, 7 & 8 closed |
|
USB select J46 |
J25 |
Pins 1 & 3, 2 & 4, 9 & 10 closed | |
|
» |
Watchdog timer disabled |
J26 |
Open |
|
Watchdog timer enabled |
J26 |
Closed | |
|
» |
CMOS memory normal operation |
J37 |
Pins 2 & 3 closed |
|
CMOS memory clear |
J37 |
Pins 1 & 2 closed | |
|
» |
Flash BIOS write protect disabled |
J38 |
Closed |
|
Flash BIOS write protect enabled |
J38 |
Open | |
|
» |
Boot block write protect disabled |
J39 |
Pins 1 & 2 closed |
|
Boot block write protect enabled |
J39 |
Pins 2 & 3 closed | |
|
USER CONFIGURABLE SETTINGS (CON'T) | |||
|
Function |
Label |
Position | |
|
» |
Standard PC alarm beeps to speaker |
J40 |
Pins 3 & 5, 4 & 6 closed |
|
Mono audio output to speaker |
J40 |
Pins 1 & 3, 2 & 4 closed | |
|
» |
Speaker enabled |
J42 |
Pins 3 & 4 closed |
|
Speaker disabled |
J42 |
Open | |
|
» |
Battery type select internal |
J45 |
Closed |
|
Battery type select external |
J45 |
Open | |
|
» |
Factory configured - do not alter |
J100 |
Unidentified |
|
» |
Factory configured - do not alter |
SW1/5 |
Unidentified |
|
» |
Factory configured - do not alter |
SW1/6 |
Unidentified |
|
» |
Factory configured - do not alter |
SW1/7 |
Unidentified |
|
» |
Factory configured - do not alter |
SW1/8 |
Unidentified |
|
DIMM CONFIGURATION | |||
|
Size |
Bank 0 |
Bank 1 |
Bank 2 |
|
8MB |
(1) 1M x 64 |
None |
None |
|
16MB |
(1) 2M x 64 |
None |
None |
|
16MB |
(1) 1M x 64 |
(1) 1M x 64 |
None |
|
24MB |
(1) 2M x 64 |
(1) 1M x 64 |
None |
|
24MB |
(1) 1M x 64 |
(1) 1M x 64 |
(1) 1M x 64 |
|
32MB |
(1) 4M x 64 |
None |
None |
|
32MB |
(1) 2M x 64 |
(1) 1M x 64 |
(1) 1M x 64 |
|
32MB |
(1) 2M x 64 |
(1) 2M x 64 |
None |
|
40MB |
(1) 4M x 64 |
(1) 1M x 64 |
None |
|
40MB |
(1) 2M x 64 |
(1) 2M x 64 |
(1) 1M x 64 |
|
48MB |
(1) 4M x 64 |
(1) 1M x 64 |
(1) 1M x 64 |
|
48MB |
(1) 4M x 64 |
(1) 2M x 64 |
None |
|
48MB |
(1) 2M x 64 |
(1) 2M x 64 |
(1) 2M x 64 |
|
56MB |
(1) 4M x 64 |
(1) 2M x 64 |
(1) 1M x 64 |
|
64MB |
(1) 8M x 64 |
None |
None |
|
64MB |
(1) 4M x 64 |
(1) 2M x 64 |
(1) 2M x 64 |
|
64MB |
(1) 4M x 64 |
(1) 4M x 64 |
None |
|
72MB |
(1) 8M x 64 |
(1) 1M x 64 |
None |
|
72MB |
(1) 4M x 64 |
(1) 4M x 64 |
(1) 1M x 64 |
|
80MB |
(1) 8M x 64 |
(1) 1M x 64 |
(1) 1M x 64 |
|
80MB |
(1) 8M x 64 |
(1) 2M x 64 |
None |
|
DIMM CONFIGURATION (CON'T) | |||
|
Size |
Bank 0 |
Bank 1 |
Bank 2 |
|
80MB |
(1) 4M x 64 |
(1) 4M x 64 |
(1) 2M x 64 |
|
88MB |
(1) 8M x 64 |
(1) 2M x 64 |
(1) 1M x 64 |
|
96MB |
(1) 8M x 64 |
(1) 2M x 64 |
(1) 2M x 64 |
|
96MB |
(1) 8M x 64 |
(1) 4M x 64 |
None |
|
96MB |
(1) 4M x 64 |
(1) 4M x 64 |
(1) 4M x 64 |
|
104MB |
(1) 8M x 64 |
(1) 4M x 64 |
(1) 1M x 64 |
|
112MB |
(1) 8M x 64 |
(1) 4M x 64 |
(1) 2M x 64 |
|
128MB |
(1) 16M x 64 |
None |
None |
|
128MB |
(1) 8M x 64 |
(1) 4M x 64 |
(1) 4M x 64 |
|
128MB |
(1) 8M x 64 |
(1) 8M x 64 |
None |
|
136MB |
(1) 16M x 64 |
(1) 1M x 64 |
None |
|
136MB |
(1) 8M x 64 |
(1) 8M x 64 |
(1) 1M x 64 |
|
144MB |
(1) 16M x 64 |
(1) 1M x 64 |
(1) 1M x 64 |
|
144MB |
(1) 16M x 64 |
(1) 2M x 64 |
None |
|
144MB |
(1) 8M x 64 |
(1) 8M x 64 |
(1) 2M x 64 |
|
152MB |
(1) 16M x 64 |
(1) 2M x 64 |
(1) 1M x 64 |
|
160MB |
(1) 16M x 64 |
(1) 2M x 64 |
(1) 2M x 64 |
|
160MB |
(1) 16M x 64 |
(1) 4M x 64 |
None |
|
160MB |
(1) 8M x 64 |
(1) 8M x 64 |
(1) 4M x 64 |
|
168MB |
(1) 16M x 64 |
(1) 4M x 64 |
(1) 1M x 64 |
|
176MB |
(1) 16M x 64 |
(1) 4M x 64 |
(1) 2M x 64 |
|
192MB |
(1) 16M x 64 |
(1) 4M x 64 |
(1) 4M x 64 |
|
192MB |
(1) 16M x 64 |
(1) 8M x 64 |
None |
|
192MB |
(1) 8M x 64 |
(1) 8M x 64 |
(1) 8M x 64 |
|
200MB |
(1) 16M x 64 |
(1) 8M x 64 |
(1) 1M x 64 |
|
208MB |
(1) 16M x 64 |
(1) 8M x 64 |
(1) 2M x 64 |
|
224MB |
(1) 16M x 64 |
(1) 8M x 64 |
(1) 4M x 64 |
|
256MB |
(1) 16M x 64 |
(1) 8M x 64 |
(1) 8M x 64 |
|
384MB |
(1) 16M x 64 |
(1) 16M x 64 |
(1) 16M x 64 |
|
CACHE CONFIGURATION |
|
Note: 256KB/512KB cache is located on the Pentium II CPU. |
|
CPU SPEED SELECTION | ||||||
|
CPU speed |
Clock speed |
Multiplier |
SW1/1 |
SW1/2 |
SW1/3 |
SW1/4 |
|
266MHz |
66MHz |
4x |
On |
On |
Off |
On |
|
300MHz |
66MHz |
4.5x |
Off |
On |
Off |
On |
|
LED SELECTION | ||
|
Setting |
J33 | |
|
Dual function LED |
Open | |
|
Common anode LED |
Pins 1 & 2 closed | |
| » |
Common canode LED |
Pins 2 & 3 closed |