MICRO-STAR INTERNATIONAL CO., LTD.
MS-6119
|
Device Type |
Mainboard |
|
Processor |
Pentium II |
|
Processor Speed |
200/233/266/300/333/350/400/450MHz |
|
Chip Set |
Intel 440BX |
|
Maximum Onboard Memory |
768MB (SDRAM supported) |
|
Cache |
256/512KB (located on Pentium II CPU) |
|
BIOS |
Award |
|
Dimensions |
300mm x 186mm |
|
I/O Options |
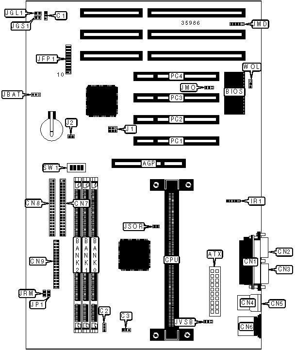
32-bit PCI slots (4), green PC connector, floppy drive interface, IDE interfaces (2), parallel port, PS/2 mouse port, serial ports (2), IR connector, USB connectors (2), ATX power connector, AGP slot, SB-link connector |
|
CONNECTIONS | |||
|
Purpose |
Location |
Purpose |
Location |
|
AGP slot |
AGP |
SB-link connector |
J1 |
|
ATX power connector |
ATX |
Chassis intrusion connector |
J2 |
|
Chassis fan power |
C1 |
Keylock |
JFP1/pins 1 & 10 |
|
CPU fan power |
C2 |
IDE interface LED |
JFP1/pins 3 & 12 |
|
Power supply fan |
C3 |
Power LED |
JFP1/pins 4 - 6 |
|
Parallel port |
CN1 |
Power switch |
JFP1/pins 7 & 8 |
|
Serial port 2 |
CN2 |
Speaker |
JFP1/pins 13 - 16 |
|
Serial port 1 |
CN3 |
Reset switch |
JFP1/pins 17 & 18 |
|
USB connector 1 |
CN4 |
Green PC LED |
JGL1 |
|
USB connector 2 |
CN5 |
Green PC connector |
JGS1 |
|
PS/2 mouse port |
CN6 |
Wake on modem connector |
JMD |
|
IDE interface 2 |
CN7 |
Soft off power supply |
JRM |
|
IDE interface 1 |
CN8 |
Temperature sensor |
JSOR |
|
Floppy drive interface |
CN9 |
32-bit PCI slots |
PC1 - PC4 |
|
IR connector |
IR1 |
Wake on LAN connector |
WOL |
|
USER CONFIGURABLE SETTINGS | |||
|
Function |
Label |
Position | |
|
» |
CMOS memory normal operation |
JBAT |
Pins 1 & 2 closed |
|
CMOS memory clear |
JBAT |
Pins 2 & 3 closed | |
|
» |
Flash BIOS voltage select 12v |
JMO |
Pins 1 & 2 closed |
|
Flash BIOS voltage select 5v |
JMO |
Pins 2 & 3 closed | |
|
Power on mode select boot up by switch |
JP1 |
Closed | |
|
Power on mode select immediate boot up |
JP1 |
Open | |
|
» |
Keyboard voltage select 5v |
JVSB |
Pins 2 & 3 closed |
|
Keyboard voltage select 5v standby |
JVSB |
Pins 1 & 2 closed | |
|
DIMM CONFIGURATION | |||
|
Size |
Bank 0 |
Bank 1 |
Bank 2 |
|
8MB |
(1) 1M x 64 |
None |
None |
|
16MB |
(1) 1M x 64 |
(1) 1M x 64 |
None |
|
16MB |
(1) 2M x 64 |
None |
None |
|
24MB |
(1) 1M x 64 |
(1) 1M x 64 |
(1) 1M x 64 |
|
32MB |
(1) 2M x 64 |
(1) 2M x 64 |
None |
|
32MB |
(1) 4M x 64 |
None |
None |
|
48MB |
(1) 2M x 64 |
(1) 2M x 64 |
(1) 2M x 64 |
|
64MB |
(1) 4M x 64 |
(1) 4M x 64 |
None |
|
64MB |
(1) 8M x 64 |
None |
None |
|
96MB |
(1) 4M x 64 |
(1) 4M x 64 |
(1) 4M x 64 |
|
128MB |
(1) 8M x 64 |
(1) 8M x 64 |
None |
|
DIMM CONFIGURATION (CON'T) | |||
|
Size |
Bank 0 |
Bank 1 |
Bank 2 |
|
128MB |
(1) 16M x 64 |
None |
None |
|
164MB |
(1) 16M x 64 |
(1) 1M x 64 |
None |
|
144MB |
(1) 16M x 64 |
(1) 1M x 64 |
(1) 1M x 64 |
|
144MB |
(1) 16M x 64 |
(1) 2M x 64 |
None |
|
160MB |
(1) 16M x 64 |
(1) 2M x 64 |
(1) 2M x 64 |
|
160MB |
(1) 16M x 64 |
(1) 4M x 64 |
None |
|
192MB |
(1) 16M x 64 |
(1) 4M x 64 |
(1) 4M x 64 |
|
192MB |
(1) 16M x 64 |
(1) 8M x 64 |
None |
|
192MB |
(1) 8M x 64 |
(1) 8M x 64 |
(1) 8M x 64 |
|
256MB |
(1) 16M x 64 |
(1) 8M x 64 |
(1) 8M x 64 |
|
256MB |
(1) 16M x 64 |
(1) 16M x 64 |
None |
|
256MB |
(1) 32M x 64 |
None |
None |
|
264MB |
(1) 32M x 64 |
(1) 1M x 64 |
None |
|
272MB |
(1) 32M x 64 |
(1) 1M x 64 |
(1) 1M x 64 |
|
272MB |
(1) 32M x 64 |
(1) 2M x 64 |
None |
|
288MB |
(1) 32M x 64 |
(1) 2M x 64 |
(1) 2M x 64 |
|
288MB |
(1) 32M x 64 |
(1) 4M x 64 |
None |
|
320MB |
(1) 32M x 64 |
(1) 4M x 64 |
(1) 4M x 64 |
|
320MB |
(1) 32M x 64 |
(1) 8M x 64 |
None |
|
384MB |
(1) 32M x 64 |
(1) 8M x 64 |
(1) 8M x 64 |
|
384MB |
(1) 32M x 64 |
(1) 16M x 64 |
None |
|
384MB |
(1) 16M x 64 |
(1) 16M x 64 |
(1) 16M x 64 |
|
512MB |
(1) 32M x 64 |
(1) 16M x 64 |
(1) 16M x 64 |
|
512MB |
(1) 32M x 64 |
(1) 32M x 64 |
None |
|
768MB |
(1) 32M x 64 |
(1) 32M x 64 |
(1) 32M x 64 |
|
Note: Board accepts SDRAM memory. | |||
|
CACHE CONFIGURATION |
|
Note: 256KB/512KB cache is located on the Pentium II CPU. |
|
CPU SPEED SELECTION | ||||||
|
CPU speed |
Clock speed |
Multiplier |
SW1/1 |
SW1/2 |
SW1/3 |
SW1/4 |
|
200MHz |
66MHz |
3x |
On |
On |
Off |
On |
|
233MHz |
66MHz |
3.5x |
On |
Off |
Off |
On |
|
266MHz |
66MHz |
4x |
On |
On |
On |
Off |
|
300MHz |
66MHz |
4.5x |
On |
Off |
On |
Off |
|
333MHz |
66MHz |
5x |
On |
On |
Off |
Off |
|
350MHz |
100MHz |
3.5x |
On |
Off |
Off |
On |
|
400MHz |
100MHz |
4x |
On |
On |
On |
Off |
|
450MHz |
100MHz |
4.5x |
On |
Off |
On |
Off |