SOYO COMPUTER CO., LTD.
5VX0/X2/X5
|
Processor |
CX M1/AM K5/Pentium |
|
Processor Speed |
75/90/100/120/133/150/166/180/200MHz |
|
Chip Set |
Intel |
|
Video Chip Set |
None |
|
Maximum Onboard Memory |
128MB (EDO supported) |
|
Maximum Video Memory |
None |
|
Cache |
256/512KB |
|
BIOS |
Award |
|
Dimensions |
305mm x 244mm |
|
I/O Options |
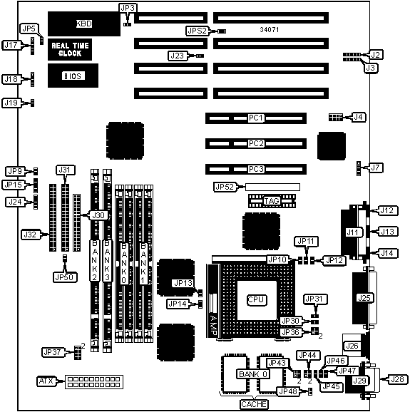
32-bit PCI slots (3), CD-ROM connector, floppy drive interface, game port, green PC connector, IDE interfaces (2), parallel port, PS/2 mouse port, serial ports (2), IR connector, USB connectors (2), ATX power connector, speaker out, line in, microphone in, wavetable connector, Creative Labs wavetable connector |
|
NPU Options |
None |
|
CONNECTIONS | |||
|
Purpose |
Location |
Purpose |
Location |
|
ATX power connector |
ATX |
Green PC connector |
J23 |
|
USB connector |
J2 |
IDE interface LED |
J24 |
|
USB connector |
J3 |
Parallel port |
J25 |
|
Creative Labs wavetable connector |
J4 |
PS/2 mouse port |
J26 |
|
CD-ROM in connector |
J7 |
Serial port 1 |
J28 |
|
Game port |
J11 |
Serial port 2 |
J29 |
|
Speaker out |
J12 |
Floppy drive interface |
J30 |
|
Microphone in |
J13 |
IDE interface 1 |
J31 |
|
Line out |
J14 |
IDE interface 2 |
J32 |
|
Power LED & keylock |
J17 |
IR connector |
JP15 |
|
Speaker |
J18 |
Wavetable connector |
JP52 |
|
Reset switch |
J19 |
32-bit PCI slots |
PC1- -PC3 |
|
USER CONFIGURABLE SETTINGS | |||
|
Function |
Label |
Position | |
|
» |
Monitor type select EGA/VGA |
JP3 |
Closed |
|
Monitor type select monochrome |
JP3 |
Open | |
|
» |
CMOS memory normal operation |
JP5 |
Open |
|
CMOS memory clear |
JP5 |
Closed | |
|
» |
Factory configured - do not alter |
JP9 |
Unidentified |
|
» |
Factory configured - do not alter |
JP50 |
Unidentified |
|
» |
PS/2 mouse disabled |
JPS2 |
Open |
|
PS/2 mouse enabled |
JPS2 |
Closed | |
|
DIMM/DRAM CONFIGURATION | ||||
|
Size |
Bank 0 |
Bank 1 |
Bank 2 |
Bank 3 |
|
4MB |
(2) 512K x 36 |
None |
None |
None |
|
8MB |
(2) 1M x 36 |
None |
None |
None |
|
8MB |
None |
None |
(1) 1M x 64 |
None |
|
16MB |
(2) 2M x 36 |
None |
None |
None |
|
16MB |
None |
None |
(1) 2M x 64 |
None |
|
16MB |
(2) 1M x 36 |
(2) 1M x 36 |
None |
None |
|
16MB |
(2) 1M x 36 |
None |
None |
(1) 1M x 64 |
|
16MB |
None |
None |
(1) 1M x 64 |
(1) 1M x 64 |
|
24MB |
(2) 2M x 36 |
None |
None |
(1) 1M x 64 |
|
32MB |
(2) 4M x 36 |
None |
None |
None |
|
32MB |
None |
None |
(1) 4M x 64 |
None |
|
32MB |
(2) 2M x 36 |
(2) 2M x 36 |
None |
None |
|
32MB |
(2) 2M x 36 |
None |
None |
(1) 2M x 64 |
|
32MB |
None |
None |
(1) 2M x 64 |
(1) 2M x 64 |
|
32MB |
(2) 2M x 36 |
None |
None |
(1) 2M x 64 |
|
40MB |
(2) 4M x 36 |
(2) 1M x 36 |
None |
None |
|
DIMM/DRAM CONFIGURATION (CON’T) | ||||
|
Size |
Bank 0 |
Bank 1 |
Bank 2 |
Bank 3 |
|
40MB |
(2) 4M x 36 |
None |
None |
(1) 1M x 64 |
|
48MB |
None |
(2) 2M x 36 |
(1) 4M x 64 |
None |
|
48MB |
(2) 2M x 36 |
None |
None |
(1) 4M x 64 |
|
48MB |
(2) 4M x 36 |
(2) 2M x 36 |
None |
None |
|
48MB |
(2) 4M x 36 |
None |
None |
(1) 2M x 64 |
|
64MB |
(2) 8M x 36 |
None |
None |
None |
|
64MB |
None |
None |
(1) 8M x 64 |
None |
|
64MB |
(2) 4M x 36 |
None |
None |
(1) 4M x 64 |
|
64MB |
None |
None |
(1) 4M x 64 |
(1) 4M x 64 |
|
64MB |
(2) 4M x 36 |
(2) 4M x 36 |
None |
None |
|
64MB |
None |
(2) 4M x 36 |
(1) 4M x 64 |
None |
|
72MB |
(2) 8M x 36 |
(2) 1M x 36 |
None |
None |
|
72MB |
(2) 8M x 36 |
None |
None |
(1) 1M x 64 |
|
80MB |
None |
(2) 2M x 36 |
(1) 8M x 64 |
None |
|
80MB |
(2) 2M x 36 |
None |
None |
(1) 8M x 64 |
|
80MB |
(2) 8M x 36 |
(2) 2M x 36 |
None |
None |
|
96MB |
(2) 4M x 36 |
None |
None |
(1) 8M x 64 |
|
96MB |
(2) 8M x 36 |
(2) 4M x 36 |
None |
None |
|
96MB |
(2) 8M x 36 |
None |
None |
(1) 4M x 64 |
|
96MB |
None |
(2) 8M x 36 |
(1) 4M x 64 |
None |
|
128MB |
(2) 8M x 36 |
(2) 8M x 36 |
None |
None |
|
128MB |
(2) 8M x 36 |
None |
None |
(1) 8M x 64 |
|
128MB |
None |
None |
(1) 8M x 64 |
(1) 8M x 64 |
|
128MB |
(2) 8M x 36 |
None |
None |
(1) 8M x 64 |
|
Note: Board accepts EDO memory. Banks 0 & 1 and 2 & 3 are interchangeable. Banks 0 & 3 and banks 1 & 2 may be used together. | ||||
|
DIMM VOLTAGE CONFIGURATION | ||
|
Voltage |
JP37 | |
| » |
3.3v |
Pins 5 & 6 closed |
|
5v |
Pins 1 & 2 closed | |
|
CACHE CONFIGURATION | ||
|
Size |
Bank 0 |
TAG |
|
256KB |
(2) 32K x 32 |
(1) 16K x 8 |
|
512KB |
(2) 64K x 32 |
(1) 16K x 8 |
|
CPU SPEED SELECTION (CYRIX) | |||||||
|
CPU speed |
Clock speed |
Multiplier |
JP10 |
JP11 |
JP12 |
JP13 |
JP14 |
|
120MHz |
50MHz |
2x |
Closed |
Closed |
Open |
Closed |
Open |
|
133MHz |
55MHz |
2x |
Open |
Closed |
Open |
Closed |
Open |
|
150MHz |
60MHz |
2x |
Closed |
Open |
Open |
Closed |
Open |
|
166MHz |
66MHz |
2x |
Open |
Open |
Open |
Closed |
Open |
|
CPU SPEED SELECTION (AMD) | |||||||
|
CPU speed |
Clock speed |
Multiplier |
JP10 |
JP11 |
JP12 |
JP13 |
JP14 |
|
75MHz |
50MHz |
1.5x |
Closed |
Closed |
Open |
Open |
Open |
|
90MHz |
60MHz |
1.5x |
Closed |
Open |
Open |
Open |
Open |
|
100MHz |
66MHz |
1.5x |
Open |
Open |
Open |
Open |
Open |
|
120MHz |
60MHz |
1.5x |
Closed |
Open |
Open |
Open |
Open |
|
133MHz |
66MHz |
1.5x |
Open |
Open |
Open |
Open |
Open |
|
150MHz |
60MHz |
2x |
Closed |
Open |
Open |
Closed |
Open |
|
166MHz |
66MHz |
2x |
Open |
Open |
Open |
Closed |
Open |
|
CPU SPEED SELECTION (INTEL) | |||||||
|
CPU speed |
Clock speed |
Multiplier |
JP10 |
JP11 |
JP12 |
JP13 |
JP14 |
|
75MHz |
50MHz |
1.5x |
Closed |
Closed |
Open |
Open |
Open |
|
90MHz |
60MHz |
1.5x |
Closed |
Open |
Open |
Open |
Open |
|
100MHz |
66MHz |
1.5x |
Open |
Open |
Open |
Open |
Open |
|
120MHz |
60MHz |
2x |
Closed |
Open |
Open |
Closed |
Open |
|
133MHz |
66MHz |
2x |
Open |
Open |
Open |
Closed |
Open |
|
150MHz |
60MHz |
2.5x |
Closed |
Open |
Open |
Closed |
Closed |
|
166MHz |
66MHz |
2.5x |
Open |
Open |
Open |
Closed |
Closed |
|
180MHz |
60MHz |
3x |
Closed |
Open |
Open |
Open |
Closed |
|
200MHz |
66MHz |
3x |
Open |
Open |
Open |
Open |
Closed |
|
CPU VOLTAGE SELECTION (SINGLE) | ||||
|
Voltage |
JP30 |
JP31 |
JP36 |
JP43 |
|
3.3v |
Open |
Open |
Open |
1 & 2, 3 & 4 |
|
3.52v |
Open |
Closed |
Open |
Open |
|
Note: Pins designated should be in the closed position. | ||||
|
CPU VOLTAGE SELECTION (SINGLE, CON’T) | |||||
|
Voltage |
JP44 |
JP45 |
JP46 |
JP47 |
JP48 |
|
3.3v |
Open |
Open |
Open |
Open |
Closed |
|
3.52v |
1 & 2, 3 & 4 |
Closed |
Open |
Open |
Open |
|
Note: Pins designated should be in the closed position. | |||||
|
CPU VOLTAGE SELECTION (DUAL) | |||||
|
Voltage |
V core |
JP30 |
JP31 |
JP36 |
JP43 |
|
3.3v |
2.5v |
Open |
Open |
Open |
Open |
|
3.3v |
2.7v |
Open |
Open |
Open |
Open |
|
3.3v |
2.8v |
Open |
Open |
Open |
Open |
|
3.3v |
2.9v |
Open |
Open |
Open |
Open |
|
3.52v |
2.5v |
Open |
Open |
Open |
Open |
|
3.52v |
2.7v |
Open |
Open |
Open |
Open |
|
3.52v |
2.8v |
Open |
Open |
Open |
Open |
|
3.52v |
2.9v |
Open |
Open |
Open |
Open |
|
CPU VOLTAGE SELECTION (DUAL, CON’T) | ||||||
|
Voltage |
V core |
JP44 |
JP45 |
JP46 |
JP47 |
JP48 |
|
3.3v |
2.5v |
1 & 2, 3 & 4 |
Open |
Open |
Closed |
Closed |
|
3.3v |
2.7v |
1 & 2, 3 & 4 |
Open |
Closed |
Open |
Closed |
|
3.3v |
2.8v |
1 & 2, 3 & 4 |
Open |
Closed |
Open |
Closed |
|
3.3v |
2.9v |
1 & 2, 3 & 4 |
Open |
Closed |
Open |
Closed |
|
3.52v |
2.5v |
1 & 2, 3 & 4 |
Open |
Open |
Closed |
Closed |
|
3.52v |
2.7v |
1 & 2, 3 & 4 |
Open |
Closed |
Open |
Closed |
|
3.52v |
2.8v |
1 & 2, 3 & 4 |
Open |
Closed |
Open |
Closed |
|
3.52v |
2.9v |
1 & 2, 3 & 4 |
Open |
Closed |
Open |
Closed |