TMC RESEARCH CORPORATION
TI5VG+ 66MHZ (VER. 1.0B)
|
Device Type |
Mainboard |
|
Processor |
CX 6X86/CX 6X86L/CX 686MX/IDT C6/IDT WinChip/AM K5/ AM K6/Pentium/Pentium MMX |
|
Processor Speed |
90/100/120/133/150/166/180/200/233/266/300/333/350/366/400MHz |
|
Chip Set |
VIA VP3 |
|
Video Chip Set |
None |
|
Maximum Onboard Memory |
384MB (EDO & SDRAM supported) |
|
Maximum Video Memory |
None |
|
Cache |
512/1024KB |
|
BIOS |
Award |
|
Dimensions |
305mm x 180mm |
|
I/O Options |
32-bit PCI slots (4), floppy drive interface, IDE interfaces (2), parallel port, PS/2 mouse port, serial ports (2), IR connector, USB connectors (2), ATX power connector, AGP slot |
|
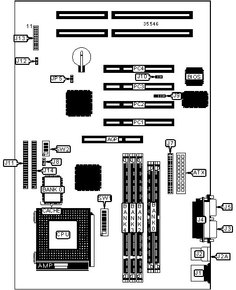
CONNECTIONS | |||
|
Purpose |
Location |
Purpose |
Location |
|
AGP slot |
AGP |
Wake in LAN conenctor |
J10 |
|
ATX power connector |
ATX |
IDE interface 1 |
J11 |
|
PS/2 mouse port |
J1 |
Chassis fan power |
J12 |
|
USB connector 1 |
J2 |
Speaker |
J13/pins 1 - 4 |
|
USB connector 2 |
J2A |
Soft off power supply |
J13/pins 7 & 17 |
|
Serial port 1 |
J3 |
Turbo LED |
J13/pins 8 & 18 |
|
Parallel port |
J4 |
Reset switch |
J13/pins 9 & 19 |
|
Serial port 2 |
J5 |
IDE interface LED |
J13/pins 10 & 20 |
|
Floppy drive interface |
J7 |
Power LED & keylock |
J13/pins 11 - 15 |
|
CPU fan power |
J8 |
IDE interface 2 |
J14 |
|
IR connector |
J9 |
32-bit PCI slots |
PC1 – PC4 |
|
USER CONFIGURABLE SETTINGS | |||
|
Function |
Label |
Position | |
|
» |
CMOS memory normal operation |
JP5 |
Pins 1 & 2 closed |
|
CMOS memory clear |
JP5 |
Pins 2 & 3 closed | |
|
SIMM CONFIGURATION | |
|
Size |
Bank 0 |
|
8MB |
(2) 1M x 36 |
|
16MB |
(2) 2M x 36 |
|
32MB |
(2) 4M x 36 |
|
64MB |
(2) 8M x 36 |
|
128MB |
(2) 16M x 36 |
|
256MB |
(2) 32M x 36 |
|
Note: Board accepts EDO memory. | |
|
DIMM CONFIGURATION | |||
|
Size |
Bank 0 |
Bank 1 |
Bank 2 |
|
8MB |
(1) 1M x 64 |
None |
None |
|
16MB |
(1) 2M x 64 |
None |
None |
|
16MB |
(1) 1M x 64 |
(1) 1M x 64 |
None |
|
24MB |
(1) 2M x 64 |
(1) 1M x 64 |
None |
|
24MB |
(1) 1M x 64 |
(1) 1M x 64 |
(1) 1M x 64 |
|
32MB |
(1) 4M x 64 |
None |
None |
|
DIMM CONFIGURATION (CON’T) | |||
|
Size |
Bank 0 |
Bank 1 |
Bank 2 |
|
32MB |
(1) 2M x 64 |
(1) 1M x 64 |
(1) 1M x 64 |
|
32MB |
(1) 2M x 64 |
(1) 2M x 64 |
None |
|
40MB |
(1) 4M x 64 |
(1) 1M x 64 |
None |
|
40MB |
(1) 2M x 64 |
(1) 2M x 64 |
(1) 1M x 64 |
|
48MB |
(1) 4M x 64 |
(1) 1M x 64 |
(1) 1M x 64 |
|
48MB |
(1) 4M x 64 |
(1) 2M x 64 |
None |
|
48MB |
(1) 2M x 64 |
(1) 2M x 64 |
(1) 2M x 64 |
|
56MB |
(1) 4M x 64 |
(1) 2M x 64 |
(1) 1M x 64 |
|
64MB |
(1) 8M x 64 |
None |
None |
|
64MB |
(1) 4M x 64 |
(1) 2M x 64 |
(1) 2M x 64 |
|
64MB |
(1) 4M x 64 |
(1) 4M x 64 |
None |
|
72MB |
(1) 8M x 64 |
(1) 1M x 64 |
None |
|
72MB |
(1) 4M x 64 |
(1) 4M x 64 |
(1) 1M x 64 |
|
80MB |
(1) 8M x 64 |
(1) 1M x 64 |
(1) 1M x 64 |
|
80MB |
(1) 8M x 64 |
(1) 2M x 64 |
None |
|
80MB |
(1) 4M x 64 |
(1) 4M x 64 |
(1) 2M x 64 |
|
88MB |
(1) 8M x 64 |
(1) 2M x 64 |
(1) 1M x 64 |
|
96MB |
(1) 8M x 64 |
(1) 2M x 64 |
(1) 2M x 64 |
|
96MB |
(1) 8M x 64 |
(1) 4M x 64 |
None |
|
96MB |
(1) 4M x 64 |
(1) 4M x 64 |
(1) 4M x 64 |
|
104MB |
(1) 8M x 64 |
(1) 4M x 64 |
(1) 1M x 64 |
|
112MB |
(1) 8M x 64 |
(1) 4M x 64 |
(1) 2M x 64 |
|
128MB |
(1) 16M x 64 |
None |
None |
|
128MB |
(1) 8M x 64 |
(1) 4M x 64 |
(1) 4M x 64 |
|
128MB |
(1) 8M x 64 |
(1) 8M x 64 |
None |
|
136MB |
(1) 16M x 64 |
(1) 1M x 64 |
None |
|
136MB |
(1) 8M x 64 |
(1) 8M x 64 |
(1) 1M x 64 |
|
144MB |
(1) 16M x 64 |
(1) 1M x 64 |
(1) 1M x 64 |
|
144MB |
(1) 16M x 64 |
(1) 2M x 64 |
None |
|
144MB |
(1) 8M x 64 |
(1) 8M x 64 |
(1) 2M x 64 |
|
152MB |
(1) 16M x 64 |
(1) 2M x 64 |
(1) 1M x 64 |
|
160MB |
(1) 16M x 64 |
(1) 2M x 64 |
(1) 2M x 64 |
|
160MB |
(1) 16M x 64 |
(1) 4M x 64 |
None |
|
DIMM CONFIGURATION (CON’T) | |||
|
Size |
Bank 0 |
Bank 1 |
Bank 2 |
|
160MB |
(1) 8M x 64 |
(1) 8M x 64 |
(1) 4M x 64 |
|
168MB |
(1) 16M x 64 |
(1) 4M x 64 |
(1) 1M x 64 |
|
176MB |
(1) 16M x 64 |
(1) 4M x 64 |
(1) 2M x 64 |
|
192MB |
(1) 16M x 64 |
(1) 4M x 64 |
(1) 4M x 64 |
|
192MB |
(1) 16M x 64 |
(1) 8M x 64 |
None |
|
192MB |
(1) 8M x 64 |
(1) 8M x 64 |
(1) 8M x 64 |
|
200MB |
(1) 16M x 64 |
(1) 8M x 64 |
(1) 1M x 64 |
|
208MB |
(1) 16M x 64 |
(1) 8M x 64 |
(1) 2M x 64 |
|
224MB |
(1) 16M x 64 |
(1) 8M x 64 |
(1) 4M x 64 |
|
256MB |
(1) 16M x 64 |
(1) 8M x 64 |
(1) 8M x 64 |
|
384MB |
(1) 16M x 64 |
(1) 16M x 64 |
(1) 16M x 64 |
|
Note: Board accepts EDO & SDRAM memory. | |||
|
CACHE CONFIGURATION | |
|
Size |
Bank 0 |
|
512KB |
(1) 64K x 64 |
|
1MB |
(1) 128K x 64 |
|
CPU SPEED SELECTION (CX 6X86) | ||||||
|
CPU speed |
Clock speed |
Multiplier |
SW1/1 |
SW1/2 |
SW1/3 |
SW1/4 |
|
150MHz |
60MHz |
2x |
On |
On |
On |
Off |
|
166MHz |
66MHz |
2x |
Off |
On |
On |
Off |
|
200MHz |
75MHz |
2x |
Off |
Off |
On |
Off |
|
CPU SPEED SELECTION (CX 6X86, CON’T) | ||||||
|
CPU speed |
Clock speed |
Multiplier |
SW1/5 |
SW1/6 |
SW1/7 |
SW1/8 |
|
150MHz |
60MHz |
2x |
On |
Off |
Off |
Off |
|
166MHz |
66MHz |
2x |
On |
Off |
Off |
Off |
|
200MHz |
75MHz |
2x |
On |
Off |
Off |
Off |
|
CPU SPEED SELECTION (CX 6X86L) | ||||||
|
CPU speed |
Clock speed |
Multiplier |
SW1/1 |
SW1/2 |
SW1/3 |
SW1/4 |
|
150MHz |
60MHz |
2x |
On |
On |
On |
Off |
|
166MHz |
66MHz |
2x |
Off |
On |
On |
Off |
|
200MHz |
75MHz |
2x |
Off |
Off |
On |
Off |
|
CPU SPEED SELECTION (CX 6X86L, CON’T) | ||||||
|
CPU speed |
Clock speed |
Multiplier |
SW1/5 |
SW1/6 |
SW1/7 |
SW1/8 |
|
150MHz |
60MHz |
2x |
On |
Off |
Off |
Off |
|
166MHz |
66MHz |
2x |
On |
Off |
Off |
Off |
|
200MHz |
75MHz |
2x |
On |
Off |
Off |
Off |
|
CPU SPEED SELECTION (CX 6X86MX) | ||||||
|
CPU speed |
Clock speed |
Multiplier |
SW1/1 |
SW1/2 |
SW1/3 |
SW1/4 |
|
166MHz |
60MHz |
2.5x |
On |
On |
On |
Off |
|
200MHz |
66MHz |
2.5x |
Off |
On |
On |
Off |
|
233MHz |
66MHz |
3x |
Off |
On |
On |
Off |
|
233MHz |
75MHz |
2.5x |
Off |
Off |
On |
Off |
|
266MHz |
66MHz |
3.5x |
Off |
On |
On |
Off |
|
CPU SPEED SELECTION (CX 6X86MX, CON’T) | ||||||
|
CPU speed |
Clock speed |
Multiplier |
SW1/5 |
SW1/6 |
SW1/7 |
SW1/8 |
|
166MHz |
60MHz |
2.5x |
On |
On |
Off |
Off |
|
200MHz |
66MHz |
2.5x |
On |
On |
Off |
Off |
|
233MHz |
66MHz |
3x |
Off |
On |
Off |
Off |
|
233MHz |
75MHz |
2.5x |
On |
On |
Off |
Off |
|
266MHz |
66MHz |
3.5x |
Off |
Off |
Off |
Off |
|
CPU SPEED SELECTION (IDT C6) | ||||||
|
CPU speed |
Clock speed |
Multiplier |
SW1/1 |
SW1/2 |
SW1/3 |
SW1/4 |
|
180MHz |
60MHz |
3x |
On |
On |
On |
Off |
|
200MHz |
66MHz |
3x |
Off |
On |
On |
Off |
|
CPU SPEED SELECTION (IDT C6, CON’T) | ||||||
|
CPU speed |
Clock speed |
Multiplier |
SW1/5 |
SW1/6 |
SW1/7 |
SW1/8 |
|
180MHz |
60MHz |
3x |
Off |
On |
Off |
On |
|
200MHz |
66MHz |
3x |
Off |
On |
Off |
On |
|
CPU SPEED SELECTION (IDT WINCHIP) | ||||||
|
CPU speed |
Clock speed |
Multiplier |
SW1/1 |
SW1/2 |
SW1/3 |
SW1/4 |
|
200MHz |
66MHz |
3x |
Off |
On |
On |
Off |
|
225MHz |
75MHz |
3x |
Off |
Off |
On |
Off |
|
266MHz |
66MHz |
4x |
Off |
On |
On |
Off |
|
CPU SPEED SELECTION (IDT WINCHIP, CON’T) | ||||||
|
CPU speed |
Clock speed |
Multiplier |
SW1/5 |
SW1/6 |
SW1/7 |
SW1/8 |
|
200MHz |
66MHz |
3x |
Off |
On |
Off |
On |
|
225MHz |
75MHz |
3x |
Off |
On |
Off |
On |
|
266MHz |
66MHz |
4x |
On |
Off |
On |
On |
|
CPU SPEED SELECTION (AM K5) | ||||||
|
CPU speed |
Clock speed |
Multiplier |
SW1/1 |
SW1/2 |
SW1/3 |
SW1/4 |
|
90MHz |
60MHz |
1.5x |
On |
On |
On |
Off |
|
100MHz |
66MHz |
1.5x |
Off |
On |
On |
Off |
|
133MHz |
66MHz |
2x |
Off |
On |
On |
Off |
|
166MHz |
66MHz |
2.5x |
Off |
On |
On |
Off |
|
CPU SPEED SELECTION (AM K5, CON’T) | ||||||
|
CPU speed |
Clock speed |
Multiplier |
SW1/5 |
SW1/6 |
SW1/7 |
SW1/8 |
|
90MHz |
60MHz |
1.5x |
Off |
Off |
Off |
On |
|
100MHz |
66MHz |
1.5x |
Off |
Off |
Off |
On |
|
133MHz |
66MHz |
2x |
On |
Off |
Off |
On |
|
166MHz |
66MHz |
2.5x |
On |
On |
Off |
On |
|
CPU SPEED SELECTION (AM K6) | ||||||
|
CPU speed |
Clock speed |
Multiplier |
SW1/1 |
SW1/2 |
SW1/3 |
SW1/4 |
|
166MHz |
66MHz |
2.5x |
Off |
On |
On |
Off |
|
200MHz |
66MHz |
3x |
Off |
On |
On |
Off |
|
233MHz |
66MHz |
3.5x |
Off |
On |
On |
Off |
|
266MHz |
66MHz |
4x |
Off |
On |
On |
Off |
|
300MHz |
66MHz |
4.5x |
Off |
On |
On |
Off |
|
CPU SPEED SELECTION (AM K6, CON’T) | ||||||
|
CPU speed |
Clock speed |
Multiplier |
SW1/5 |
SW1/6 |
SW1/7 |
SW1/8 |
|
166MHz |
66MHz |
2.5x |
On |
On |
Off |
On |
|
200MHz |
66MHz |
3x |
Off |
On |
Off |
On |
|
233MHz |
66MHz |
3.5x |
Off |
Off |
Off |
On |
|
266MHz |
66MHz |
4x |
On |
Off |
On |
On |
|
300MHz |
66MHz |
4.5x |
On |
On |
On |
On |
|
CPU SPEED SELECTION (AM K6-2) | ||||||
|
CPU speed |
Clock speed |
Multiplier |
SW1/1 |
SW1/2 |
SW1/3 |
SW1/4 |
|
300MHz |
100MHz |
3x |
Off |
Off |
Off |
On |
|
333MHz |
95MHz |
3.5x |
On |
Off |
Off |
On |
|
350MHz |
100MHz |
3.5x |
Off |
Off |
Off |
On |
|
400MHz |
100MHz |
4x |
Off |
Off |
Off |
On |
|
CPU SPEED SELECTION (AM K6-2, CON’T) | ||||||
|
CPU speed |
Clock speed |
Multiplier |
SW1/5 |
SW1/6 |
SW1/7 |
SW1/8 |
|
300MHz |
100MHz |
3x |
Off |
On |
Off |
Off |
|
333MHz |
95MHz |
3.5x |
Off |
Off |
Off |
Off |
|
350MHz |
100MHz |
3.5x |
Off |
Off |
Off |
Off |
|
400MHz |
100MHz |
4x |
On |
Off |
On |
Off |
|
CPU SPEED SELECTION (INTEL) | ||||||
|
CPU speed |
Clock speed |
Multiplier |
SW1/1 |
SW1/2 |
SW1/3 |
SW1/4 |
|
90MHz |
60MHz |
1.5x |
On |
On |
On |
Off |
|
100MHz |
66MHz |
1.5x |
Off |
On |
On |
Off |
|
120MHz |
60MHz |
2x |
On |
On |
On |
Off |
|
133MHz |
66MHz |
2x |
Off |
On |
On |
Off |
|
150MHz |
60MHz |
2.5x |
On |
On |
On |
Off |
|
166MHz |
66MHz |
2.5x |
Off |
On |
On |
Off |
|
200MHz |
66MHz |
3x |
Off |
On |
On |
Off |
|
CPU SPEED SELECTION (INTEL, CON’T) | ||||||
|
CPU speed |
Clock speed |
Multiplier |
SW1/5 |
SW1/6 |
SW1/7 |
SW1/8 |
|
90MHz |
60MHz |
1.5x |
Off |
Off |
Off |
On |
|
100MHz |
66MHz |
1.5x |
Off |
Off |
Off |
On |
|
120MHz |
60MHz |
2x |
On |
Off |
Off |
On |
|
133MHz |
66MHz |
2x |
On |
Off |
Off |
On |
|
150MHz |
60MHz |
2.5x |
On |
On |
Off |
On |
|
166MHz |
66MHz |
2.5x |
On |
On |
Off |
On |
|
200MHz |
66MHz |
3x |
Off |
On |
Off |
On |
|
CPU SPEED SELECTION (INTEL MMX) | ||||||
|
CPU speed |
Clock speed |
Multiplier |
SW1/1 |
SW1/2 |
SW1/3 |
SW1/4 |
|
166MHz |
66MHz |
2.5x |
Off |
On |
On |
Off |
|
200MHz |
66MHz |
3x |
Off |
On |
On |
Off |
|
233MHz |
66MHz |
3.5x |
Off |
On |
On |
Off |
|
CPU SPEED SELECTION (INTEL MMX, CON’T) | ||||||
|
CPU speed |
Clock speed |
Multiplier |
SW1/5 |
SW1/6 |
SW1/7 |
SW1/8 |
|
166MHz |
66MHz |
2.5x |
On |
On |
Off |
On |
|
200MHz |
66MHz |
3x |
Off |
On |
Off |
On |
|
233MHz |
66MHz |
3.5x |
Off |
Off |
Off |
On |
|
CPU VOLTAGE SELECTION (SINGLE) | ||||
|
Voltage |
SW2/1 |
SW2/2 |
SW2/3 |
SW2/4 |
|
3.5v |
On |
On |
On |
On |
|
CPU VOLTAGE SELECTION | |||||
|
Voltage I/O |
V core |
SW2/1 |
SW2/2 |
SW2/3 |
SW2/4 |
|
3.3v |
2.3v |
On |
On |
Off |
Off |
|
3.3v |
2.4v |
Off |
Off |
On |
Off |
|
3.3v |
2.5v |
On |
Off |
On |
Off |
|
3.3v |
2.6v |
Off |
On |
On |
Off |
|
3.3v |
2.7v |
On |
On |
On |
Off |
|
3.3v |
2.8v |
Off |
Off |
Off |
On |
|
3.3v |
2.9v |
On |
Off |
Off |
On |
|
3.3v |
3.0v |
Off |
On |
Off |
On |
|
3.3v |
3.1v |
On |
On |
Off |
On |
|
3.3v |
3.2v |
Off |
Off |
On |
On |
|
3.3v |
3.3v |
On |
Off |
On |
On |
|
3.3v |
3.4v |
Off |
On |
On |
On |
|
3.3v |
3.5v |
On |
On |
On |
On |