Celan technology, inc
Ethernet transceiver 10base-fl
|
Card Type |
Network Interface Card |
|
NIC Type |
Ethernet |
|
Network Transfer Rate |
10Mbps |
|
Topology |
Linear Bus, Star |
|
Wiring Type |
AUI transceiver via DB-15 port, Fiber optic cable |
|
Data Bus |
External |
|
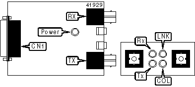
CONNECTIONS | |||
|
Function |
Label |
Function |
Label |
|
AUI transceiver via DB-15 |
CN1 |
RG-62 Fiber optic |
TX |
|
RG-62 Fiber optic |
RX | ||
|
DIAGNOSTIC LED(S) | |||
|
LED |
Color |
Status |
Condition |
|
COL |
Red |
Blinking |
Collision detected on network |
|
COL |
Red |
Off |
No collision detected on network |
|
LNK |
Orange |
On |
Linking successful |
|
LNK |
Orange |
Off |
Linking failed |
|
Power |
Green |
On |
Power is on |
|
Power |
Green |
Off |
Power is off |
|
Rx |
Green |
Blinking |
Data is being received |
|
Rx |
Green |
Off |
Data is not being received |
|
Tx |
Yellow |
Blinking |
Data is being transmitted |
|
Tx |
Yellow |
Off |
Data is not being transmitted |