LONGSHINE MICROSYSTEM, INC.
LCS-8834 (REV. C)
|
NIC Type |
Ethernet |
|
Transfer Rate |
10Mbps |
|
Data Bus |
8-bit ISA |
|
Topology |
Linear Bus |
|
Wiring Type |
RG58A/U 50ohm coaxial AUI transceiver via DB-15 port |
|
Boot ROM |
Available |
|
CABLE TYPE | ||
|
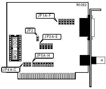
Type |
JP1A - JP1F | |
| » |
RG58A/U 50ohm coaxial |
Pins 2 & 3 closed |
|
AUI transceiver via DB-15 port |
Pins 1 & 2 closed | |
|
BOOT ROM | ||
|
Setting |
JP2 | |
| » |
Disabled |
Open |
|
Enabled |
Closed | |
|
INTERUPT REQUEST | |||||
|
IRQ |
JP5A |
JP5B |
JP5C |
JP5D | |
|
2/9 |
Closed |
Open |
Open |
Open | |
| » |
3 |
Open |
Closed |
Open |
Open |
|
4 |
Open |
Open |
Closed |
Open | |
|
5 |
Open |
Open |
Open |
Closed | |
|
DMA CHANNEL | |||||
|
Channel |
JP5E |
JP5F |
JP5G |
JP5H | |
| » |
Disabled |
JP5E/pin 1 connected to JP5F/pin 1 and JP5G/pin 1 connected to JP5H/pin 1 | |||
|
DMA1 |
Closed |
Open |
Closed |
Open | |
|
DMA3 |
Closed |
Open |
Open |
Closed | |
|
BASE MEMORY ADDRESS | |||||||
|
Address |
JP3A |
JP3B |
JP3C |
JP3D |
JP3E | ||
|
C000h |
Pins 1 & 2 |
Pins 1 & 2 |
Pins 1 & 2 |
Pins 1 & 2 |
Pins 1 & 2 | ||
|
C200h |
Pins 2 & 3 |
Pins 1 & 2 |
Pins 1 & 2 |
Pins 1 & 2 |
Pins 1 & 2 | ||
|
C400h |
Pins 1 & 2 |
Pins 2 & 3 |
Pins 1 & 2 |
Pins 1 & 2 |
Pins 1 & 2 | ||
|
C600h |
Pins 2 & 3 |
Pins 2 & 3 |
Pins 1 & 2 |
Pins 1 & 2 |
Pins 1 & 2 | ||
| » |
C800h |
Pins 1 & 2 |
Pins 1 & 2 |
Pins 2 & 3 |
Pins 1 & 2 |
Pins 1 & 2 | |
|
CA00h |
Pins 2 & 3 |
Pins 1 & 2 |
Pins 2 & 3 |
Pins 1 & 2 |
Pins 1 & 2 | ||
|
CC00h |
Pins 1 & 2 |
Pins 2 & 3 |
Pins 2 & 3 |
Pins 1 & 2 |
Pins 1 & 2 | ||
|
CE00h |
Pins 2 & 3 |
Pins 2 & 3 |
Pins 2 & 3 |
Pins 1 & 2 |
Pins 1 & 2 | ||
|
D000h |
Pins 1 & 2 |
Pins 1 & 2 |
Pins 1 & 2 |
Pins 2 & 3 |
Pins 1 & 2 | ||
|
D200h |
Pins 2 & 3 |
Pins 1 & 2 |
Pins 1 & 2 |
Pins 2 & 3 |
Pins 1 & 2 | ||
|
D400h |
Pins 1 & 2 |
Pins 2 & 3 |
Pins 1 & 2 |
Pins 2 & 3 |
Pins 1 & 2 | ||
|
D600h |
Pins 2 & 3 |
Pins 2 & 3 |
Pins 1 & 2 |
Pins 2 & 3 |
Pins 1 & 2 | ||
|
D800h |
Pins 1 & 2 |
Pins 1 & 2 |
Pins 2 & 3 |
Pins 2 & 3 |
Pins 1 & 2 | ||
|
DA00h |
Pins 2 & 3 |
Pins 1 & 2 |
Pins 2 & 3 |
Pins 2 & 3 |
Pins 1 & 2 | ||
|
DC00h |
Pins 1 & 2 |
Pins 2 & 3 |
Pins 2 & 3 |
Pins 2 & 3 |
Pins 1 & 2 | ||
|
DE00h |
Pins 2 & 3 |
Pins 2 & 3 |
Pins 2 & 3 |
Pins 2 & 3 |
Pins 1 & 2 | ||
|
E000h |
Pins 1 & 2 |
Pins 1 & 2 |
Pins 1 & 2 |
Pins 1 & 2 |
Pins 2 & 3 | ||
|
E200h |
Pins 2 & 3 |
Pins 1 & 2 |
Pins 1 & 2 |
Pins 1 & 2 |
Pins 2 & 3 | ||
|
E400h |
Pins 1 & 2 |
Pins 2 & 3 |
Pins 1 & 2 |
Pins 1 & 2 |
Pins 2 & 3 | ||
|
E600h |
Pins 2 & 3 |
Pins 2 & 3 |
Pins 1 & 2 |
Pins 1 & 2 |
Pins 2 & 3 | ||
|
E800h |
Pins 1 & 2 |
Pins 1 & 2 |
Pins 2 & 3 |
Pins 1 & 2 |
Pins 2 & 3 | ||
|
EA00h |
Pins 2 & 3 |
Pins 1 & 2 |
Pins 2 & 3 |
Pins 1 & 2 |
Pins 2 & 3 | ||
|
EC00h |
Pins 1 & 2 |
Pins 2 & 3 |
Pins 2 & 3 |
Pins 1 & 2 |
Pins 2 & 3 | ||
|
EE00h |
Pins 2 & 3 |
Pins 2 & 3 |
Pins 2 & 3 |
Pins 1 & 2 |
Pins 2 & 3 | ||
|
F000h |
Pins 1 & 2 |
Pins 1 & 2 |
Pins 1 & 2 |
Pins 2 & 3 |
Pins 2 & 3 | ||
|
F200h |
Pins 2 & 3 |
Pins 1 & 2 |
Pins 1 & 2 |
Pins 2 & 3 |
Pins 2 & 3 | ||
|
Notes:Pins designated should be in the closed position. Addresses C000h - C600h and E000h & E200h cannot be used in a PC/AT class machine. Addresses C800h & CA00h cannot be used in a PC/XT class machine. | |||||||
|
I/O BASE ADDRESS | ||||
|
Address |
JP4A |
JP4B |
JP4C | |
| » |
300h |
Closed |
Closed |
Closed |
|
320h |
Closed |
Closed |
Open | |
|
340h |
Closed |
Open |
Closed | |
|
360h |
Closed |
Open |
Open | |
|
380h |
Open |
Closed |
Closed | |
|
3A0h |
Open |
Closed |
Open | |
|
3C0h |
Open |
Open |
Closed | |
|
3E0h |
Open |
Open |
Open | |