INTEL CORPORATION

ETHEREXPRESS PRO 10+ ISA

NIC Type

Ethernet

Network Transfer Rate

10Mbps

Data Bus

16-bit ISA

Topology

Linear Bus, Star

Wiring Type

Unshielded twisted pair

AUI transceiver via DB-15 port

RG-58A/U 50ohm coaxial

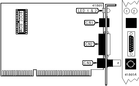
Boot ROM

Available

CONNECTIONS

Function

Label

Function

Label

Unshielded twisted pair

CN1

RG-58A/U 50ohm coaxial

CN3

AUI transceiver via DB-15 port

CN2

   

DIAGNOSTIC LED(S)

LED

Color

Status

Condition

LED 1

Green

Off

Data is not being transmitted or received

LED 1

Green

On

Data is being transmitted or received

LED 2

Yellow

Off

UTP link is broken

LED 2

Yellow

On

UTP link is good