INTEL CORPORATION

ETHEREXPRESS PRO/100+ MANAGEMENT ADAPTER (PILA8900)

Card Type

Network Interface Card

NIC Type

Ethernet

Maximum Onboard Memory

6KB FIFO

Boot ROM

Available

Network Transfer Rate

100Mbps/10Mbps

Topology

Star

Wiring Type

Unshielded twisted pair

Data Bus

32-bit PCI

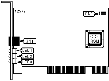
CONNECTIONS

Function

Label

Function

Label

RJ-45 UTP connector

CN1

Wake on LAN connector

CN2

DIAGNOSTIC LED(S)

LED

Color

Status

Condition

LED1

Unidentified

On

Network connection is good

LED1

Unidentified

Off

Network connection is not good

LED2

Unidentified

Blinking

Data is being received or sent

LED2

Unidentified

Off

Data is not being received

LED3

Unidentified

On

Operating at 100 Mbps

LED3

Unidentified

Off

Operation at 10 Mbps