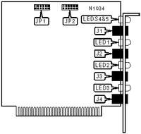
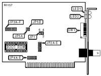
Network ARCnet. 8-bit ISA