ADTRAN

ISU 2X64

Card Type

ISDN TA/Modem

Chip Set

Unidentified

I/O Options

Dial ports (2)

ISDN Transfer Rate

56/64Kbps x 2

Data Bus

External

ISDN Protocol

SAP, T-Link, V.120, Bonding

Switch Type

5ESS, NI-1, DMS-100, NEC

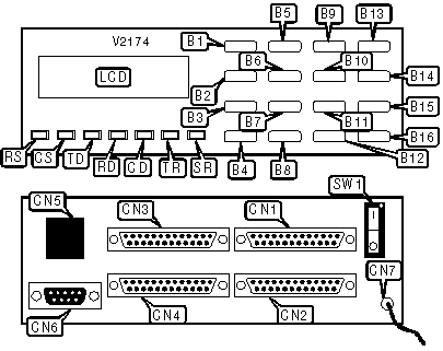
CONNECTIONS

Function

Label

Function

Label

ENTER button

B1

3 button

B13

UP button

B2

6 button

B14

DOWN button

B3

9 button

B15

CANCEL button

B4

# button

B16

1 button

B5

RS-366 port for dialing on port 1

CN1

4 button

B6

RS-232/422 port 1

CN2

7 button

B7

RS-366 port for dialing on port 2

CN3

* button

B8

RS-232/422 port 2

CN4

2 button

B9

Line out

CN5

5 button

B10

Diagnostic port (not used)

CN6

8 button

B11

120V AC power

CN7

0 button

B12

Power switch

SW1

DIAGNOSTIC LED(S)

LED

Color

Status

Condition

RS

Green

On

RTS signal is high

RS

Green

Off

RTS signal is low

CS

Green

On

CTS signal is high

CS

Green

Off

CTS signal is low

TD

Green

On

DSU is transmitting data

TD

Green

Off

DSU is not transmitting data

RD

Green

On

DSU is receiving data

RD

Green

Off

DSU is not receiving data

CD

Green

On

Carrier signal detected

CD

Green

Off

Carrier signal not detected

TR

Green

On

DTR signal is high

TR

Green

Off

DTR signal is low

SR

Green

On

DSR signal is high

SR

Green

Off

DSR signal is low

Proprietary AT Command Set

AUTO-ANSWER

Type:

Register

Format:

AT [cmds] S0=n [cmds]

Description:

Selects whether the TA can auto-answer incoming calls.

Command

Function

S0=0

Auto-answer disabled.

S0=1

Auto-answer enabled.

S0=2

Ignore all calls.

BIT-MAPPED REGISTER S14

Format:

AT [cmds] S14=n [cmds]

Default:

Unidentified

Range:

60

Description:

Controls command echo, result codes, and serial port speed locking.

Bit

Value

Function

1-0

00

Not used.

2

0

1

Command echo enabled.

Command echo disabled.

3

0

1

Result codes enabled.

Result codes disabled.

4

0

1

Result codes in numeric form.

Result codes in verbose form.

BONDED CALL

Type:

Register

Format:

AT [cmds] S59=n [cmds]

Description:

Selects whether the TA will attempt to make a bonded call.

Command

Function

S59=3

Call bonding disabled.

S59=5

Call bonding enabled.

BONDED CALL - ANSWERING TIMEOUT

Type:

Register

Format:

AT [cmds] S44=n [cmds]

Default:

10

Range:

0 - 255

Unit:

1 second

Description:

Sets the time when answering a call that the TA will wait for the remote TA to send the bond negotiation before it disconnects.

BONDED CALL - CAPACITY TIMEOUT

Type:

Register

Format:

AT [cmds] S45=n [cmds]

Default:

5

Range:

0 - 255

Unit:

1 second

Description:

Sets the time that the TA will wait to agree with the remote TA on channel capacities before it disconnects.

BONDED CALL - EQUALIZATION TIMEOUT

Type:

Register

Format:

AT [cmds] S43=n [cmds]

Default:

50

Range:

0 - 255

Unit:

1 second

Description:

Sets the time that the TA will wait for the two channels of a bonded call to be equalized before it disconnects.

BONDED CALL - FRAME PATTERN TIMEOUT

Type:

Register

Format:

AT [cmds] S41=n [cmds]

Default:

10

Range:

0 - 255

Unit:

1 second

Description:

Sets the time that the TA will wait during the bond frame pattern before it disconnects.

BONDED CALL - ORIGINATION TIMEOUT

Type:

Register

Format:

AT [cmds] S40=n [cmds]

Default:

10

Range:

0 - 255

Unit:

1 second

Description:

Sets the time when originating a call that the TA will wait for the remote TA to send the bond negotiation before it disconnects.

BONDED CALL - SECOND CALL TIMEOUT

Type:

Register

Format:

AT [cmds] S42=n [cmds]

Default:

50

Range:

0 - 255

Unit:

1 second

Description:

Sets the time that the TA will wait for the second call of a bonded call to be completed before it disconnects.

CALL TYPE

Type:

Register

Format:

AT [cmds] S53=n [cmds]

Description:

Selects what type of call is to be made.

Command

Function

S53=0

Speech call.

S53=1

Audio call.

S53=2

56Kbps data call.

S53=3

64Kbps data call.

S53=5

128Kbps data call.

CD SIGNAL

Type:

Register

Format:

AT [cmds] S33=n [cmds]

Description:

Controls the behaviour of the CD signal.

Command

Function

S33=0

CD forced high.

S33=1

CD normal.

S33=2

CD forced low on disconnect.

S33=3

CD forced low when not connected.

CLOCK SOURCE

Type:

Register

Format:

AT [cmds] S76=n [cmds]

Description:

Selects where the TA derives the transmit clock.

Command

Function

S76=0

TA uses internal clock source.

S76=1

DTE generates clock source.

CLOCK SOURCE - ISDN

Type:

Register

Format:

AT [cmds] S51=n [cmds]

Description:

Selects where the TA derives the ISDN U clock.

Command

Function

S51=0

TA uses network as clock source.

S51=1

TA generates clock source.

COMMAND SETS

Type:

Immediate

Format:

AT [cmds] S55=n [cmds]

Description:

Selects the command set that will be used.

Command

Function

S55=0

Command sets disabled.

S55=1

Dial port only enabled.

S55=2

AT command set enabled.

S55=3

V.25bis command set enabled.

CTS SIGNAL

Type:

Register

Format:

AT [cmds] S30=n [cmds]

Description:

Controls the behaviour of the CTS signal.

Command

Function

S30=0

CTS follows RTS.

S30=1

CTS forced high.

DATA LENGTH

Type:

Configuration

Format:

AT [cmds] S72=n [cmds]

Description:

Selects the length of the data word.

Command

Function

S72=0

8 bit word length.

S72=1

7 bit word length.

DATA PARITY

Type:

Configuration

Format:

AT [cmds] S73=n [cmds]

Description:

Selects the format of the parity bit.

Command

Function

S73=0

No parity.

S73=1

Odd parity.

S73=2

Even parity.

DATA STOP

Type:

Configuration

Format:

AT [cmds] S74=n [cmds]

Description:

Selects the number of stop bits.

Command

Function

S74=0

One stop bit.

S74=1

One and a half stop bits.

S74=2

Two stop bits.

DIAL PORT DELAY TIMER

Type:

Register

Format:

AT [cmds] S47=n [cmds]

Description:

Sets the amount of time the dial port will wait before assuming the user is finished entering the number to dial.

Command

Function

S47=0

Wait for EON signal only.

S47=10

Wait 1 second.

S47=20

Wait 2 second.

S47=50

Wait 5 second.

S47=100

Wait 10 second.

S47=200

Wait 20 second.

DSR SIGNAL

Type:

Configuration

Format:

AT [cmds] &Sn [cmds]

Description:

Controls the behaviour of the DSR signal.

Command

Function

&S0

DSR forced high.

&S1

DSR normal.

&S2

DSR forced low when there is no connection.

&S3

DSR forced low in Dialup mode.

DSR SIGNAL

Type:

Register

Format:

AT [cmds] S32=n [cmds]

Description:

Controls the behaviour of the DSR signal.

Command

Function

S32=0

DSR forced high.

S32=1

DSR normal.

S32=2

DSR forced low when there is no connection.

DTR SIGNAL

Type:

Register

Format:

AT [cmds] S34=n [cmds]

Description:

Controls the behaviour of the DTR signal.

Command

Function

S34=0

DTR forced high.

S34=1

TA enters command mode when DTR goes low.

S34=2

TA hangs up and returns to command mode when DTR goes low.

S34=4

TA hangs up on an incoming call and returns to command mode when DTR goes low.

S34=8

TA hangs up on an outgoing call and returns to command mode when DTR goes low.

ECHO TONE

Type:

Register

Format:

AT [cmds] S56=n [cmds]

Description:

Selects whether an echo tone will be used.

Command

Function

S56=0

Echo tone disabled.

S56=1

Echo tone enabled on answer only.

S56=2

Echo tone enabled on originate only.

S56=3

Echo tone enabled.

FLOW CONTROL TYPE

Type:

Configuration

Format:

AT [cmds] \Qn [cmds]

Description:

Selects the type of flow control that will be used.

Command

Function

\Q0

Flow control disabled.

\Q1

Bidirectional XON/XOFF flow control enabled.

\Q2

CTS flow control enabled.

\Q3

RTS/CTS flow control enabled.

FLOW CONTROL TYPE

Type:

Register

Format:

AT [cmds] S75=n [cmds]

Description:

Selects the type of flow control that will be used.

Command

Function

S75=0

Flow control disabled.

S75=1

XON/XOFF flow control from DTE enabled.

S75=2

XON/XOFF flow control from TA enabled.

S75=3

RTS/CTS flow control enabled.

S75=12

Bidirectional XON/XOFF flow control enabled.

INCOMING CALLS

Type:

Register

Format:

AT [cmds] S58=n [cmds]

Description:

Selects which calls the TA will answer.

Command

Function

S58=0

All calls will be answered.

S58=1

Only calls from stored numbers will be answered.

LDN

Type:

Configuration

Format:

AT [cmds] _Nn [cmds]

Description:

Selects which LDN will be used.

Command

Function

_N0

Select LDN 1.

_N1

Select LDN 2.

LDN 1 SET

Type:

Configuration

Format:

AT [cmds] SS62=<#> [cmds]

Description:

Sets the first LDN.

LDN 2 SET

Type:

Configuration

Format:

AT [cmds] SS63=<#> [cmds]

Description:

Sets the second LDN.

LINE TYPE

Type:

Configuration

Format:

AT [cmds] &Ln [cmds]

Description:

Selects the type of line the TA is connected to.

Command

Function

&L0

Standard dial-out ISDN.

&L1

Leased-line ISDN.

LINE TYPE

Type:

Configuration

Format:

AT [cmds] S50=n [cmds]

Description:

Selects the type of line the TA is connected to.

Command

Function

S50=0

Standard dial-out ISDN.

S50=1

Leased-line ISDN.

LOCAL SERIAL PORT SPEED

Type:

Configuration

Format:

AT [cmds] S71=n [cmds]

Description:

Selects the speed of the serial port.

Command

Function

S71=1

Selects 300bps speed.

S71=3

Selects 1200bps speed.

S71=6

Selects 2400bps speed.

S71=8

Selects 4800bps speed.

S71=11

Selects 9600bps speed.

S71=15

Selects 19.2Kbps speed.

S71=17

Selects 38.4Kbps speed.

S71=18

Selects 48Kbps speed.

S71=19

Selects 56Kbps speed.

S71=20

Selects 57.6Kbps speed.

S71=21

Selects 64Kbps speed.

S71=22

Selects 112Kbps speed.

S71=23

Selects 115.2Kbps speed.

S71=24

Selects 128.8Kbps speed.

LOOPBACK TEST

Type:

Register

Format:

AT [cmds] S57=n [cmds]

Description:

Selects what types of loopback test requests the TA will accept.

Command

Function

S57=0

Loopback testing disabled.

S57=1

TA will perform DDS latching loopback test.

S57=2

TA will perform V.54 loopback test.

S57=3

TA will perform V.54 and DDS latching loopback tests.

PROTOCOL

Type:

Register

Format:

AT [cmds] S54=n [cmds]

Description:

Selects what type of protocol the TA will use.

Command

Function

S54=1

TA will use clear channel.

S54=2

TA will use Bonding Mode 1.

S54=3

TA will use SAP.

S54=4

TA will use T-Link.

S54=6

TA will use V.120.

S54=9

TA will use 57.6Kbps asynchronous.

S54=11

TA will fall back to common protocol.

RESET TO FACTORY DEFAULTS

Type:

Immediate

Format:

AT [cmds] &Fn [cmds]

Description:

Resets the TA’s configuration to one of the factory default setups.

Command

Function

&F0

Resets to default configuration.

&F1

Resets to 56Kbps synchronous setup.

&F2

Resets to 64Kbps synchronous setup.

&F3

Resets to 112Kbps synchronous setup.

&F4

Resets to 128Kbps synchronous setup.

&F5

Resets to 64Kbps leased-line setup.

&F6

Resets to 64Kbps LDM Master setup.

&F7

Resets to 57.6Kbps asynchronous setup.

&F8

Resets to 115.2Kbps asynchronous setup.

&F11

Resets to 57.6Kbps asynchronous setup with fallback.

RESULT CODES - SPEED

Type:

Register

Format:

AT [cmds] S22=n [cmds]

Description:

Selects whether CONNECT messages will display connect speed.

Command

Function

S22=0

Speed will not be displayed.

S22=224

Speed will be displayed.

RTS TO CTS DELAY

Type:

Configuration

Format:

AT [cmds] _Dn [cmds]

Description:

Selects the delay when CTS follows RTS.

Command

Function

_D0

Set delay to 1ms.

_D1

Set delay to 18ms.

RTS TO CTS DELAY

Type:

Register

Format:

AT [cmds] S31=n [cmds]

Description:

Selects the delay when CTS follows RTS.

Command

Function

S31=0

Set delay to 1ms.

S31=1

Set delay to 18ms.

SPID

Type:

Configuration

Format:

AT [cmds] _In [cmds]

Description:

Selects which SPID will be used.

Command

Function

_I0

Select SPID 1.

_I1

Select SPID 2.

SPID 1 SET

Type:

Configuration

Format:

AT [cmds] SS60=<#> [cmds]

Description:

Sets the first SPID.

SPID 2 SET

Type:

Configuration

Format:

AT [cmds] SS61=<#> [cmds]

Description:

Sets the second SPID.

STORE NUMBER IN MEMORY

Type:

Register

Format:

AT [cmds] SS8n=<#> [cmds]

Description:

Stores a number in memory location n.

SWITCH TYPE

Type:

Configuration

Format:

AT [cmds] _Sn [cmds]

Description:

Selects what type of switch the TA is connected to.

Command

Function

_S0

5ESS switch type.

_S1

DMS100 switch type.

_S2

National type 1 switch.

_S3

NEC switch type.

SWITCH TYPE

Type:

Configuration

Format:

AT [cmds] S52=n [cmds]

Description:

Selects what type of switch the TA is connected to.

Command

Function

S52=0

5ESS switch type.

S52=1

DMS100 switch type.

S52=2

National type 1 switch.

S52=3

NEC switch type.

SYNC/ASYNC MODE

Type:

Immediate

Format:

AT [cmds] S70=n [cmds]

Description:

Selects synchronous or asynchronous mode.

Command

Function

S70=0

Selects asynchronous mode.

S70=1

Selects synchronous mode.

V.25bis MODE

Type:

Register

Format:

AT [cmds] S46=n [cmds]

Description:

Selects what format will be used for V.25bis mode.

Command

Function

S46=0

Use asynchronous V.25bis.

S46=1

Use synchronous HDLC V.25bis.

S46=2

Use synchronous BISYNC V.25bis.