DIGI INTERNATIONAL, INC.

DIGIBOARD IMAC, DUAL IMAC (SWITCH VERSION)

Card Type

ISDN to Ethernet Router

Processor

80186XL

Processor Speed

Unidentified

Network Chip Set

83934 SONIC

ISDN Chip Set

Unidentified

Maximum Onboard Memory

512KB DRAM/256K Flash RAM

Network Transfer Rate

10Mbps

ISDN Transfer Rate

64Kbps x 2 (x 4 for Dual IMAC)

Data Bus

External

Topology

Linear Bus

Wiring Type

AUI transceiver via DB-15 port

RG-58A/U 50ohm coaxial

ISDN Protocol

Unidentified

Switch Type

5ESS, DMS-100, NI-1, Generic

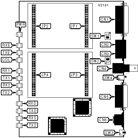
CONNECTIONS

Function

Label

Function

Label

RS-232/422

CN1

Power connection

CN6

ISDN line 2 out (Dual IMAC only)

CN2

IDP module headers for line 1

JP1 & JP2

ISDN line 1 out

CN3

IDP module headers for line 2

JP3 & JP4

Coax connector for Ethernet

CN4

Power switch

SW3

AUI connector for Ethernet

CN5

   

CABLE TYPE

Setting

SW4

AUI transceiver via DB-15 port

On

RG-58A/U 50ohm coaxial

Off

ISDN TERMINATION - LINE 1

Setting

SW2/1

SW2/2

»

Terminated

On

On

 

Not terminated

Off

Off

ISDN TERMINATION - LINE 2

Setting

SW1/1

SW1/2

»

Terminated

On

On

 

Not terminated

Off

Off

DIAGNOSTIC LED(S)

LED

Color

Status

Condition

MR

Unidentified

On

Power is on

MR

Unidentified

Off

Power is off

MR

Unidentified

Blinking

A system error has occurred

RXE

Unidentified

On

Router is receiving data from network

RXE

Unidentified

Off

Router is not receiving data from network

RXE

Unidentified

Blinking

A network receive error has occurred

TXE

Unidentified

On

Router is transmitting data to network

TXE

Unidentified

Off

Router is not transmitting data to network

TXE

Unidentified

Blinking

A network transmission error has occurred

COL

Unidentified

On

Collision detected

COL

Unidentified

Off

Collision not detected

COL

Unidentified

Blinking

Frame not transmitted due to excessive collisions

RX1

Unidentified

On

Router is receiving data from B1 channel

RX1

Unidentified

Off

Router is not receiving data from B1 channel

RX1

Unidentified

Blinking

A receive error has occurred on B1 channel

TX1

Unidentified

On

Router is transmitting data to B1 channel

TX1

Unidentified

Off

Router is not transmitting data to B1 channel

TX1

Unidentified

Blinking

A transmission error has occurred on B1 channel

RX2

Unidentified

On

Router is receiving data from B2 channel

RX2

Unidentified

Off

Router is not receiving data from B2 channel

RX2

Unidentified

Blinking

A receive error has occurred on B2 channel

TX2

Unidentified

On

Router is transmitting data to B2 channel

TX2

Unidentified

Off

Router is not transmitting data to B2 channel

TX2

Unidentified

Blinking

A transmission error has occurred on B2 channel

RXD

Unidentified

On

Router is receiving data from D channel

RXD

Unidentified

Off

Router is not receiving data from D channel

RXD

Unidentified

Blinking

A receive error has occurred on D channel

TXD

Unidentified

On

Router is transmitting data to D channel

TXD

Unidentified

Off

Router is not transmitting data to D channel

TXD

Unidentified

Blinking

A transmission error has occurred on D channel

RXS

Unidentified

On

Router is receiving data from DTE

RXS

Unidentified

Off

Router is not receiving data from DTE

RXS

Unidentified

Blinking

A receive error has occurred on DTE

TXS

Unidentified

On

Router is transmitting data to DTE

TXS

Unidentified

Off

Router is not transmitting data to DTE

TXS

Unidentified

Blinking

A transmission error has occurred on DTE