DIAMOND MULTIMEDIA SYSTEMS, INC.

SUPRAEXPRESS 144 PLUS

Card Type

Fax, Modem (synchronous/asynchronous)

Chip Set

Rockwell

Maximum Data Rate

14.4Kbps

Maximum Fax Rate

14.4Kbps

Data Bus

External

Fax Class

Class I

Data Modulation Protocol

Bell 103/212A

ITU-T V.21, V.22, V.22bis, V.32, V.32bis

Fax Modulation Protocol

ITU-T V.17, V.21CH2, V.27ter, V.29

Error Correction/Compression

MNP5, V.42, V.42bis

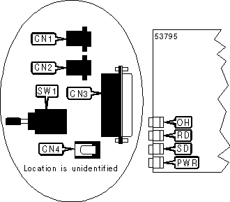
CONNECTIONS

Function

Label

Function

Label

Line out/in - Unidentified

CN1

DC power

CN4

Line in/out - Unidentified

CN2

Power switch

SW1

RS-232/422

CN3

   

DIAGNOSTIC LED(S)

LED

Color

Status

Condition

PWR

Red

On

Power is on

PWR

Red

Off

Power is off

SD

Red

On

Modem is transmitting data

SD

Red

Off

Modem is not transmitting data

RD

Red

On

Modem is receiving data

RD

Red

Off

Modem is not receiving data

OH

Red

On

Modem is off-hook

OH

Red

Off

Modem is on-hook

SUPPORTED COMMAND SET

Basic AT Commands

AT, ‘+++’, ‘comma’, A/

A, E, H, L, N, O, P, R, S, T, U, V, W, Y, Z

&A, &B, &C, &G, &J, &K, &L, &P, &R, &S, &T, &V, &W, &X, &Y, &Z

Extended AT Commands

\A, \B, \C, \E, \G, \J, \K, \L, \N, \O, \Q, \T, \U, \V, \W, \X, \Y, \Z

%A, %C, %E, %L, %Q, %TT

S Registers

S0, S1, S2, S3, S4, S5, S6, S7, S8, S9, S10, S11, S12, S18, S38, S39,

S46, S48, S82, S86, S90, S91, S92, S95, S99, S108, S109, S110, 201

Special Commands

"H, "N, "O,-J, )M, :E, +MS?, +MS

Note: See MHI Help File for full command documentation.

Proprietary AT Command Set

See model SUPRAEXPRESS 288 PNP for a full command summary.