ELSA, INC.

MICROLINK 33.6TQV

Card Type

Modem (asynchronous)

Chipset

Unidentified

I/O Options

Voice

Maximum Data Rate

33.6Kbps

Maximum Fax Rate

14.4Kbps

Data Modulation

Bell 103A, 212A

ITU-T V.21, V.22, V.23, V.32, V.32bis, V.34

Rockwell V.FC

Fax Modulation

ITU-T V.17, V.27ter, V.29, V.33

Error Correction/Compression

MNP5, V.42, V.42bis

Fax Class

Class I & II

Data Bus

Serial

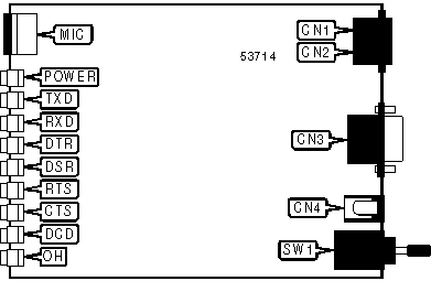
CONNECTIONS

Function

Label

Function

Label

Telephone line in

CN1

DC power in

CN4

Telephone line out

CN2

Power switch

SW1

Serial port

CN3

   

DIAGNOSTIC LED(S)

LED

Color

Status

Condition

POWER

Red

On

Power is on

POWER

Red

Off

Power is off

TXD

Red

On

Modem is transmitting data

TXD

Red

Off

Modem is not transmitting data

RXD

Red

On

Modem is receiving data

RXD

Red

Off

Modem is not receiving data

DTR

Red

On

DTR signal is high

DTR

Red

Off

DTR signal is low

DSR

Red

On

DSR signal is high

DSR

Red

Off

DSR signal is low

RTS

Red

On

RTS signal is high

RTS

Red

Off

RTS signal is low

DIAGNOSTIC LED(S) (CON'T)

LED

Color

Status

Condition

CTS

Red

On

CTS signal is high

CTS

Red

Off

CTS signal is low

DCD

Red

On

Carrier signal detected

DCD

Red

Off

Carrier signal not detected

OH

Red

On

Modem is off-hook

OH

Red

Off

Modem is on-hook

SUPPORTED STANDARD COMMANDS

Basic AT Commands

+++, ‘comma’, A/

A, B, E, H, L, M, O, P, T, V, X, Z

&D, &F, &S, &T, &V, &W, &Y, &Z

Extended AT Commands

\C, \J, \K, \N, \Q, \T, \X

%A, %C, %E

Special AT Commands

-J

S-Registers

S0, S1, S2, S3, S4, S5, S6, S7, S8, S9, S10, S11, S12, S16, S21, S22, S25, S26, S30, S38

Note: See MHI help file for complete information.

Proprietary AT Command Set

AUTO-RELIABLE FALLBACK CHARACTER

Type:

Register

Format:

AT [cmds] S47=n [cmds]

Default:

13

Range:

0-127

Unit:

1 ASCII character

Description:

Sets the character used as the auto-reliable fallback character; S47=0 will disable this function.

BIT-MAPPED REGISTER S14

Format:

AT [cmds] S14=n [cmds]

Default:

81

Range:

0 - 254

Description:

Controls echo, result codes and display, dial mode, and answer/originate mode.

Bit

Value

Function

0

í 0

Not used.

1

0

í 1

Command echo disabled.

Command echo enabled.

2

í 0

1

Result codes enabled.

Result codes disabled.

3

0

í 1

Display result codes in numeric format.

Display result codes in verbose format.

4

í 0

1

Command set enabled.

Command set disabled. (See -H command for more information.)

5

í 0

1

Tone dial enabled.

Pulse dial enabled.

6

í 0

1

Polling not allowed during connection establishment.

Polling allowed during connection establishment.

7

0

í 1

Answer mode enabled.

Originate mode enabled.

BIT-MAPPED REGISTER S27

Format:

AT [cmds] S27=n [cmds]

Default:

0

Range:

0 - 192

Description:

Controls modulation protocol and duplexing.

Bit

Value

Function

5 - 0

000000

Not used.

6

í 0

1

ITU/T mode.

Bell mode.

7

í 0

1

Full-duplex mode.

Half-duplex mode.

BIT-MAPPED REGISTER S28

Format:

AT [cmds] S28=n [cmds]

Default:

6

Range:

0 - 239

Description:

Controls low DTR control, automatic retrain, bit rate tolerance, V.100 fallback, and data format.

Bit

Value

Function

1, 0

00

01

í 10

11

Modem set for 8 data bits in direct mode.

Modem set for 9 data bits in direct mode.

Modem set for 10 data bits in direct mode.

Modem set for 11 data bits in direct mode.

3, 2

00

í 01

10

11

Non-V.100 fallback enabled.

V.100 fallback enabled.

Fallback disabled.

V.100 fallback enabled.

4

0

Not used.

5

í 0

1

Bit rate tolerance set to between -2.5% and +1%.

Bit rate tolerance set to between -2.5% and +2.3%.

6

í 0

1

Automatic retrain enabled.

Automatic retrain disabled.

7

í 0

1

Modem will not accept calls and generate RING response when DTR is low.

Modem will accept calls and generate RING response when DTR is low.

BIT-MAPPED REGISTER S29

Format:

AT [cmds] S29=n [cmds]

Default:

66

Range:

0 - 247

Description:

Controls V.FC ID for V.8, trellis coding, V.32 clear down sequence, V.34 and V.FC rate re-negotiation, V.8 adaptation, asymmetric bit rates, and fallback to V.23.

Bit

Value

Function

0

í 0

1

Fallback to V.23 enabled.

Fallback to V.23 disabled.

1

0

í 1

Asymmetric bit rates disabled.

Asymmetric bit rates enabled.

2

í 0

1

V.8 adaptation enabled.

V.8 adaptation disabled.

3

0

Not used.

4

í 0

1

V.34 and V.FC rate re-negotiation enabled.

V.34 and V.FC rate re-negotiation disabled.

5

í 0

1

V.32 clear down sequence disabled.

V.32 clear down sequence enabled.

6

0

í 1

Trellis coding in V.32 disabled.

Trellis coding in V.32 enabled.

7

í 0

1

V.8 answer tone includes V.FC identification.

V.8 answer tone does not include V.FC identification.

BIT-MAPPED REGISTER S31

Format:

AT [cmds] S31=n [cmds]

Default:

0

Range:

0 - 63

Description:

Controls guard tone, calling tone, manual dialing DTR connection, and DTR dialing.

Bit

Value

Function

1, 0

í 00

01

10

Guard tone disabled.

550Hz guard tone enabled.

1800Hz guard tone enabled.

2

í 0

1

Calling tone enabled.

Calling tone disabled.

3

í 0

1

V.25 calling tone enabled.

V.8 calling tone enabled.

4

í 0

1

Modem will not attempt to connect on high DTR.

Modem will attempt to connect on high DTR.

5

í 0

1

DTR dialing disabled.

DTR dialing enabled.

BIT-MAPPED REGISTER S33

Format:

AT [cmds] S33=n [cmds]

Default:

0

Range:

0 - 14

Description:

Controls callback mode, callback trace, and remote configuration.

Bit

Value

Function

0, 1

í 00

01

10

Callback disabled.

Callback enabled; RING and CONNECT are displayed before login prompts.

Callback enabled; RING and CONNECT are displayed after login prompts.

2

í 0

1

Callback trace disabled.

Callback trace enabled.

3

í 0

1

Remote configuration disabled.

Remote configuration enabled.

BIT-MAPPED REGISTER S36

Format:

AT [cmds] S36=n [cmds]

Default:

131

Range:

0 - 134

Description:

Controls connect mode and Selective Reject.

Bit

Value

Function

2 - 0

000

001

010

í 011

100

101

110

Normal mode enabled.

Direct mode enabled.

MNP reliable mode enabled.

Auto-reliable mode enabled.

V.42 reliable mode enabled.

V.42 auto-reliable mode enabled.

V.42 or MNP reliable mode enabled.

6 - 3

0000

Not used.

7

í 0

1

Selective Reject enabled.

Selective Reject disabled.

BIT-MAPPED REGISTER S37

Format:

AT [cmds] S37=n [cmds]

Default:

19

Range:

0 - 211

Description:

Controls line, modem, and serial port speed options.

Bit

Value

Function

4 - 0

00001

00010

00011

00101

00110

00111

01000

01001

01010

01011

01100

01101

01110

01111

10000

10001

10010

í 10011

Set line speed to 75/1200bps.

Set line speed to 1200/75bps.

Set line speed to 300bps.

Set line speed to 1200bps.

Set line speed to 2400bps.

Set line speed to 4800bps.

Set line speed to 7200bps.

Set line speed to 9600bps.

Set line speed to 12Kbps.

Set line speed to 14.4Kbps.

Set line speed to 16.8Kbps.

Set line speed to 19.2Kbps.

Set line speed to 21.6Kbps.

Set line speed to 24Kbps.

Set line speed to 26.4Kbps.

Set line speed to 28.8Kbps.

Set line speed to 31.2Kbps.

Set line speed to 33.6Kbps.

5

0

Not used.

6

í 0

1

Modem port speed changed automatically.

User must change modem port speed with %B command.

7

í 0

1

Serial port speed follows connect speed.

Serial port speed locked.

BIT-MAPPED REGISTER S48

Format:

AT [cmds] S48=n [cmds]

Default:

164

Range:

0 - 180

Description:

Controls V.42 detection phase, auto-reliable time buffer, and break type.

Bit

Value

Function

1 - 0

00

Not used.

2

0

í 1

V.42 detection phase disabled.

V.42 detection phase enabled.

4, 3

í 00

01

10

Data is discarded during auto-reliable time.

Data is buffered for 4 seconds or 200 characters during auto-reliable time.

Data is discarded during auto-reliable time; modem returns to normal mode on receiving auto-reliable fallback character.

7 - 5

000

001

010

011

100

í 101

\K0 is selected.

\K1 is selected.

\K2 is selected.

\K3 is selected.

\K4 is selected.

\K5 is selected.

BIT-MAPPED REGISTER S87

Format:

AT [cmds] S87? [cmds]

Default:

Read-only

Range:

0 - 211

Description:

Returns a value indicating current transmit line speed, fax mode connection, and modulation protocol type.

Bit

Value

Meaning

4 - 0

00001

00010

00011

00101

00110

00111

01000

01001

01010

01011

01100

01101

01110

01111

10000

10001

10010

10011

Transmit line speed is 75/1200bps.

Transmit line speed is 1200/75bps.

Transmit line speed is 300bps.

Transmit line speed is 1200bps.

Transmit line speed is 2400bps.

Transmit line speed is 4800bps.

Transmit line speed is 7200bps.

Transmit line speed is 9600bps.

Transmit line speed is 12Kbps.

Transmit line speed is 14.4Kbps.

Transmit line speed is 16.8Kbps.

Transmit line speed is 19.2Kbps.

Transmit line speed is 21.6Kbps.

Transmit line speed is 24Kbps.

Transmit line speed is 26.4Kbps.

Transmit line speed is 28.8Kbps.

Transmit line speed is 31.2Kbps.

Transmit line speed is 33.6Kbps.

BIT-MAPPED REGISTER S87 (CON'T)

Bit

Value

Meaning

5

0

Not used.

6

0

1

Modem is not connected in fax mode.

Modem is connected in fax mode.

7

0

1

ITU-T protocols selected.

Bell protocols selected.

BIT-MAPPED REGISTER S88

Format:

AT [cmds] S88? [cmds]

Default:

Read-only

Range:

 

Description:

Returns a value indicating

Bit

Value

Meaning

0

0

1

Modem is not connected with MNP1 through MNP4.

Modem is connected with MNP1 through MNP4.

1

0

1

Modem is not connected with MNP5.

Modem is connected with MNP5.

2

0

1

Modem is not connected with V.42.

Modem is connected with V.42.

3

0

1

Modem is not connected with V.42bis.

Modem is connected with V.42bis.

BIT-MAPPED REGISTER S89

Format:

AT [cmds] S89? [cmds]

Default:

Read-only

Range:

0 - 211

Description:

Returns a value indicating current receive line speed and modulation protocol.

Bit

Value

Meaning

4 - 0

00001

00010

00011

00101

00110

00111

01000

01001

01010

01011

01100

01101

01110

01111

10000

10001

10010

10011

Receive line speed is 75/1200bps.

Receive line speed is 1200/75bps.

Receive line speed is 300bps.

Receive line speed is 1200bps.

Receive line speed is 2400bps.

Receive line speed is 4800bps.

Receive line speed is 7200bps.

Receive line speed is 9600bps.

Receive line speed is 12Kbps.

Receive line speed is 14.4Kbps.

Receive line speed is 16.8Kbps.

Receive line speed is 19.2Kbps.

Receive line speed is 21.6Kbps.

Receive line speed is 24Kbps.

Receive line speed is 26.4Kbps.

Receive line speed is 28.8Kbps.

Receive line speed is 31.2Kbps.

Receive line speed is 33.6Kbps.

BIT-MAPPED REGISTER S89 (CON'T)

Bit

Value

Meaning

7 - 5

000

001

010

011

100

101

110

111

Modulation protocol in use is V.23.

Modulation protocol in use is V.21.

Modulation protocol in use is V.22bis.

Modulation protocol in use is V.32.

Modulation protocol in use is V.32bis.

Modulation protocol in use is V.FC.

Modulation protocol in use is V.34.

Modulation protocol in use is V.34 with asymmetric bit rates.

BIT-MAPPED REGISTER S95

Format:

AT [cmds] S95=n [cmds]

Default:

8

Range:

0 - 184

Description:

Controls result code options and CONNECT response after invalid escape sequence.

Bit

Value

Function

3 - 0

0000

0001

0010

í 1000

Extended result codes disabled.

/REL extended result codes enabled.

LAPM and MNP extended result codes enabled.

V.42bis, MNP5, and modulation protocol (if selected with S96) extended result codes enabled.

4

í 0

1

Modem uses \V command to select extended result codes.

Modem always displays extended result codes.

5

í 0

1

Modem will send CONNECT response after invalid escape sequence.

Modem will not send CONNECT response after invalid escape sequence.

7, 6

í 00

01

10

Result codes enabled.

Result codes disabled.

Result codes disabled in answer mode.

BIT-MAPPED REGISTER S96

Format:

AT [cmds] S96=n [cmds]

Default:

8

Range:

0 - 110

Description:

Controls register display, end-of-page prompting, modem language, bit rate display, and \V8 result code format.

Bit

Value

Function

1, 0

í 00

01

10

Modem will display register values in decimal.

Modem will display register values in hexadecimal.

Modem will display register values in binary.

2

í 0

1

Modem will prompt user to press a key after a full page of text.

Modem will not prompt user to press a key after a full page of text.

3

0

í 1

Modem text displayed in German.

Modem text displayed in English.

4

0

Not used.

5

í 0

1

Modem will display transmit bit rate.

Modem will display both transmit and receive bit rate.

6

í 0

1

Modem will display only error correction and compression result codes with \V8.

Modem will display error correction, compression, and modulation result codes with \V8.

BIT-MAPPED REGISTER S130

Format:

AT [cmds] S130=n [cmds]

Default:

4

Range:

0 - 220

Description:

Controls T.4 bit order, fax mode, fill bit removal, fax mode flow control, and V.17 modulation.

Bit

Value

Function

1, 0

00

Not used.

2

0

í 1

T.4 bit order for Class 2 fax receive reversed.

T.4 bit order for Class 2 fax receive normal.

3

í 0

1

Modem is in normal fax mode.

Modem is in Elsa TransFax mode.

4

í 0

1

Fill bits are removed from T.4 data.

Fill bits are not removed from T.4 data.

5

0

Not used.

6

í 0

1

Unidirectional CTS and XON/XOFF flow control enabled.

Flow control set by \Q command.

7

í 0

1

V.17 fax modulation enabled.

V.17 fax modulation disabled.

CALL FAILURE INDICATION

Type:

Register (read-only)

Format:

AT [cmds] S86? [cmds]

Description:

Returns a value indicating the cause of the last disconnect.

Value

Meaning

0

Normal disconnection, no error occurred.

4

Loss of carrier occurred.

5

Negotiation phase failed; modem at remote station has no error correction.

6

Remote modem is not answering protocol requests.

7

Remote modem is only functioning synchronously.

8

Modems could not find a common framing scheme.

9

Modems could not find a common protocol.

10

Remote modem is sending incorrect protocol requests.

11

Synchronous information is missing; connection terminated after 30 seconds.

12

Normal disconnect initiated by the remote modem.

13

Remote modem is no longer answering; connection terminated after 10 re-transmissions.

14

Protocol violation occurred.

15

Compression error occurred.

16

Inactivity timer has elapsed.

17

No loop current detected.

20

Busy tone detected.

21

No dial tone detected.

22

No answer tone detected.

23

No connection reached, connection timed out, or wrong modulation type.

24

Fallback not permitted because of AT%L2; connection terminated.

25

No modem or fax is answering at the number called.

30

ATH was entered online.

31

ATZ was entered online.

32

AT&T0 was entered - modem is in analog loopback test.

33

Keystroke received during handshaking.

34

DTR signal dropped.

60

V.32/V32bis handshake signal AA, CC, AC or CA missing.

61

V.32/V.32bis handshake signal R1, R2 or R3 missing.

62

V.32/V.32bis handshake signal S missing.

63

V.32/V.32bis handshake signal transition from S to \S missing.

64

V.32/V.32bis handshake signal E missing.

68

No answer to automatic retrain.

CALLBACK

Type:

Configuration

Format:

AT [cmds] $Bn [cmds]

Description:

Selects what type of callback procedure is used.

Command

Function

í $B0

Callback disabled.

$B1

Callback enabled; RING and CONNECT result codes are displayed before login prompts.

$B2

Callback enabled; RING and CONNECT result codes are displayed after login prompts.

CALLBACK DELAY

Type:

Register

Format:

AT [cmds] S43=n [cmds]

Default:

1

Range:

0 - 2

Unit:

1 minute

Description:

Sets the amount of time that must elapse before the modem will attempt a callback sequence.

CALLBACK - MAXIMUM CALLBACK ATTEMPTS

Type:

Register

Format:

AT [cmds] S35=n [cmds]

Default:

3

Range:

1 - 99

Unit:

1 callback

Description:

Sets the maximum number of callback attempts the modem will perform.

CALLBACK TRACE

Type:

Configuration

Format:

AT [cmds] $Tn [cmds]

Description:

Selects whether the progress of callback procedures will be displayed as a diagnostic tool.

Command

Function

í $T0

Callback trace disabled.

$T1

Callback trace enabled.

COMMAND SET

Type:

Configuration

Format:

AT [cmds] -Hn [cmds]

Description:

Selects whether the modem will generate result codes and accept commands. When the command set is disabled, the modem will still accept the -H and D commands, and will act as if S0=1.

Command

Function

í -H0

Command set enabled.

-H1

Command set disabled.

COMPRESSION

Type:

Register

Format:

AT [cmds] S46=n [cmds]

Description:

Selects data compression.

Command

Function

S46=0

Data compression disabled.

S46=1

MNP5 enabled.

S46=2

V.42bis enabled.

í S46=3

MNP5 and V.42bis enabled.

CTS, DCD, AND DSR SIGNALS

Format:

AT [cmds] S52=n [cmds]

Default:

4

Range:

0 - 11

Description:

Controls the behaviour of the CTS, DCD, and DSR signals.

Bit

Value

Function

0

í 0

1

DSR forced high.

DSR normal.

1

í 0

1

CTS forced high.

CTS normal.

3, 2

00

í 01

10

DCD forced high.

DCD forced high after carrier signal is detected.

DCD forced high except at disconnect.

DATA FORMAT

Type:

Register

Format:

AT [cmds] S53=n [cmds]

Description:

Controls the data length, parity, and stop bit for the local serial port.

Command

Function

í S53=0

Data format set to 8N1, 7E1, 7O1, or 7N2.

S53=1

Data format set to 8E1

S53=2

Data format set to 8O1

S53=3

Data format set to 8N2

DCD SIGNAL

Type:

Configuration

Format:

AT [cmds] &Cn [cmds]

Description:

Controls the behaviour of the DCD signal.

Command

Function

í &C0

DCD forced high.

&C1

DCD forced high after carrier signal is detected.

&C2

DCD forced high except at disconnect.

DIAL

Type:

Immediate

Format:

AT [cmds] D<#> [cmds]

Description:

Dials the telephone number indicated according to any modifiers included in the string.

Command

Function

DL

Re-dial last number.

DM

Make a LAPM reliable mode connection this call.

DP

Pulse dialing enabled.

DQ

Make an LAPM auto-reliable mode connection this call.

DSn

Dial stored telephone number n.

DT

Tone dialing enabled.

DV

Make an LAPM or MNP reliable mode connection this call.

DW

Dialing resumed following dial tone detection.

DX

Make an auto-reliable mode connection this call.

DY

Make an MNP reliable mode connection this call.

DZ

Make a normal mode connection this call.

D,

Dialing paused for amount of time specified in S8 register.

D<

Dialing paused for 1 second.

D/n

Dial stored telephone number n.

D!

Flash function initiated. Modem commanded to go off-hook for specified time before returning on-hook.

D@

Wait for Quiet Answer function enabled. Modem waits until a "quiet answer," a ring-back signal followed by silence up to the time specified in S7, is received prior to executing the rest of the dial string.

D&

Flash function initiated. Modem commanded to go off-hook for specified time before returning on-hook.

D=

Dialing paused for 3 seconds.

D[

Flash function initiated. Modem commanded to go off-hook for specified time before returning on-hook.

D;

Modem returned to idle state after dialing. The semicolon can only be placed at the end of the dial command.

D:

Dialing resumed following dial tone detection.

DISCONNECT BUFFER DELAY

Type:

Configuration

Format

AT [cmds] %Dn [cmds]

Default:

0

Range:

0-255

Unit:

1 second

Description:

Sets maximum duration allowed during buffered data calls for modem to perform clearing functions after losing carrier-signal or receiving a clear call signal from the remote modem and before initiating hang-up process.

DISPLAY CONFIGURATION

Type:

Immediate

Format:

AT [cmds] \Sn [cmds]

Description:

Displays the settings of all commands.

Command

Function

\S0

Displays all command settings.

\S1

Displays all command settings.

\S2

Displays line and host interface, protocol, and result code/speaker command settings.

\S3

Displays host interface, protocol, and result code/speaker command settings.

\S4

Displays host interface and result code/speaker command settings.

\S5

Displays result code/speaker command settings.

DISPLAY FIRMWARE VERSION

Type:

Immediate

Format:

AT [cmds] %V [cmds]

Description:

Displays the current firmware version.

DISPLAY INFORMATION

Type:

Immediate

Format:

AT [cmds] In [cmds]

Description:

Displays information requested about the modem.

Command

Function

I0

Displays product identification code.

I1

Displays ROM checksum.

I2

Tests and displays ROM checksum result.

I3

Displays firmware revision.

I4

Displays configuration.

I5

Displays serial number.

I6

Displays product name.

I7

Displays result of power-up self-test.

I9

Displays Plug-N-Play information.

DISPLAY REGISTERS

Type:

Immediate

Format:

AT [cmds] %R [cmds]

Description:

Displays all status registers.

DISPLAY STORED NUMBERS

Type:

Immediate

Format:

AT [cmds] \F [cmds]

Description:

Displays all stored telephone numbers.

DSR AND CTS SIGNALS

Type:

Configuration

Format:

AT [cmds] \Dn [cmds]

Description:

Controls the behaviour of the DSR and CTS signals.

Command

Function

í \D0

DSR and CTS forced high.

\D1

DSR normal, CTS forced high.

\D2

DSR forced high, CTS follow CD.

\D3

DSR normal, CTS forced high.

DTR DIALING

Type:

Configuration

Format:

AT [cmds] $Dn [cmds]

Description:

Selects whether the modem will use DTR dialing.

Command

Function

í $D0

DTR dialing disabled.

$D1

DTR dialing enabled.

EXTENDED RESULT CODE SELECTION

Type:

Configuration

Format:

AT [cmds] -Mn [cmds]

Description:

Selects whether the modem will use the \V command to select extended result codes.

Command

Function

í -M0

Modem uses \V command to select extended result codes.

-M1

Modem always displays extended result codes.

EXTENDED RESULT CODES

Type:

Configuration

Format:

AT [cmds] \Vn [cmds]

Description:

Selects extended result codes.

Command

Function

\V0

Extended result codes disabled.

\V1

/REL extended result codes enabled.

\V2

LAPM and MNP extended result codes enabled.

í \V8

V.42bis, MNP5, and modulation protocol (if selected with S96) extended result codes enabled.

FLOW CONTROL OPTIONS

Format:

AT [cmds] S51=n [cmds]

Default:

3

Range:

0 - 20

Description:

Controls flow control type and XON/XOFF pass-through.

Bit

Value

Function

2 - 0

000

001

010

í 011

100

Flow control disabled.

Bidirectional XON/XOFF flow control enabled.

CTS flow control by DCE enabled.

Bidirectional RTS/CTS flow control enabled.

Unidirectional XON/XOFF flow control by DCE enabled.

3

0

Not used.

4

í 0

1

XON/XOFF signals trapped by local modem.

XON/XOFF signals passed through by local modem.

GUARD TONE AND CALLING TONE

Type:

Configuration

Format:

AT [cmds] &Gn [cmds]

Description:

Commands the modem to transmit a calling tone, and a guard tone in V.22 or V.22bis modes.

Command

Function

í &G0

Guard tone disabled, calling tone enabled.

&G1

550Hz guard tone and calling tone enabled.

&G2

1800Hz guard tone and calling tone enabled.

&G4

Guard and calling tones disabled.

&G5

550Hz guard tone enabled, calling tone disabled.

&G6

1800Hz guard tone enabled, calling tone disabled.

INVALID ESCAPE SEQUENCE RESULT CODE

Type:

Configuration

Format:

AT [cmds] *Qn [cmds]

Description:

Selects whether the modem will send a CONNECT response when an invalid escape sequence has been entered.

Command

Function

í *Q0

Modem will send CONNECT response.

*Q1

Modem will not send CONNECT response.

LINE SPEED

Type:

Configuration

Format:

AT [cmds] %Bnnnn [cmds]

Description:

Sets the speed that the modem will attempt to connect at.

Command

Function

%B300

Set speed to 300bps.

%B1200

Set speed to 1200bps.

%B1200/75

Set speed to 1200/75bps.

%B75/1200

Set speed to 75/1200bps.

%B2400

Set speed to 2400bps.

%B4800

Set speed to 4800bps.

%B7200

Set speed to 7200bps.

%B9600

Set speed to 9600bps.

%B12000

Set speed to 12Kbps.

%B14400

Set speed to 14.4Kbps.

%B16800

Set speed to 16.8Kbps.

%B19200

Set speed to 19.2Kbps.

%B21600

Set speed to 21.6Kbps.

%B24000

Set speed to 24Kbps.

%B26400

Set speed to 26.4Kbps.

%B28800

Set speed to 28.8Kbps.

%B31200

Set speed to 31.2Kbps.

%B33600

Set speed to 33.6Kbps.

LOCAL SERIAL PORT SPEED - CURRENT

Format:

AT [cmds] S93? [cmds]

Default:

Read-only

Range:

0 - 16

Description:

Returns a value indicating the current local serial port speed.

Bit

Value

Meaning

4 - 0

00000

00001

00010

00011

00100

00101

00110

00111

01000

01001

01010

01011

01100

01101

01110

10000

DTE rate 300 bps

DTE rate 300 bps

DTE rate 300 bps

DTE rate 300 bps

DTE rate 600 bps

DTE rate 1200 bps

DTE rate 2400 bps

DTE rate 4800 bps

DTE rate 7200 bps

DTE rate 9600 bps

DTE rate 12,000 bps

DTE rate 14,400 bps

DTE rate 19,200 bps

DTE rate 38,400 bps

DTE rate 57,600 bps

DTE rate 115,200 bps

LOCAL SERIAL PORT SPEED MATCHING

Type:

Configuration

Format:

AT [cmds] %Gn [cmds]

Description:

Selects whether the speed of the modem’s port will be changed to match the local serial port, or if the user must do it by hand.

Command

Function

í %G0

Speed changed automatically.

%G1

User must change speed with %B command.

MANUAL DIALING DTR CHANGE

Type:

Configuration

Format:

AT [cmds] :Dn [cmds]

Description:

Selects whether the modem will attempt to connect to a manually dialed call when DTR goes high.

Command

Function

í :D0

Modem will not attempt to connect on high DTR.

:D1

Modem will attempt to connect on high DTR.

RECEIVED SIGNAL LEVEL

Type:

Register

Format:

AT [cmds] 65? [cmds]

Default:

Read-only

Range:

0 - 43

Unit:

-1 dBm

Description:

Displays the current received signal level.

REMOTE CONFIGURATION

Type:

Configuration

Format:

AT [cmds] *En [cmds]

Description:

Selects whether the modem will accept requests for remote configuration.

Command

Function

í *E0

Remote configuration disabled.

*E1

Remote configuration enabled.

REMOTE CONFIGURATION CHARACTER

Type:

Register

Format:

AT [cmds] S34=n [cmds]

Default:

42

Range:

0 - 126

Unit:

1 ASCII character

Description:

Defines the character that, when sent four times within the guard time set by S12, will notify the remote modem that a remote configuration session has been requested.

REMOTE CONFIGURATION EXIT

Type:

Immediate

Format:

AT [cmds] *X [cmds]

Description:

Exits the remote configuration session and discards the changes that have been made.

REMOTE CONFIGURATION SAVE

Type:

Immediate

Format:

AT [cmds] *U [cmds]

Description:

Saves the changes that have been made to the remote configuration.

RESULT CODES

Type:

Configuration

Format:

AT [cmds] Qn [cmds]

Description:

Enables modem to send result codes to the DTE.

Command

Function

í Q0

Result codes enabled.

Q1

Result codes disabled.

Q2

Result codes disabled in answer mode.

RING DELAY

Type:

Register

Format:

AT [cmds] S99=n [cmds]

Default:

10 - 255

Range:

50

Unit:

.1 second

Description:

Sets the maximum delay between incoming ring signals.

RTS TO CTS DELAY

Type:

Register

Format:

AT [cmds] S39=n [cmds]

Default:

3

Range:

0 - 255

Unit:

10 mS

Description:

In half-duplex mode, sets the amount of time that must elapse after an RTS state change before CTS is set to follow.

SECURITY - ACCESS MODE

Type:

Configuration

Format:

AT [cmds] $Sxxxxx [cmds]

Description:

Sets the access mode for configuration according to the options listed below.

Option

Meaning

A

All commands that do not change the modem's memory are accessible.

W

Commands that write to the modem's memory are accessible.

I

Incoming calls may be accepted. If this option is not specified, the RING response code is not sent.

O

The modem may dial out.

P

The password list may be displayed or edited.

SECURITY - CALLBACK PASSWORD

Type:

Configuration

Format:

AT [cmds] $Pn;yyyy

AT [cmds] $Pn;bb;xxxx;<#>

Description:

Sets the information for the callback password at location n. For the first form of this command, yyyy indicates the dialing prefix that will be used to dial the number associated with this entry (see second form). xxxx indicates the password for this callback entry. The bb sets the options for this entry according to the bitmap explained below.

Bit

Value

Function

0

0

1

Entry inactive.

Entry active.

2, 1

00

01

10

11

Password required for login.

Password and phone number required for login.

Prompt for password; call user back at stored number.

Prompt for password and phone number; call user back at entered number.

3

0

Not used.

5, 4

00

01

10

User may not perform remote configuration.

User may perform read-only remote configuration.

User may perform full access remote configuration.

SECURITY - DISPLAY PASSWORDS

Type:

Immediate

Format:

AT [cmds] $R [cmds]

Description:

Displays the callback password table.

SECURITY - MAIN PASSWORD

Type:

Configuration

Format:

AT [cmds] $Y [cmds]

Description:

Changes the main security password. The user will be prompted for the old and new passwords. Passwords must be between four and eight characters, case insensitive.

SECURITY - PASSWORD WAIT TIME

Type:

Register

Format:

AT [cmds] S42=n [cmds]

Default:

30

Range:

20 - 120

Unit:

1 second

Description:

Sets the amount of time that the modem will wait for a password to be entered.

SPEAKER ENABLED FOR RING

Type:

Register

Format:

AT [cmds] S54=n [cmds]

Description:

Selects whether the modem will emit a ringing sound when an incoming call is detected.

Command

Function

í S54=0

Modem will not emit ringing sound.

S54=1

Modem will emit ringing sound.

STORE ACTIVE PROFILE WITH EXTENDED REGISTERS

Type:

Configuration

Format:

AT [cmds] *Wn [cmds]

Description:

Writes the command settings with extended S-registers for the active profile into the non-volatile RAM.

Command

Function

*W0

Write the active profile to stored profile 0.

*W1

Write the active profile to stored profile 1.

STORE TELEPHONE NUMBER

Type:

Configuration

Format:

AT [cmds] \Pn<#>

Description:

Stores the telephone number indicated at memory location n.

V.8 MODE

Type:

Configuration

Format:

AT [cmds] %Mn [cmds]

Description:

Selects whether the modem will use V.8 for bit rate adaptation.

Command

Function

í %M0

V.8 adaptation enabled.

%M1

V.8 adaptation disabled.

V.34 BAUD RATES

Type:

Register

Format:

AT [cmds] S63=n [cmds]

Default:

0

Range:

0 - 61

Description:

Selects which baud rates may be used in V.34 mode.

Bit

Value

Function

0

í 0

1

2400 baud rate enabled.

2400 baud rate disabled.

1

0

Not used.

2

í 0

1

2800 baud rate enabled.

2800 baud rate disabled.

3

í 0

1

3000 baud rate enabled.

3000 baud rate disabled.

4

í 0

1

3200 baud rate enabled.

3200 baud rate disabled.

5

í 0

1

3429 baud rate enabled.

3429 baud rate disabled.

V.34 BAUD RATE - CURRENT

Type:

Register (read-only)

Format:

AT [cmds] S84? [cmds]

Description:

Displays a number which indicates the baud rate of the current V.34 connection.

Value

Meaning

0

Current connection is 2400 baud.

2

Current connection is 2800 baud.

3

Current connection is 3000 baud.

4

Current connection is 3200 baud.

5

Current connection is 3429 baud.

V.100 FALLBACK

Type:

Configuration

Format:

AT [cmds] %Ln [cmds]

Description:

Selects whether the modem will use V.100 for fallback operations.

Command

Function

%L0

Non-V.100 fallback enabled.

í %L1

V.100 fallback enabled.

%L2

Fallback disabled.

%L3

V.100 fallback enabled.

VOICE DATA FORMAT

Type:

Configuration

Format:

AT [cmds] S229=n [cmds]

Description:

Selects the format of voice data the modem will use.

Command

Function

í S229=0

Modem will use new voice format.

S229=1

Modem will use old voice format.