OMNITEL, INC.
T2400-PC1/PC2
|
Modem Type |
Data (Asynchronous/Synchronous) |
|
Maximum Data Rate |
2400 bps |
|
Maximum Fax Rate |
N/A |
|
Data Bus |
8-bit ISA |
|
Fax Class |
N/A |
|
Data Modulation Protocol |
Bell 103A & 212A, CCITT V.22bis & V.22 |
|
Fax Modulation Protocol |
N/A |
|
Error Correction/Compression |
Unidentified |

|
CONNECTIONS | |||
|
Purpose |
Location |
Purpose |
Location |
|
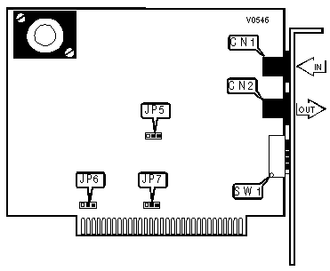
Line in |
CN1 |
Line out |
CN2 |
|
COM PORT CONFIGURATIONS | ||
|
COM |
SW1/1 |
SW1/2 |
|
í COM1 |
On |
On |
|
COM2 |
On |
Off |
|
COM3 |
Off |
On |
|
COM4 |
Off |
Off |
|
DATA TERMINAL READY - DTR | |
|
Setting |
SW1/3 |
|
í Disabled |
Off |
|
Enabled |
On |
|
CARRIER DETECT - CD | |
|
Setting |
SW1/4 |
|
í Disabled |
Off |
|
Enabled |
On |
|
FACTORY CONFIGURED SETTINGS | |
|
Switch | Setting |
|
SW1/5 |
Off |
|
SW1/6 |
Off |
|
CLEAR TO SEND OPTIONS | |
|
Setting | JP5 |
|
CTS follows RTS |
Pins 2 & 3 |
|
CTS follows CD |
Pins 1 & 2 |
|
INTERUPT SELECT | ||
|
Setting | JP6 | JP7 |
|
IRQ2 |
N/A |
Pins 2 & 3 closed |
|
IRQ3 |
N/A |
Pins 1 & 2 closed |
|
IRQ4 |
Pins 1 & 2 closed |
N/A |
|
IRQ5 |
Pins 2 & 3 closed |
N/A |