MULTI-TECH SYSTEMS, INC.

MT1432MF, MT1432MG, MT1432MK, MT1432MU, MT1432MUI

Card Type

Modem (asynchronous)

Chipset

Multi-Tech Systems, Inc.

Maximum Data Rate

14.4Kbps

Maximum Fax Rate

14.4Kbps

Data Modulation

Bell 103A, 113, 212A

ITU-T V.21 (MT1432MUI only), V.22, V.22bis, V.23, V.32, V.32bis

Fax Modulation

ITU-T V.17, V.21CH2, V.27ter, V.29

Error Correction/Compression

MNP5, V.42, V.42bis

Fax Class

Class II

Data Bus

Serial

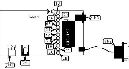
CONNECTIONS

Function

Label

Function

Label

9V DC power in

CN1

Telephone line out

CN3

Serial port

CN2

   

POWER MODE

Setting

SW1

Standby, wait for incoming call

Position 1

Off

Position 2

On

Position 3

DIAGNOSTIC LED(S)

LED

Color

Status

Condition

TD

Red

On

Modem is transmitting data

TD

Red

Off

Modem is not transmitting data

RD

Red

On

Modem is receiving data

RD

Red

Off

Modem is not receiving data

CD

Red

On

Carrier signal detected

CD

Red

Off

Carrier signal not detected

14 Status

Color

96 Status

Color

Condition

On

Red

On

Red

Modem connected at 12Kbps in V.32bis

Off

Red

On

Red

Modem connected at 9600bps

On

Red

Off

Red

Modem connected at 14.4Kbps

Off

Red

Off

Red

Modem connected at slower than 9600bps

DIAGNOSTIC LED(S) (CON'T)

LED

Color

Status

Condition

24

Red

On

Modem connected at 2400bps

24

Red

Off

Modem not connected at 2400bps

12

Red

On

Modem connected at 1200bps

12

Red

Off

Modem not connected at 1200bps

OH

Red

On

Modem is off-hook

OH

Red

Blinking

Modem is dialing in pulse mode

OH

Red

Off

Modem is on-hook

TR

Red

On

DTR signal is high

TR

Red

Off

DTR signal is low

EC

Red

On

Error correction enabled

EC

Red

Blinking

Data compression enabled

EC

Red

Off

Error correction disabled

FX

Red

On

Modem is connected in FAX mode

FX

Red

Off

Modem is not connected in FAX mode

LB

Red

On

Battery is low (approx. 10 minutes left)

LB

Red

Off

Battery is good

SUPPORTED STANDARD COMMANDS

Basic AT Commands

+++, A/

A, B, D, E, H, M, O, P, T, V, X, Y, Z

&D, &G, &P, &T

S-Registers

S0, S1, S2, S3, S4, S5, S6, S7, S8, S9, S10, S11, S25, S30

Note: See MHI help file for complete information.

Proprietary AT Command Set

AUTO-RELIABLE FALLBACK

Type:

Configuration

Format:

AT [cmds] $Fn [cmds]

Description:

Selects whether error correction can be disabled by a <CR> while handshaking.

Command

Function

$F0

Auto-reliable fallback disabled.

í $F1

Auto-reliable fallback enabled.

AUTO-RELIABLE TIME BUFFER CONFIGURATION

Type:

Configuration

Format:

AT [cmds] $An [cmds]

Description:

Controls the handling of incoming data during the auto-reliable time period.

Command

Function

í $A0

Data is discarded.

$A1

Data is buffered.

BREAK TIME

Type:

Register

Format:

AT [cmds] S17=n [cmds]

Default:

25

Range:

0 - 255

Unit:

10 mS

Description:

Sets the length of the break signal that the modem will send.

CALLING TONE

Type:

Configuration

Format:

AT [cmds] $Tn [cmds]

Description:

Controls the transmission of the calling tone while dialing.

Command

Function

$T0

Calling tone enabled.

í $T1

Calling tone disabled.

COMMAND SET

Type:

Configuration

Format:

AT [cmds] &Qn [cmds]

Description:

Selects standard Hayes or custom command sets.

Command

Function

í &Q0

Multi-Tech custom command set enabled.

&Q1

Standard Hayes command set enabled.

COMPRESSION

Type:

Configuration

Format:

AT [cmds] &En [cmds]

Description:

Selects data compression.

Command

Function

&E14

Data compression disabled.

í &E15

Data compression enabled.

COMPRESSION MODE

Type:

Configuration

Format:

AT [cmds] #Ln [cmds]

Description:

Selects the active data compression protocols.

Command

Function

í #L0

MNP and V.42 negotiation enabled.

#L1

MNP negotiation enabled.

#L2

V.42 negotiation enabled.

#L3

V.42 enabled, no negotiation.

CTS SIGNAL

Type:

Configuration

Format:

AT [cmds] &Rn [cmds]

Description:

Controls the behaviour of the CTS signal.

Command

Function

&R0

CTS normal.

í &R1

CTS forced high.

&R2

CTS forced high except for 1 second at disconnect.

CTS, DCD, AND DSR DISCONNECT TIME

Type:

Register

Format:

AT [cmds] S24=n [cmds]

Default:

20

Range:

0 - 255

Unit:

50 mS

Description:

Selects the amount of time that the CTS, DCD, and DSR signals will be forced low at disconnect if this option is selected by the &R, &C, and &S commands, respectively. See these commands for more information.

CTS/RTS SIGNALS

Type:

Configuration

Format:

AT [cmds] &RFn [cmds]

Description:

Selects whether the state of the CTS signal is dependent on the state of the RTS signal.

Command

Function

&RF0

CTS follows RTS.

í &RF1

CTS is independent of RTS.

DATA FORMAT

Type:

Configuration

Format:

AT [cmds] $EBn [cmds]

Description:

Selects the data format of the serial port.

Command

Function

í $EB0

Sets 10-bit mode.

$EB1

Sets 11-bit mode.

DCD SIGNAL

Type:

Configuration

Format:

AT [cmds] &Cn [cmds]

Description:

Configures the behavior of the carrier detect signal.

Command

Function

&C0

CD forced high.

í &C1

CD normal.

&C2

CD forced high except during disconnect.

&C4

Modem resets on low CD.

DIAL STORED PHONE NUMBER

Type:

Immediate

Format:

AT [cmds] Na [Nb, Nc...]

Description:

Dials stored phone number(s). If the first number is busy, the modem will proceed to the next number in the list.

DISPLAY INFORMATION

Type:

Immediate

Format:

AT [cmds] In [cmds]

Description:

Displays information requested about the modem.

Command

Function

I0

Displays product identification code.

I1

Displays firmware version.

I2

Displays product name.

DISPLAY CONFIGURATION

Type:

Immediate

Format:

AT Ln

Description:

Displays the requested information about the modem's current configuration and command settings.

Command

Function

L0

Displays stored phone numbers.

L5

Displays all settings.

L6

Displays the values of all S-registers.

L7

Displays extended parameters.

DSR SIGNAL

Type:

Configuration

Format:

AT [cmds] &Sn [cmds]

Description:

Controls the behaviour of the DSR signal.

Command

Function

&S0

DSR forced high.

í &S1

DSR normal.

&S2

DSR forced high except for 1 second at disconnect.

DSR/DCD SIGNALS

Type:

Configuration

Format:

AT [cmds] &SFn [cmds]

Description:

Selects whether the state of the DSR signal is dependent on the state of the DCD signal.

Command

Function

í &SF0

DSR follows DCD.

&SF1

DSR is independent of DCD.

ESCAPE SEQUENCE BUFFER SIZE

Type:

Register

Format:

AT [cmds] S34=n [cmds]

Default:

10

Range:

0-60

Unit:

1 byte

Description:

Sets the size of the buffer used to store the command line during an escape sequence.

ESCAPE SEQUENCE - OUT OF BAND

Type:

Immediate

Format:

<BREAK> AT [cmds]<CR>

Description:

Puts the modem in Command Mode.

ESCAPE SEQUENCE TIMEOUT

Type:

Register

Format:

AT [cmds] S32=n [cmds]

Default:

20

Range:

0-255

Unit:

1 second

Description:

Sets the maximum amount of time the modem will wait for a <CR> while executing an escape sequence.

ESCAPE SEQUENCE TYPE

Type:

Configuration

Format:

AT [cmds] %En [cmds]

Description:

Sets type of command escape sequence the modem will recognise.

Command

Function

%E0

Command escape disabled.

í %E1

TIES escape (+++AT...)

%E2

<BREAK> AT method.

%E3

Both TIES and BREAK methods.

ESCAPE SEQUENCE RESPONSE

Type:

Configuration

Format:

AT [cmds] %En [cmds]

Description:

Sets the response that the modem will give to an escape sequence.

%E4

OK response to command escape disabled.

í %E5

OK response to command escape enabled.

FACTORY DEFAULTS

Type:

Immediate/Configuration

Format:

AT [cmds] &Fn [cmds]

Description:

Loads factory defaults, or sets write protect on NVRAM.

Command

Function

&F0

Reloads defaults by setting.

í &F8

Sets &F to read factory defaults from ROM, and disables NVRAM write protect.

&F9

Sets &F to read defaults from NVRAM, and enables write-protect.

FALLBACK MODE

Type:

Configuration

Format:

AT [cmds] #Fn [cmds]

Description:

Sets direction of fallback.

Command

Function

#F0

Fallback disabled.

#F1

Fallback from 14.4Kbps to 2400bps as line quality degrades.

í #F2

Fallback from 2400bps to 14.4Kbps as line quality improves.

FLOW CONTROL

Type:

Configuration

Format:

AT [cmds] &En [cmds]

Description:

Selects flow control.

Command

Function

&E12

Flow control disabled.

í &E13

Flow control enabled.

FLOW CONTROL - ENQ/ACK

Type:

Configuration

Format:

AT [cmds] &En [cmds]

Description:

Selects Hewlett-Packard ENQ/ACK pacing.

Command

Function

í &E8

Enables Hewlett-Packard ENQ/ACK pacing.

&E9

Disables Hewlett-Packard ENQ/ACK pacing.

FLOW CONTROL IN NORMAL MODE

Type:

Configuration

Format:

AT [cmds] &En [cmds]

Description:

Selects whether the modem will use XON/XOFF flow control for non-error-correcting connections.

Command

Function

í &E10

XON/XOFF disabled for non-error-correcting connections.

&E11

XON/XOFF enabled for non-error-correcting connections.

FLOW CONTROL TYPE

Type:

Configuration

Format:

AT [cmds] &En [cmds]

Description:

Sets the type of flow control used by modem.

Command

Function

&E3

Flow control disabled.

í &E4

CTS/RTS flow control enabled.

&E5

XON/XOFF flow control enabled.

HANDSHAKE ATTEMPTS

Type:

Configuration

Format:

AT [cmds] #An [cmds]

Description:

Configures which speeds the modem may attempt to connect at during the initial handshake phase.

Command

Function

í #A0

Attempts in order: 14.4Kbps, 9600bps, 4800bps, 2400bps, 1200bps, 300bps.

#A1

Attempts 14.4Kbps connection only.

#A2

Attempts in order: 14.4Kbps, 9600bps, 4800bps.

#A3

Attempts in order: 2400bps, 1200bps, 300bps.

HELP SCREENS

Type:

Immediate

Format:

AT $Hn

Description:

Shows modem help screens.

Command

Function

$H1

Shows help screen 1.

$H2

Shows help screen 2.

$H3

Shows help screen 3.

LOCAL SERIAL PORT SPEED

Type:

Configuration

Format:

AT [cmds] $SBnnn [cmds]

Description:

Sets serial port speed.

Command

Function

$SB300

Sets 300bps speed.

$SB1200

Sets 1200bps speed.

$SB2400

Sets 2400bps speed.

$SB4800

Sets 4800bps speed.

$SB9600

Sets 9600bps speed.

$SB19200

Sets 19.2Kbps speed.

$SB38400

Sets 38.4Kbps speed.

í $SB57600

Sets 57.6Kbps speed.

LOCK SERIAL PORT

Type:

Configuration

Format:

AT [cmds] $BAn [cmds]

Description:

Sets operation of serial port speed.

Command

Function

í $BA0

Serial speed locked at rate set by $SB.

$BA1

Serial speed follows connect speed, ignoring $SB.

LINE SPEED

Type:

Configuration

Format:

AT $MBnnn

Description:

Sets the maximum allowable data exchange rate attempted during the handshaking process.

Command

Function

$MB75

Sets V.23 1200/75bps maximum connect speed.

$MB300

Sets 300bps maximum connect speed.

$MB1200

Sets 1200bps maximum connect speed.

$MB2400

Sets 2400bps maximum connect speed.

$MB4800

Sets 4800bps maximum connect speed.

$MB9600

Sets 9600bps maximum connect speed.

í $MB14400

Sets 14.4Kbps maximum connect speed.

LOGIN PASSWORD

Type:

Configuration

Format:

AT [cmds] #Ixxxx

Description:

Sets the login password to xxxx. The password must be between 6 and 10 characters, case sensitive. It defaults to MULTI-TECH.

MAXIMUM BLOCK SIZE FOR TRANSMISSION

Type:

Configuration

Format:

AT [cmds] &BSn [cmds]

Description:

Sets the maximum transmittable block size for MNP mode.

Command

Function

&BS0

Maximum block size is 64 characters.

í &BS1

Maximum block size is 256 characters.

PARITY

Type:

Configuration

Format:

AT [cmds] #Pn [cmds]

Description:

Sets the parity of the serial port.

Command

Function

í #P0

No parity.

#P1

Odd parity.

#P2

Even parity.

REDIAL

Type:

Immediate

Format:

A:

Description:

Redials the last number dialed until it is no longer busy

Note:

Do not precede this command with AT or follow it with <CR>

REMOTE CONFIGURATION CHARACTER

Type:

Register

Format:

AT [cmds] S13=n [cmds]

Default:

37

Range:

0 - 127

Unit:

1 ASCII character

Description:

Defines the character that when received three times within the guard time set by S12, will notify the modem that a remote configuration session has been requested by the remote modem.

RESULT CODES

Type:

Configuration

Format:

AT [cmds] Qn [cmds]

Description:

Enables modem to send result codes to the DTE.

Command

Function

í Q0

Result codes enabled.

Q1

Result codes disabled.

Q2

Result codes sent in originate mode only.

RETRANSMIT FAIL ACTION

Type:

Configuration

Format:

AT [cmds] $Rn [cmds]

Description:

Sets whether the modem gives up on a bad connection.

Command

Function

í $R0

Hang up after 12 failed retransmissions.

$R1

Do not hang up after 12 failed retransmissions.

SETUP PASSWORD

Type:

Configuration

Format:

AT [cmds] #Sxxxx

Description:

Sets the setup password to xxxx. The password must be between 6 and 10 characters, case sensitive. It defaults to MODEMSETUP.

STORE ACTIVE PROFILE

Type:

Configuration

Format:

AT [cmds] &Wn [cmds]

Description:

Writes the values for the active profile into the NVRAM.

Command

Function

&W0

Write the active profile to stored profile 0

&W1

Does not write active profile; modem will read factory defaults on power-up or reset.

TEST MODES

Type:

Immediate

Format:

AT [cmds] Un

Description:

Puts the modem into the selected test mode.

Command

Function

U0

Begin local analog loopback test in originate mode.

U1

Begin local analog loopback test in answer mode.

U2

Request remote digital loopback.

U3

Begin local digital loopback.

TRELLIS CODING

Type:

Configuration

Format:

AT [cmds] #Tn [cmds]

Description:

Selects whether the modem will use trellis coding.

Command

Function

#T0

Trellis coding disabled.

í #T1

Trellis coding enabled.

UUCP SPOOFING

Type:

Configuration

Format:

AT [cmds] $SPn [cmds]

Description:

Controls the UUCP spoofing function.

Command

Function

í $SP0

Spoofing disabled.

$SP1

Spoofing enabled.

V.42 MODE

Type:

Configuration

Format:

AT [cmds] &En [cmds]

Description:

Configures the operation of V.42 mode.

Command

Function

&E0

Error correction disabled.

í &E1

V.42 set to auto-reliable.

&E2

V.42 set to reliable.

V.42 WITH V.21

Type:

Configuration

Format:

AT [cmds] $En [cmds]

Description:

Selects whether the modem will use V.42 error correction at V.21 300bps connections.

Command

Function

í $E0

V.42 disabled at 300bps.

$E1

V.42 enabled at 300bps.

XOFF MODE

Type:

Configuration

Format:

AT [cmds] #Xn [cmds]

Description:

Selects how XOFF characters are sent.

Command

Function

í #X0

Single XOFF character sent.

#X1

Multiple XOFF characters sent until DTE responds.

XON/XOFF PASS-THROUGH

Type:

Configuration

Format:

AT [cmds] &En [cmds]

Description:

Selects whether XON/XOFF signals are sent to remote modem.

Command

Function

í &E6

XON/XOFF signals trapped by local modem.

&E7

XON/XOFF passed through local modem.