POSITIVE CORPORATION

PC MODEM 2400S

Card Type

Modem(asynchronous)

Chip Set

Unidentified

Maximum Data Rate

2400bps

Data Bus

8 bit ISA

Data Modulation Protocol

Bell 103A/212A

ITU-T V.21, V.22, V.22bis

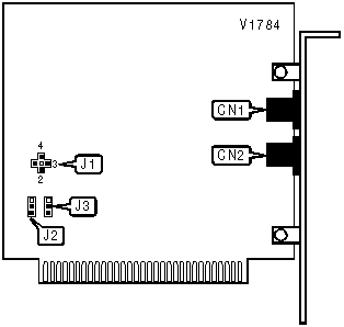
CONNECTIONS

Function

Label

Function

Label

Line in

CN1

Line out

CN2

SERIAL PORT ADDRESS

Setting

J2

J3

í COM1 (3F8h)

Pins 2 & 3 closed

Pins 2 & 3 closed

COM2 (2F8h)

Pins 2 & 3 closed

Pins 1 & 2 closed

COM3 (3E8h)

Pins 1 & 2 closed

Pins 2 & 3 closed

COM4 (2E8h)

Pins 1 & 2 closed

Pins 1 & 2 closed

INTERRUPT

Setting

J1

2

Pins 1 & 2 closed

3

Pins 1 & 3 closed

í 4

Pins 1 & 4 closed

5

Pins 1 & 5 closed

Proprietary AT Command Set

BIT-MAPPED REGISTER S14

Format

AT [cmds] S14=n [cmds]

Default:

170

Range:

0-174

Unit:

Bit-mapped.

Description:

Controls echo, result codes, result code display, dial mode, and answer/originate mode

Bit

Value

Function

0

0

Not used

1

0

í 1

Command echo disabled

Command echo enabled

2

í 0

1

Result codes enabled

Result codes disabled

3

0

í 1

Display result codes in numeric format

Display result codes in verbose format

4

0

Not used

5

0

í 1

Tone dial enabled

Pulse dial enabled

6

0

Not used

7

0

í 1

Answer mode enabled

Originate mode enabled

BIT-MAPPED REGISTER S21

Format

AT [cmds] S21=n [cmds]

Default:

16

Range:

0 - 184

Unit:

Bit-mapped.

Description:

Selects low DTR action, DCD signal, and the Long Space Disconnect function.

Bit

Value

Function

0

0

Not used.

1

0

Not used.

2

0

Not used.

4, 3

í 00

01

10

11

DTR signal ignored.

Modem goes to command mode on low DTR.

Modem disconnects on low DTR. Auto-Answer is disabled.

Modem is initialized on low DTR.

5

0

í 1

DCD forced high.

DCD normal.

6

0

Not used.

7

í 0

1

Long Space Disconnect function disabled.

Long Space Disconnect function enabled.

BIT-MAPPED REGISTER S22

Format

AT [cmds] S22=n [cmds]

Default:

117

Range:

0-127

Unit:

Bit-mapped

Description:

Controls speaker volume and controls, and limits results codes

Bit

Value

Function

1, 0

01

í 10

11

On volume

Medium level volume

High level volume

3, 2

00

í 01

10

11

Speaker off

Speaker off until carrier detect

Speaker always on

Speaker on during handshake

6, 5, 4

000

100

101

110

í 111

Basic result codes only enabled

Basic and connection speed result codes enabled

Basic and connection speed result codes and dial tone detection enabled

All result codes except dial tone detection enabled

All result codes enabled

7

í 00

01

Make/break ratio 39%/61%

Make/break ratio 33%/67%

BIT-MAPPED REGISTER S23

Format

AT [cmds] S23=n [cmds]

Default:

7

Range:

0-247

Unit:

Bit-mapped

Description:

Grants/denies remote digital loopback, controls DTE rate and parity, and sets guard tone

Bit

Value

Function

0

0

í 1

Remote digital loopback disabled

Remote digital loopback enabled

2, 1

00

01

10

í 11

Sets serial port speed to 0-300bps

Not used

Sets serial port speed to 1200bps

Sets serial port speed to 2400bps

3

0

Not used

5,4

í 00

01

10

11

Parity even

Space

Parity odd

No Parity

7, 6

í 00

01

10

Guard tone disabled

Guard tone 550Hz enabled

Guard tone 1800Hz enabled

PROTOCOL

Format

AT [cmds] S27=n [cmds]

Default:

32

Range:

0 - 32

Unit:

Bit-mapped

Description:

Selects operating protocol

Bit

Value

Function

0

0

Not used

1

0

Not used

2

0

Not used

3

0

Not used

4

0

Not used

5

0

Not used

6

0

í 1

CCITT V.22bis/V.22 enabled

Bell 212 enabled

TEST MODES

Format

AT [cmds] S16=n [cmds]

Default:

0

Range:

0-125

Unit:

Bit-mapped

Description:

Controls loopback tests, analog, digital, remote digital, and self tests.

Bit

Value

Function

0

í 0

1

Local analog loopback disabled

Local analog loopback enabled

1

0

Not used.

2

í 0

1

Local digital loopback disabled

Local digital loopback enabled

3

í 0

1

Modem not in remote digital loopback.

Remote digital loopback in progress.

4

í 0

1

Remote digital loopback disabled

Remote digital loopback enabled

5

í 0

1

Remote digital loopback w/ self-test disabled

Remote digital loopback w/ self-test enabled

6

í 0

1

Local analog loopback w/ self-test disabled

Local analog loopback w/ self-test enabled