WISECOM, INC.
DATA/FAX MODEM 14.4 V.32BIS
|
Card Type |
Fax, Modem (asynchronous) |
|
Chip Set |
Unidentified |
|
Maximum Data Rate |
14.4Kbps |
|
Maximum Fax Rate |
14.4Kbps |
|
Data Bus |
8-bit ISA |
|
Fax Class |
Class I |
|
Data Modulation Protocol |
Bell 103A/212A ITU-T V.21, V.22, V.22bis, V.32, V.32bis |
|
Fax Modulation Protocol |
ITU-T V.17, V.21CH2, V.27ter, V.29 |
|
Error Correction/Compression |
MNP5, V.42, V.42bis |

|
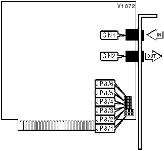
CONNECTIONS | ||||||
|
Function |
Label |
Function |
Label | |||
|
Line in |
CN1 |
Line out |
CN2 | |||
|
SERIAL PORT ADDRESS | ||
|
Setting |
JP8/1 |
JP8/2 |
|
COM1 (3F8h) |
Pins 1 & 2 closed |
Pins 1 & 2 closed |
|
COM2 (2F8h) |
Pins 2 & 3 closed |
Pins 1 & 2 closed |
|
COM3 (3E8h) |
Pins 1 & 2 closed |
Pins 2 & 3 closed |
|
í COM4 (2E8h) |
Pins 2 & 3 closed |
Pins 2 & 3 closed |
|
INTERRUPT | ||||
|
Setting |
JP8/3 |
JP8/4 |
JP8/5 |
JP8/6 |
|
2 |
Closed |
Open |
Open |
Open |
|
í 3 |
Open |
Closed |
Open |
Open |
|
4 |
Open |
Open |
Closed |
Open |
|
5 |
Open |
Open |
Open |
Closed |
Proprietary AT Command Set
|
AUTO-RETRAIN - FALLBACK/FALLFORWARD | |
|
Type: |
Configuration |
|
Format: |
AT [cmds] %En [cmds] |
|
Description: |
Controls auto-retrain mode and fallback/fall forward |
|
Command |
Function |
|
%E0 |
Auto-retrain disabled |
|
%E1 |
Auto-retrain enabled |
|
í %E2 |
Fallback/fall forward enabled |
|
BIT MAPPED REGISTERS | |
|
Register |
Default |
|
S14 |
Unidentified |
|
S16 |
0 |
|
S21 |
Unidentified |
|
S22 |
Unidentified |
|
S23 |
Unidentified |
|
S27 |
Unidentified |
|
S31 |
Unidentified |
|
S41 |
131 |
|
BREAK TYPE | |
|
Type |
Configuration |
|
Format |
AT [cmds] \Kn [cmds] |
|
Default |
5 |
|
Range |
0-5 |
|
Description |
Configures action of break signal |
|
CONNECT MODE | |
|
Type: |
Configuration |
|
Format: |
AT [cmds] \Nn [cmds] |
|
Description: |
Sets connect mode |
|
Command |
Function |
|
\N0 |
Normal mode enabled |
|
FAX TRANSMIT LEVEL | |
|
Type: |
Register |
|
Format: |
AT [cmds] S92=n [cmds] |
|
Default: |
10 |
|
Range: |
0-15 |
|
Unit: |
-1dBm |
|
Description: |
Controls fax transmission level |
|
FLASH DIAL MODIFIER TIME | |
|
Format |
AT [cmds] S29=n [cmds] |
|
Default: |
0 |
|
Range: |
0-255 |
|
Unit: |
.01 second |
|
Description: |
Time the modem will go on-hook upon receiving the ! dial modifier in dial string. |
|
FLOW CONTROL CHARACTER - XOFF | |
|
Type: |
Register |
|
Format: |
AT [cmds] S33=n [cmds] |
|
Default: |
19 |
|
Range: |
0-255 |
|
Unit: |
ASCII |
|
Description: |
Sets the character used to represent XOFF |
|
FLOW CONTROL CHARACTER - XON | |
|
Type: |
Register |
|
Format: |
AT [cmds] S32=n [cmds] |
|
Default: |
17 |
|
Range: |
0-255 |
|
Unit: |
ASCII |
|
Description: |
Sets the character used to represent XON |
|
LINE SIGNAL LEVEL | |
|
Type: |
Immediate |
|
Format: |
AT [cmds] %L [cmds] |
|
Description: |
Returns a value which indicates the received line signal level |
|
LINE SIGNAL QUALITY | |
|
Type: |
Immediate |
|
Format: |
AT [cmds] %Q [cmds] |
|
Description: |
Returns a value which indicates line signal quality |
|
RPI | ||
|
Type: |
Configuration | |
|
Format: |
AT [cmds] +Hn [cmds] | |
|
Description: |
Controls RPI and sets DTE speed | |
|
Command |
Function | |
|
+H0 |
RPI disabled | |
|
+H1 |
RPI enabled, DTE speed 19200bps | |
|
+H2 |
RPI enabled, DTE speed 38400bps | |
|
+H3 |
RPI enabled, DTE speed 57600bps | |
|
SLEEP TIMER | |
|
Format |
AT [cmds] S24=n [cmds] |
|
Default: |
0 |
|
Range: |
0-255 |
|
Unit: |
1 second |
|
Description: |
Maximum duration of DTE and DCE inactivity allowed prior to initiating low-power sleep mode. |
|
TRANSMIT ATTENUATION LEVEL | |
|
Type: |
Register |
|
Format: |
AT [cmds] S91=n [cmds] |
|
Default: |
10 |
|
Range: |
0-15 |
|
Unit: |
-1dBm |
|
Description: |
Controls transmission attenuation level |