WISECOM, INC.

WS-2814IS6

Card Type

Modem (asynchronous)

Chipset

Rockwell

I/O Options

Voice, microphone in, speaker out

Maximum Data Rate

33.6Kbps

Maximum Fax Rate

14.4Kbps

Data Bus

8-bit ISA

Fax Class

Class I & II

Data Modulation

Bell 103A/212A

ITU-T V.21, V.22, V.22bis, V.23, V.32, V.32bis, V.34

Rockwell V.FC

Fax Modulation

ITU-T V.17, V.21CH2, V.27ter, V.29

Error Correction/Compression

MNP5, V.42, V.42bis

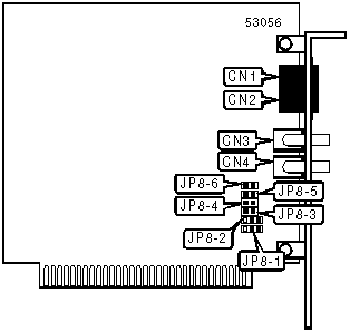
CONNECTIONS

Function

Label

Function

Label

Telephone line in

CN1

Speaker out

CN3

Telephone line in

CN2

Microphone in

CN4

SERIAL PORT ADDRESS SELECTION

Setting

JP8-1

JP8-2

3F8h (COM1:)

Pins 1 & 2 closed

Pins 1 & 2 closed

2F8h (COM2:)

Pins 2 & 3 closed

Pins 1 & 2 closed

3E8h (COM3:)

Pins 1 & 2 closed

Pins 2 & 3 closed

2E8h (COM4:)

Pins 2 & 3 closed

Pins 2 & 3 closed

INTERRUPT SELECTION

Setting

JP8-3

JP8-4

JP8-5

JP8-6

IRQ2

Closed

Open

Open

Open

IRQ3

Open

Closed

Open

Open

IRQ4

Open

Open

Closed

Open

IRQ5

Open

Open

Open

Closed

SUPPORTED STANDARD COMMANDS

Basic AT Commands

+++, ‘comma’, A/

A, B, D, E, H, L, M, N, O, P, Q, T, V, W, X, Y, Z

&C, &D, &F, &G, &K, &P, &S, &T, &V, &W, &Y, &Z

Extended AT Commands

\A, \B, \K, \N

%C, %E, %L, %Q

Special AT Commands

+MS

S-Registers

S0, S1, S2, S3, S4, S5, S6, S7, S8, S9, S10, S11, S12, S14, S16, S18, S21, S22, S23, S24, S25

S26, S27, S29, S30, S31, S32, S33, S36, S38, S39, S40, S41, S46, S48, S82, S86, S91, S92, S95

Note: See MHI documentation for complete information.

UNIDENTIFIED COMMANDS

Command

Default

S37

0

Proprietary AT Command Set

See WISECOM, INC. WS-2814IM6 for a full command summary.