EVEREX SYSTEMS, INC.

MICROENHANCER EV-653

Category

Video

Video Types Supported

EGA/Monochrome

Video Processor

Unidentified

Highest Resolution Supported

640 x 350

Data Bus Type

8-bit ISA

Memory Type

DRAM

Maximum Onboard Memory

256KB (Exact location of memory is unidentified)

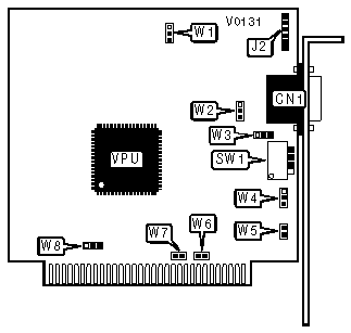
CONNECTIONS

Purpose

Location

Purpose

Location

15-pin analog video port

CN1

Light pen connector

J2

I/O PORT ADDRESS CONFIGURATION

Address

W3

»

3xx

Pins 1 & 2 closed

 

2xx

Pins 2 & 3 closed

SLOT LOCATION SELECTION

Setting

W5

»

Card is not installed in slot 8

Closed

 

Card is installed in slot 8

Open

VIDEO INTERRUPT SELECTION

IRQ

W6

W7

W8

»

NMI

Closed

Closed

N/A

 

2

Open

Open

N/A

 

3

Open

Closed

Pins 1 & 2 closed

 

5

Open

Closed

Pins 2 & 3 closed

MONITOR TYPE SELECTION

Type

W2

SW1/1

SW1/2

SW1/3

SW1/4

Enhanced 80 x 25

Pins 2 & 3 closed

Off

On

On

Off

Enhanced color 80 x 25

Pins 2 & 3 closed

On

On

On

Off

Color 80 x 25

Pins 1 & 2 closed

Off

Off

Off

On

Color 40 x 24

Pins 1 & 2 closed

On

Off

Off

On

Monochrome

Pins 1 & 2 closed

Off

Off

On

Off

DUAL MONITOR CONFIGURATION

Primary (Micro Enhanced)

Secondary

SW1/1

SW1/2

SW1/3

SW1/4

Enhanced 80 x 25

Monochrome

Off

On

On

Off

Enhanced color 80 x 25

Monochrome

On

On

On

Off

Color 80 x 25

Monochrome

Off

Off

Off

On

Color 40 x 24

Monochrome

On

Off

Off

On

Monochrome

Color 80 x 25

Off

Off

On

Off

Monochrome

Color 40 x 24

On

Off

On

Off

DUAL MONITOR CONFIGURATION

Primary

Secondary (Micro Enhanced)

SW1/1

SW1/2

SW1/3

SW1/4

Monochrome

Enhanced 80 x 25

Off

Off

On

On

Monochrome

Enhanced color 80 x 25

On

Off

On

On

Monochrome

Color 80 x 25

Off

On

On

On

Monochrome

Color 40 x 24

On

On

On

On

Color 80 x 25

Monochrome

Off

On

Off

On

Color 40 x 24

Monochrome

On

On

Off

On

FACTORY CONFIGURED - DO NOT ALTER

Jumper

Position

W1

Open

W4

Pins 1 & 2 closed